+86-563-4186973

Odošlite spätnú väzbu

15-stupňový interný skosený zadržiavací prsteň pre vrty aplikácií-M1302 JB Dodávatelia

Domov / Výrobky / Vnútorné krúžky / 15-stupňový interný skosený zadržiavací prsteň pre vrty aplikácií-M1302 JB

Kategórie výrobkov

Vyčistiť

Kontaktujte nás

15-stupňový interný skosený zadržiavací prsteň pre vrty aplikácií-M1302 JB

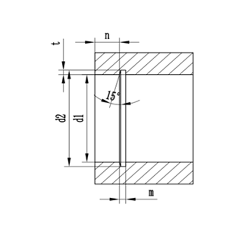
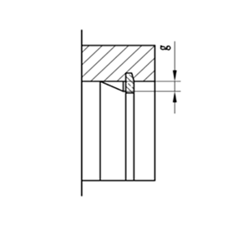
V okrúhlom diere je namontovaný vnútorný skosený zadržiavací krúžok, ktorý sa používa na upevnenie axiálneho pohybu častí, tento druh vonkajšieho priemeru kruhu je o niečo väčší ako priemer zostavového okrúhleho otvoru. Vonkajší priemer produktu má celý týždeň skosený skosený 15 stupňov, aby sa lepšie fixoval a zabránil pohybu častí, drážka, kde je nainštalovaný oporný krúžok

D1: Špecifikácia/nominálna veľkosť; S: Hrúbka; D3: Vonkajší priemer; A: Výška hlavy; ≈ B: šírka ramena; D5: malý otvor; WT: hmotnosť; FN: kapacita drážky; FR: kapacita ložiskového prsteňa (pravý uhol); G: Veľkosť skosenia; FRG: kapacita ložiska na zadržiavanie (komisár);

15-stupňový interný skosený zadržiavací prsteň pre vrty aplikácií-M1302 JB

d1 S Tol S1 Tol d3 Tol max. ≈b D5 min Wt (g) d2 Tol m Tol t n FR (kN) g FRG (KN)
40
1.65
–0,15
1.25
–0.050
44
0,90 -0,60
5.3
4
1.9
4.05
42.8
0.13
1.3
0.025
1.4
4.5
24.8
2
4.6
41
1.65
–0,15
1.22
–0.050
45.8
0,90 -0,60
5.9
4
1.9
4.55
44
0.13
1.3
0.025
1.5
4.7
23.2
2
4.3
42
1.65
–0,15
1.22
–0.050
46.6
0,90 -0,60
5.9
4.2
1.9
4.73
45
0.13
1.3
0.025
1.5
4.8
23.7
2
4.4
43
1.65
–0,15
1.19
–0.050
47.6
0,90 -0,60
5.9
4.3
1.9
4.91
46
0.13
1.27
0.025
1.5
4.9
22.9
2
4.3
44
1.65
–0,15
1.19
–0.050
49.3
0,90 -0,60
6.1
4.3
1.9
4.68
47.2
0.13
1.27
0.025
1.85
5.1
22.1
2
4.2
46
1.65
–0,15
1.19
–0.050
51.1
0,90 -0,60
6.1
4.3
2.3
5.23
49.4
0.13
1.27
0.025
1.7
5.2
20.9
2
4
47
1.65
–0,15
1.19
–0.050
52.2
0,90 -0,60
6.1
4.3
2.3
5.82
50.4
0.13
1.27
0.025
1.7
5.3
20.3
2
3.9
48
1.65
–0,15
1.19
–0.050
52.6
0,90 -0,60
6.1
4.3
2.3
5.82
51.5
0.13
1.27
0.025
1.75
5.4
17.9
2
3.5
51
1.65
–0,15
1.15
–0.050
56.1
0,90 -0,60
6.2
4.3
2.3
6.36
54.6
0.13
1.22
0.025
1.8
5.7
17.5
2
3.4
52
2.05
–0,15
1.5
–0.075
57.9
1,00 -0,75
6.5
4.7
2.3
8.18
55.7
0.15
1.65
0.038
1.85
5.9
46.3
2
9.1
54
2.05
–0,15
1.56
–0.075
59.7
1,00 -0,75
6.7
4.9
2.3
8.82
57.9
0.15
1.65
0.038
1.95
6.1
45.9
2
9.1
56
2.05
–0,15
1.54
–0.075
61.3
1,00 -0,75
6.8
5
2.3
8.91
60.1
0.15
1.63
0.038
2.05
6.4
43.9
2
8.8
57
2.05
–0,15
1.54
–0.075
63.2
1,00 -0,75
7
5.2
2.3
9.91
61.5
0.15
1.63
0.038
2.25
6.7
44.5
2
8.9
60
2.05
–0,15
1.51
–0.075
66.8
1,00 -0,75
7
5.3
2.3
10.55
64.5
0.15
1.6
0.038
2.25
7
43.6
2
7.8
62
2.05
–0,15
1.48
–0.075
68.6
1,00 -0,75
7.2
5.2
2.7
11.54
66.5
0.15
1.57
0.038
2.25
7
38
2
7.8
63
2.05
–0,15
1.48
–0.075
70.5
1,00 -0,75
7.2
5.3
2.7
11.59
67.7
0.15
1.57
0.038
2.35
7.2
37.9
2
7.8
65
2.45
–0,15
1.88
–0.100
72.2
1,00 -0,75
7.5
5.6
2.7
15.45
69.8
0.15
1.98
0.038
2.4
7.4
71.1
2.5
11.9
67
2.45
–0,15
1.85
–0.100
73.9
1,00 -0,75
7.5
5.7
2.7
15.68
71.9
0.15
1.96
0.038
2.45
7.7
68.1
2.5
11.6
68
2.45
–0,15
1.85
–0.100
75.7
1,00 -0,75
7.7
6
2.7
15.91
73.1
0.15
1.96
0.038
2.55
7.8
70.4
2.5
12
70
2.45
–0,15
1.83
–0.100
77.5
1,00 -0,75
7.7
5.9
2.7
14.14
75.2
0.15
1.93
0.038
2.6
8
66
2.5
11.4
72
2.45
–0,15
1.83
–0.100
79.3
1,00 -0,75
7.7
5.8
2.7
16.36
77.3
0.15
1.93
0.038
2.65
8.2
61.9
2.5
10.8
78
2.85
–0,15
2.15
–0.130
86.8
1,40 -1,40
8.1
6.5
3.1
24.09
83.7
0.15
2.26
0.051
2.85
8.9
112.7
2.5
20.2
80
2.85
–0,15
2.15
–0.130
89.5
1,40 -1,40
8.1
6.7
3.1
25.19
86
0.15
2.26
0.051
3
9
112.2
2.5
20.2
82
2.85
–0,15
2.15
–0.130
92
1,40 -1,40
8.9
6.8
3.1
27.27
88.1
0.15
2.26
0.051
3.05
9.1
110
2.5
20
85
2.85
–0,15
2.15
–0.130
94.8
1,40 -1,40
8.9
7
3.1
29.55
91.2
0.15
2.26
0.051
3.1
9.6
108
3
16.6
88
2.85
–0,15
2.15
–0.130
98
1,40 -1,40
8.9
7.4
3.1
31.36
94.6
0.15
2.26
0.051
3.3
10
108.8
3
16.9
90
2.85
–0,15
2.15
–0.130
100
1,40 -1,40
8.9
7.4
3.1
32.73
96.8
0.15
2.26
0.051
3.4
10.4
105.3
3
16.5
92
2.85
–0,15
2.15
–0.130
102.2
1,40 -1,40
8.9
7.7
3.1
33.18
99
0.15
2.26
0.051
3.5
10.7
106.4
3
16.8
95
2.85
–0,15
2.15
–0.130
105.6
1,65 -1,65
8.9
7.8
3.1
35.45
102.1
0.15
2.26
0.051
3.55
11.3
103.1
3
16.6
98
2.85
–0,15
2.15
–0.130
109
1,65 -1,65
9.6
8.1
3.1
39.55
105.5
0.15
2.26
0.051
3.75
11.5
102.4
3
16.6
100
2.85
–0,15
2.15
–0.130
110.7
1,65 -1,65
9.6
8.1
3.1
40
107.6
0.15
2.26
0.051
3.8
11.6
99.5
3
16.3
102
2.85
–0,15
2.15
–0.130
112.4
1,65 -1,65
9.6
8.4
3.1
42.27
109.7
0.15
2.26
0.051
3.85
11.7
100.5
3
16.6
105
2.85
–0,15
2.15
–0.130
115.8
1,65 -1,65
9.6
8.4
3.1
44.09
112.8
0.15
2.26
0.051
3.9
12
96.4
3
16.1
108
2.85
–0,15
2.15
–0.130
119.2
1,65 -1,65
9.6
8.5
3.1
45.91
116.1
0.15
2.26
0.051
4.05
12.1
93.6
3
15.8
110
2.85
–0,15
2.15
–0.130
120.8
1,65 -1,65
10.5
8.6
3.8
47.73
118
0.15
2.26
0.051
4
12.3
92.5
3
15.7
115
2.85
–0,15
2.15
–0.130
125.5
1,65 -1,65
10.5
8.9
3.8
50.45
123.2
0.15
2.26
0.051
4.1
12.6
89.8
3
15.6
118
2.85
–0,15
2.15
–0.130
128.9
1,65 -1,65
10.5
8.9
3.8
53.18
126.3
0.15
2.26
0.051
4.15
12.8
86.5
3
15.2
120
2.85
–0,15
2.15
–0.130
132.4
1,65 -1,65
10.5
9.1
3.8
56.36
128.6
0.15
2.26
0.051
4.3
13
86.3
3
15.3
127
2.85
–0,15
2.15
–0.130
139.3
1,65 -1,65
11.3
9.9
3.8
61.82
135.8
0.15
2.26
0.051
4.4
13.4
86.8
3
15.7
140
3.25
–0,20
2.49
–0.150
154.1
1,65 -1,65
11.8
10.4
3.8
83.18
149.2
0.15
2.29
0.051
4.6
14.1
119.6
3
22.7
O nás
Anhui Ningguo Dongbo Fastener Co., Ltd.
Dongbo bol založený v septembri 2005 s registrovaným hlavným mestom 47,72 milióna. Nachádza sa v Národnej zóne hospodárskeho a technologického rozvoja Ningguo, pokrýva oblasť 91 hektárov av súčasnosti má viac ako 420 zamestnancov. Spoločnosť sa zameriava na výrobu zadržiavacích krúžkov už 46 rokov a je profesionálnym veľkoobchodným výrobcom prsteňov a výrobcov OEM/ODM Snap Snap, výroby továrne, výroby podložiek (okrúhle, motýľ, sférické), zachovanie krúžkov, elastické cylindrické kolíky a ďalšie série produktov a nevýrazné prispôsobené pečiatky. Je to high-tech podnik s rozsiahlymi, viacerými odrodami, úplnými špecifikáciami a integrovanou výrobou, výskumom a vývojom a predajom v priemysle.
Čestné osvedčenie
  • CNA
  • IATF16949
  • Certifikáty
  • ISO14001
  • Certifikáty
  • Certifikáty
  • Certifikáty
  • Certifikáty
  • Certifikáty
  • Certifikáty
  • Certifikáty
  • Certifikáty

Novinky

  • Apr 27,2026

    Neštandardné lisovacie diely: Kompletný sprievodca

    Čo sú to neštandardné lisovacie diely a kedy ich potrebujete NEŠTANDARDNÉ SÚČASTI NA RAZENIE sú presné kovové komponenty vyrábané lisovacími procesmi – pomocou razidiel a razidiel na lisovan...

    Viac
  • Apr 22,2026

    Inštalácia a odstránenie vonkajšieho poistného krúžku: Sprievodca krok za krokom

    Vonkajšie poistné krúžky patria medzi najspoľahlivejšie a cenovo najefektívnejšie spojovacie prvky v strojárstve. Nachádzajú sa vo všetkom od automobilových prevodoviek po priemyselné dopravníkové systémy a poskytujú ...

    Viac
  • Apr 15,2026

    Sprievodca patentnými krúžkami: Typy, použitie a výber

    Pochopenie základnej funkcie poistných krúžkov Sťahovacie krúžky , často označované ako prídržné krúžky alebo poistné krúžky, slúžia na vysoko špecifický mechanický účel: obmedzujú axiálny pohyb pri zachovaní...

    Viac
  • Apr 08,2026

    Neštandardné lisovacie diely: Priemyselná príručka

    Technická presnosť pri výrobe neštandardných lisovaných dielov Neštandardné lisovacie diely predstavujú kritické výrobné riešenie pre priemyselné odvetvia vyžadujúce komponenty, ktoré sa odchyľujú od konvenčných šp...

    Viac
15-stupňový interný skosený zadržiavací prsteň pre vrty aplikácií-M1302 JB Znalosť odvetvia

Od dizajnu po aplikáciu: Ako M1302 JB 15-stupňové skosené zadržiavacie krúžky bránia axiálnemu pohybu

Dômyselný dizajn M1302 JB 15-stupňové skosené zadržiavacie krúžky
15-stupňový skosený prsteň M1302 JB JB je navrhnutý jedinečným 15-stupňovým skoseným okrajom pozdĺž vonkajšieho priemeru. Táto konštrukčná funkcia nie je svojvoľná - slúži to kritickému účelu. Pri inštalácii do okrúhleho otvoru sa skosená hrana prsteňa dokonale zarovná s zodpovedajúcou drážkou, ktorá má tiež 15-stupňový uhol. Toto presné prispôsobenie vytvára bezpečný blokovací mechanizmus, ktorý účinne zabraňuje axiálny pohyb zostavených častí.

Čo robí tento dizajn tak efektívnym? 15-stupňový kok optimalizuje distribúciu záťaže, zvyšuje priľnavosť a znižuje koncentrácie napätia na krúžku aj na okolité komponenty. To zaisťuje, že zadržiavací kruh vydrží významné sily bez ohrozenia výkonu, čo je ideálny pre aplikácie, v ktorých je stabilita a trvanlivosť prvoradá.

Bridging Design s aplikáciami v reálnom svete
Skutočná hodnota 15-stupňového skoseného kruhu M1302 JB JB spočíva v jeho schopnosti plynulo prechádzať z dizajnu na aplikáciu v reálnom svete. Tieto krúžky sa široko používajú v rôznych odvetviach, z ktorých každý ťaží z ich presného inžinierstva a robustného výkonu:

Automobilový priemysel: V motoroch, prevodovkách a systémoch zavesenia tieto krúžky zabezpečujú, aby kritické komponenty zostali bezpečne na mieste, čím sa v priebehu času znižujú vibrácie a opotrebenie.
Hydraulické systémy: Zabezpečením piestov a valcov udržiavajú systémovú integritu za extrémnych tlakových a teplotných podmienok, čím sa zabezpečí konzistentný výkon.
Ťažké stroje: Od stavebných zariadení po poľnohospodárske nástroje tieto krúžky poskytujú stabilitu potrebnú na zvládnutie vysokého zaťaženia a opakovaného stresu bez zlyhania.
Elektronika a spotrebiče: Kompaktné, ale spoľahlivé, sú ideálne pre malé zostavy, ako sú domáce spotrebiče a elektronické zariadenia, kde je priestor obmedzený, ale výkon nemožno ohroziť.
V každej aplikácii dokazuje ponechanie 15-stupňového skoseného prsteňa M1302 JB JB, ktorý preukáže svoju hodnotu tým, že poskytuje neprekonateľnú stabilitu, presnosť a dlhovekosť.

Inovácia v jazde dokonalosť
V Dongbo je inovácia v centre všetkého, čo robíme. Náš tím kombinuje špičkovú technológiu s prísnymi procesmi riadenia kvality, aby sa zabezpečilo, že každý 15-stupňový skosený prsteň M1302 JB spĺňa najvyššie štandardy výkonu.

Od štandardných častí vyrábaných na mieru až po návrhy na mieru prispôsobené špecifickým potrebám pristupujeme k každému projektu s nadšením a presnosťou. Naše odhodlanie inováciám rozširuje produkty-snažíme sa poskytovať riešenia na jednotlivé kontakty, ktoré sa zaoberajú vyvíjajúcimi sa výzvami, ktorým čelia naši zákazníci.

Tým, že zostaneme verní nášmu poslaniu-prijatím spoľahlivých a kvalitných produktov-sme získali dôveru klientov v priemyselných odvetviach. Či už hľadáte riešenia v oblasti mimoštitovaných alebo komponenty na mieru, máme odborné znalosti na splnenie vašich požiadaviek.

Pokiaľ ide o prevenciu axiálneho pohybu v mechanických zostavách, M1302 JB 15-stupňové skosené zadržiavacie krúžky Vyniká ako dôkaz sily premysleného dizajnu a precízneho inžinierstva. V spoločnosti Anhui Ningguo Dongbo Fastener Co., Ltd., sme hrdí na tvorbu týchto krúžkov, aby sme pomohli priemyselným odvetviam dosiahnuť jedinečnú stabilitu a výkon.

Či už zostavujete automobilové komponenty, hydraulické systémy alebo ťažké stroje, naše zadržiavacie krúžky ponúkajú perfektnú zmes sily, presnosti a adaptability. Buďme vašim partnerom v úspechu - poskytujeme nástroje, ktoré potrebujete na vybudovanie lepších, silnejších a spoľahlivejších systémov.

Kontaktujte nás ešte dnes a zistite, ako náš M1302 JB 15-stupňový skosený zadržiavací prstene môže transformovať vaše projekty a posunúť vaše podnikanie vpred!