+86-563-4186973

Odošlite spätnú väzbu

Vonkajší externý Snap Ring-M2400 SW Dodávatelia

Domov / Výrobky / Prstene / Vonkajší externý Snap Ring-M2400 SW

Kategórie výrobkov

Vyčistiť

Kontaktujte nás

Vonkajší externý Snap Ring-M2400 SW

Vonkajší zásahový prsteň s vysokým posunom s vysokým obsahom posunu je zariadenie, ktoré sa používa na zabránenie prevádzky ložiska v ložiskovom puzdre, jeho hlavnou úlohou je fixovať ložisko, a nie brzdenie, ktoré sa teraz používa v priamom formovaní tvrdého materiálu, veľkosť konzistencie je lepšia

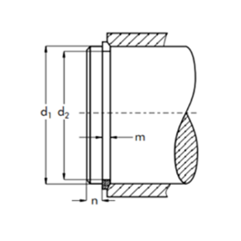
D1: Špecifikácia/nominálna veľkosť; S: Hrúbka; D3: vnútorný priemer; B: Šírka ramena; WT: hmotnosť; FN: kapacita drážky; FR: kapacita ložiska na zadržaní; NABL: Obmedzujúca rýchlosť;

Vonkajší externý Snap Ring-M2400 SW

d1 S (-0,1) B (-0,1) D3 Max Wt (g) d2 Tol m min Fn (kN) FR (kN) n ABLX1000
4
0.5
0.8
3.7
0.02
3.8
–0.09
0.6
0.2
1.25
275
5
0.5
1
4.7
0.05
4.8
–0.09
0.6
0.26
1.3
192
6
0.7
1.1
5.6
0.09
5.7
–0.09
0.8
0.46
3.5
141
7
0.7
1.2
6.5
0.12
6.7
–0.09
0.8
0.54
3.5
134
8
1
1.3
7.4
0.2
7.6
–0.09
1.1
0.82
6.5
108
9
1
1.3
8.4
0.24
8.6
–0.09
1.1
0.92
6.5
80
10
1
1.3
9.4
0.25
9.6
–0.09
1.1
1.03
6.5
68
11
1
1.3
10.2
0.29
10.5
–0.11
1.1
1.4
9.8
64
12
1
1.3
11.2
0.3
11.5
–0.11
1.1
1.53
9.3
53
13
1
1.3
12.2
0.34
12.5
–0.11
1.1
1.7
8.9
43
14
1.2
1.5
13.1
0.5
13.5
–0.11
1.3
1.8
17
45
15
1.2
1.75
14
0.66
14.4
–0.11
1.3
2.3
18.7
44
16
1.2
1.75
15
0.69
15.4
–0.11
1.3
2.47
17.7
38
17
1.2
1.75
16
0.72
16.4
–0.11
1.3
2.63
17
34
18
1.2
1.75
17
0.75
17.4
–0.11
1.3
2.78
16.2
30
19
1.2
1.75
17.9
0.8
18.4
–0.13
1.3
2.94
15.6
29
20
1.2
1.75
18.7
0.84
19.2
–0.13
1.3
4.1
15
26
21
1.2
1.75
19.7
0.87
20.2
–0.13
1.3
4.3
14.6
23
22
1.2
1.75
20.7
0.91
21.2
–0.13
1.3
4.5
14
21
24
1.2
1.75
22.5
0.99
23
–0.13
1.3
6.15
13.3
18
25
1.2
1.75
23.5
1
24
–0.13
1.3
6.4
12.8
16
26
1.2
1.75
24.5
1.1
25
–0.13
1.3
6.65
12.5
15
27
1.5
2.3
25.5
2
26
–0.13
1.6
6.95
30
16
28
1.5
2.3
26.5
2.11
27
–0.13
1.6
7.2
29.3
15
29
1.5
2.3
27.5
2.2
28
–0.13
1.6
7.45
28.2
14
30
1.5
2.3
28.5
2.33
29
–0.13
1.6
7.7
27.5
13
32
1.5
2.3
30.2
2.41
30.8
–0.16
1.6
9.9
26.5
13
35
1.5
2.3
33.2
2.51
33.8
–0.16
1.6
10.8
24.4
11
37
1.5
2.3
35.2
2.72
35.8
–0.16
1.6
11.3
23.5
9
38
1.5
2.3
36.2
2.83
36.8
–0.16
1.6
11.6
22.7
9
40
1.5
2.3
37.8
2.91
38.5
–0.16
1.6
15.5
22
8
42
1.5
2.3
39.8
3.1
40.5
–0.16
1.6
16.2
21.4
7
43
1.5
2.3
40.8
3.25
41.5
–0.16
1.6
16.5
21.1
7
45
1.5
2.3
42.8
3.39
43.5
–0.16
1.6
17.3
20.6
6
47
1.5
2.3
44.8
3.48
45.5
–0.16
1.6
18.2
19.2
6
48
1.5
2.3
45.8
3.6
46.5
–0.16
1.6
18.7
18.6
5
50
1.5
2.3
47.8
3.73
48.5
–0.16
1.6
19.5
18.1
5
52
1.5
2.3
49.8
3.92
50.5
–0.19
1.6
20.2
17.7
4
55
1.5
2.3
52.6
4.11
53.5
–0.19
1.6
21
16.5
4
58
1.5
2.3
55.6
4.4
56.5
–0.19
1.6
22.5
15.7
4
60
1.5
2.3
57.6
4.55
58.5
–0.19
1.6
23.2
15.4
4
63
1.5
2.3
60.6
4.58
61.5
–0.19
1.6
24.4
14.7
3
65
1.5
2.3
62.6
4.64
63.5
–0.19
1.6
25.2
14.2
3
68
2
2.8
65.4
8.59
66.2
–0.19
2.2
31.7
39.6
3
70
2
2.8
67.4
8.71
68.2
–0.19
2.2
32.5
38.4
3
72
2
2.8
69.4
8.8
70.2
–0.19
2.2
33.7
37.6
3
73
2
2.8
70.4
8.9
71.2
–0.19
2.2
34
37
3
75
2
2.8
72.4
9.32
73.2
–0.19
2.2
35
36.2
2
80
2
2.8
77.4
9.67
78.2
–0.19
2.2
37.4
34.2
2
85
2.5
3.4
82
16
83
–0,22
2.7
44
72
2
90
2.5
3.4
87
16
88
–0,22
2.7
46.5
66.3
2
95
2.5
3.4
92
18.2
93
–0,22
2.7
49.2
61.8
2
100
2.5
3.4
97
18.9
98
–0,22
2.7
51.9
57.3
2
105
2.5
3.4
101.7
20.7
102.7
–0,22
2.7
65
54
2
110
2.5
3.4
106.6
20.9
107.7
–0,22
2.7
69
50.4
1
115
2.5
3.4
111.6
22.1
112.7
–0,22
2.7
71
47.2
1
120
2.5
3.4
116.5
24.1
117.7
–0,22
2.7
75
44.8
1
125
2.5
3.4
121.5
25.1
122.7
–0,25
2.7
78.5
41.8
1
130
2.5
3.4
126.4
26.6
127.7
–0,25
2.7
84
39.6
1
135
2.5
4
131.1
30.2
132.4
–0,25
2.7
87
44
1
140
2.5
4
136
31.1
137.4
–0,25
2.7
91.5
41.6
1
145
2.5
4
141
32.6
142.4
–0,25
2.7
95
39.6
1
150
2.5
4
145.9
32.8
147.4
–0,25
2.7
98
37.5
1
155
2.5
4
150.9
34.7
154.4
–0,25
2.7
100
36.3
1
160
2.5
4
155.8
36.6
157.4
–0,25
2.7
103
35.6
1
165
2.5
4
160.8
37.4
162.4
–0,25
2.7
106
34.2
0.5
170
2.5
4
165.7
38.5
167.4
–0,25
2.7
108
33.5
0.5
175
2.5
4
170.7
39.4
172.4
–0,25
2.7
117
32.2
0.4
180
3
5
175.2
61.2
177
–0,25
3.2
140
67.5
1
185
3
5
180.2
63.9
182
–0,29
3.2
144
66.2
1
190
3
5
185.1
65.9
187
–0,29
3.2
148
64
1
195
3
5
190.1
67.5
192
–0,29
3.2
152
62.6
1
200
3
5
196
68.4
197
–0,29
3.2
156
61.4
0.5
210
3
5
204.9
72
207
–0,29
3.2
164
58
0.5
220
3
5
214.8
76.3
217
–0,29
3.2
171
55.5
0.4
230
3
5
224.7
79.8
227
–0,29
3.2
180
53
0.3
240
3
5
234.6
81.7
237
–0,29
3.2
187
51
0.3
250
3
5
244.5
86.5
247
–0,32
3.2
195
49
0.3
260
4
7.5
252.4
179
255
–0,32
4.2
338
168
0.4
265
4
7.5
257.4
185.2
260
–0,32
4.2
344
165
0.4
270
4
7.5
262.3
197.7
265
–0,32
4.2
350
162
0.4
280
4
7.5
272.2
198.7
275
–0,32
4.2
362
155
0.4
285
4
7.5
277.2
199.5
280
–0,32
4.2
370
151
0.3
290
4
7.5
282.1
205.3
285
–0,32
4.2
377
148
0.3
300
4
7.5
292.1
214.2
295
–0,32
4.2
390
145
0.3
305
4
7.5
297.1
219.4
300
–0,32
4.2
396
142
0.3
310
4
7.5
302
223.1
305
–0,32
4.2
402
139
0.3
320
4
7.5
311.9
225.3
315
–0,32
4.2
416
137
0.3
330
4
7.5
321.8
228.6
325
–0,36
4.2
428
132
0.2
340
4
7.5
331.7
239.3
335
–0,36
4.2
442
129
0.2
350
4
7.5
341.6
251.2
345
–0,36
4.2
455
123
0.2
360
4
7.5
351.5
253.1
355
–0,36
4.2
468
120
0.2
370
4
7.5
361.5
259.2
365
–0,36
4.2
482
117
0.2
380
4
7.5
371.4
265.8
375
–0,36
4.2
494
115
0.2
390
4
7.5
381.3
273.9
385
–0,36
4.2
507
112
0.2
400
4
7.5
391.2
281.1
395
–0,36
4.2
521
109
0.1
420
4.5
12
410
531
415
–0,36
4.8
547
133
0.3
460
4.5
12
449.5
582
455
–0,36
4.8
600
126
0.2
O nás
Anhui Ningguo Dongbo Fastener Co., Ltd.
Dongbo bol založený v septembri 2005 s registrovaným hlavným mestom 47,72 milióna. Nachádza sa v Národnej zóne hospodárskeho a technologického rozvoja Ningguo, pokrýva oblasť 91 hektárov av súčasnosti má viac ako 420 zamestnancov. Spoločnosť sa zameriava na výrobu zadržiavacích krúžkov už 46 rokov a je profesionálnym veľkoobchodným výrobcom prsteňov a výrobcov OEM/ODM Snap Snap, výroby továrne, výroby podložiek (okrúhle, motýľ, sférické), zachovanie krúžkov, elastické cylindrické kolíky a ďalšie série produktov a nevýrazné prispôsobené pečiatky. Je to high-tech podnik s rozsiahlymi, viacerými odrodami, úplnými špecifikáciami a integrovanou výrobou, výskumom a vývojom a predajom v priemysle.
Čestné osvedčenie
  • CNA
  • IATF16949
  • Certifikáty
  • ISO14001
  • Certifikáty
  • Certifikáty
  • Certifikáty
  • Certifikáty
  • Certifikáty
  • Certifikáty
  • Certifikáty
  • Certifikáty

Novinky

  • Apr 27,2026

    Neštandardné lisovacie diely: Kompletný sprievodca

    Čo sú to neštandardné lisovacie diely a kedy ich potrebujete NEŠTANDARDNÉ SÚČASTI NA RAZENIE sú presné kovové komponenty vyrábané lisovacími procesmi – pomocou razidiel a razidiel na lisovan...

    Viac
  • Apr 22,2026

    Inštalácia a odstránenie vonkajšieho poistného krúžku: Sprievodca krok za krokom

    Vonkajšie poistné krúžky patria medzi najspoľahlivejšie a cenovo najefektívnejšie spojovacie prvky v strojárstve. Nachádzajú sa vo všetkom od automobilových prevodoviek po priemyselné dopravníkové systémy a poskytujú ...

    Viac
  • Apr 15,2026

    Sprievodca patentnými krúžkami: Typy, použitie a výber

    Pochopenie základnej funkcie poistných krúžkov Sťahovacie krúžky , často označované ako prídržné krúžky alebo poistné krúžky, slúžia na vysoko špecifický mechanický účel: obmedzujú axiálny pohyb pri zachovaní...

    Viac
  • Apr 08,2026

    Neštandardné lisovacie diely: Priemyselná príručka

    Technická presnosť pri výrobe neštandardných lisovaných dielov Neštandardné lisovacie diely predstavujú kritické výrobné riešenie pre priemyselné odvetvia vyžadujúce komponenty, ktoré sa odchyľujú od konvenčných šp...

    Viac
Vonkajší externý Snap Ring-M2400 SW Znalosť odvetvia

Oprava s presnosťou: Prečo sú prstene M2400 SW Snap Rings nevyhnutné pre moderné stroje

Vonkajší zásahový krúžok M2400 SW s vysokým obsahom protis-posunom posúva tento koncept na ďalšiu úroveň. Vykonané pre aplikácie s vysokým zaťažením, nielenže zabezpečuje ložiská, ale tiež odoláva posunu spôsobené vibráciami alebo tepelnou expanziou-spoločnou výzvou v drsnom prevádzkovom prostredí. Vďaka tomu je obzvlášť cenné v scenároch, v ktorých je kritická materiálová konzistentnosť a rozmerová presnosť, napríklad procesy priameho tvarovania tvrdého materiálu.

Bezkonkurenčná kvalita od Anhui Ningguo Dongbo Contenther Co., Ltd.
Za každým výnimočným produktom je spoločnosť zaviazaná k inováciám a kvalite. Spoločnosť Anhui Ningguo Dongbo Fastener Co., Ltd., založená v septembri 2005, si vybudovala povesť lídra v odvetví pripevňovania. S viac ako štyrmi desaťročiami skúseností, ktoré sa špecializujú na udržanie prsteňov, podložiek a riešení na mieru, spoločnosť kombinuje tradičné remeselné spracovanie s najmodernejšou technológiou.

Dongbo sa nachádza v Národnej zóne hospodárskeho a technologického rozvoja Ningguo a môže sa pochváliť najmodernejšími zariadeniami pokrývajúcimi 91 akrov a zamestnáva viac ako 530 kvalifikovaných odborníkov. Jeho odhodlanie k výskumu a vývoju zaisťuje, že výrobky ako M2400 SW Snap Ring spĺňajú vyvíjajúce sa potreby globálnych trhov. Či už produkuje štandardné diely alebo vývoj prispôsobených riešení, Dongbo dôsledne dodáva bezkonkurenčnú presnosť a trvanlivosť.

Kľúčové vlastnosti krúžku SW M2400 SW
Čo nastaví M2400 SW VYSOKÝ PRÍPRAVA PRÍPRAVA PRÍPRAVA od seba? Tu sú niektoré z jeho vynikajúcich funkcií:

Vynikajúca konzistentnosť materiálu: Vyrábaná pomocou pokročilých techník ponúka M2400 SW výnimočnú rozmerovú stabilitu a zabezpečuje optimálne prispôsobenie a funkciu v rôznych aplikáciách.
Dizajn s ťažkým náladom: Postavený tak, aby odolal extrémnym tlakom a odolával deformácii, je tento Snap Ring ideálny na použitie v prostrediach ťažkých strojov a vysoko stresov.
Schopnosť anti-zmeny: Na rozdiel od konvenčných zásnubných krúžkov M2400 SW minimalizuje riziko vytesnenia v dôsledku vibrácií alebo tepelných zmien, čím sa zvyšuje celková spoľahlivosť systému.
Univerzálnosť: Vhodný pre širokú škálu odvetví vrátane automobilového priemyslu, výstavby a výroby sa SW M2400 prispôsobuje rôznym prevádzkovým požiadavkám.

Záväzok k inováciám a dokonalosti
Jadrom úspechu spoločnosti Dongbo je vytrvalý záväzok k inováciám. Od štandardných častí produkujúcich hromadné výrobky až po ponúkanie komplexných jednotlivých riešení, spoločnosť naďalej posúva hranice. Tým, že zostal verný svojmu pôvodnému poslaniu-dodávania vysoko kvalitných a spoľahlivých produktov-Dongbo získal dôveru zákazníkov v priemyselných odvetviach.

Keďže priemyselné odvetvia sa vyvíjajú a dopyt stále sofistikovanejšie riešenia, nedá sa nadhodnotiť význam komponentov s presným inžinierstvom, ako je napríklad SW Snap Ring M2400 SW. Tieto malé, ale mocné zariadenia zohrávajú kľúčovú úlohu pri udržiavaní bežného moderného stroja plynulo, efektívne a bezpečne.