+86-563-4186973

Odošlite spätnú väzbu

Domov / Prehliadka

Kategórie výrobkov

Vyčistiť

Kontaktujte nás

Interná metrika Circlips-din472

Interné krúžky metrického DIN472 je zabránenie axiálnemu pohybu častí zostavených v diere. Zvyčajne sa nainštaluje v vopred spracovanom vnútornom drážke kruhového otvoru a je nainštalovaná so špeciálnymi klieštmi Circlip. Vonkajší priemer tohto typu kruhov je o niečo väčší ako priemer zostaveného kruhového otvoru.

Materiál: Konvenčná uhlíková oceľ a nehrdzavejúca oceľ (65 m, C67S, 2Cr13, 304, 1,4122 atď.)

Povrchové ošetrenie: Rôzne konvenčné štandardné metódy liečby, ako je fosfát, Dacromet, Geomet, Galvanizing, Plating zinočnatého, elektroforéza atď.

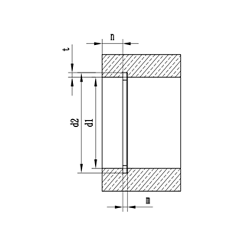
D1: Špecifikácia/nominálna veľkosť; S: Hrúbka; D3: Vonkajší priemer; A: Výška hlavy; ≈ B: šírka ramena; D5: malý otvor; WT: hmotnosť; FN: kapacita drážky; FR: kapacita ložiskového prsteňa (pravý uhol); G: Veľkosť skosenia; FRG: kapacita ložiska na zadržiavanie (komisár);

Interná metrika Circlips-din472

d1 S Tol d3 Tol max. ≈b D5 min Wt (g) d2 Tol m t N Fn (kN) FR (kN) g FRG (KN) K n · mm
8
0.80
–0.05
8.7
0,36 –0,10
2.4
1.1
1.0
0.10
8.4
0.09
0.90
0.20
0.6
0.86
2.0
0.5
1.5
9.2
9
0.80
–0.05
9.8
0,36 –0,10
2.5
1.3
1.0
0.13
9.4
0.09
0.90
0.20
0.6
0.96
2.0
0.5
1.5
8.4
10
1.00
–0.06
10.8
0,36 –0,10
3.2
1.4
1.2
0.26
10.4
0.11
1.10
0.20
0.6
1.08
4.0
0.5
2.2
19.6
11
1.00
–0.06
11.8
0,36 –0,10
3.3
1.5
1.2
0.31
11.4
0.11
1.10
0.20
0.6
1.17
4.0
0.5
2.3
21.0
12
1.00
–0.06
13.0
0,36 –0,10
3.4
1.7
1.5
0.37
12.5
0.11
1.10
0.25
0.8
1.60
4.0
0.5
2.3
20.2
13
1.00
–0.06
14.1
0,36 –0,10
3.6
1.8
1.5
0.42
13.6
0.11
1.10
0.30
0.9
2.10
4.2
0.5
2.3
20.3
14
1.00
–0.06
15.1
0,36 –0,10
3.7
1.8
1.7
0.52
14.6
0.11
1.10
0.30
0.9
2.25
4.5
0.5
2.3
19.7
15
1.00
–0.06
16.2
0,36 –0,10
3.7
2.0
1.7
0.56
15.7
0.11
1.10
0.35
1.1
2.80
5.0
0.5
2.3
19.0
16
1.00
–0.06
17.3
0,36 –0,10
3.8
2.0
1.7
0.60
16.8
0.11
1.10
0.40
1.2
3.40
5.5
1.0
2.6
18.4
17
1.00
–0.06
18.3
0,42 –0,13
3.9
2.1
1.7
0.65
17.8
0.11
1.10
0.40
1.2
3.60
6.0
1.0
2.5
18.1
18
1.00
–0.06
19.5
0,42 –0,13
4.1
2.2
2.0
0.74
19.0
0.13
1.10
0.50
1.5
4.80
6.5
1.0
2.6
18.2
19
1.00
–0.06
20.5
0,42 –0,13
4.1
2.2
2.0
0.73
20.0
0.13
1.10
0.50
1.5
5.10
6.8
1.0
2.6
17.2
20
1.00
–0.06
21.5
0,42 –0,13
4.1
2.3
2.0
0.90
21.0
0.13
1.10
0.50
1.5
5.40
7.2
1.0
2.6
16.9
21
1.00
–0.06
22.5
0,42 –0,13
4.2
2.4
2.0
1.00
22.0
0.13
1.10
0.50
1.5
5.70
7.6
1.0
2.6
17.2
22
1.00
–0.06
23.5
0,42 –0,13
4.2
2.5
2.0
1.10
23.0
0.13
1.10
0.50
1.5
5.90
8.0
1.0
2.7
17.6
23
1.20
–0.06
24.6
0,42 –0,13
4.2
2.5
2.0
1.34
24.1
0.13
1.30
0.55
1.7
6.80
8.0
1.0
4.6
28.8
24
1.20
–0.06
25.9
0,42 –0,21
4.3
2.6
2.0
1.42
25.2
0.21
1.30
0.60
1.8
7.70
13.9
1.0
4.6
28.4
25
1.20
–0.06
26.9
0,42 –0,21
4.5
2.7
2.0
1.50
26.2
0.21
1.30
0.60
1.8
8.00
14.6
1.0
4.7
29.0
26
1.20
–0.06
27.9
0,42 –0,21
4.7
2.8
2.0
1.60
27.2
0.21
1.30
0.60
1.8
8.40
13.8
1.0
4.6
27.8
27
1.20
–0.06
29.1
0,42 –0,21
4.7
2.9
2.0
1.75
28.4
0.21
1.30
0.70
2.1
10.10
13.3
1.0
4.5
26.6
28
1.20
–0.06
30.1
0,50 –0,25
4.8
2.9
2.0
1.80
29.4
0.21
1.30
0.70
2.1
10.50
13.3
1.0
4.5
26.3
29
1.20
–0.06
31.1
0,50 –0,25
4.8
3.0
2.0
1.88
30.4
0.25
1.30
0.70
2.1
10.90
13.6
1.0
4.6
26.8
30
1.20
–0.06
32.1
0,50 –0,25
4.8
3.0
2.0
2.06
31.4
0.25
1.30
0.70
2.1
11.30
13.7
1.0
4.6
26.6
31
1.20
–0.06
33.4
0,50 –0,25
5.2
3.1
2.5
2.10
32.7
0.25
1.30
0.85
2.6
14.10
13.8
1.0
4.7
26.8
32
1.20
–0.06
34.4
0,50 –0,25
5.4
3.2
2.5
2.21
33.7
0.25
1.30
0.85
2.6
14.60
13.8
1.0
4.7
26.6
33
1.20
–0.06
35.5
0,50 –0,25
5.4
3.3
2.5
2.40
34.7
0.25
1.30
0.85
2.6
15.00
14.3
1.0
4.9
27.0
34
1.50
–0.06
36.5
0,50 –0,25
5.4
3.3
2.5
3.20
35.7
0.25
1.60
0.85
2.6
15.40
26.2
1.5
6.3
50.0
35
1.50
–0.06
37.8
0,50 –0,25
5.4
3.4
2.5
3.54
37.0
0.25
1.60
1.00
3.0
18.80
26.9
1.5
6.4
50.5
36
1.50
–0.06
38.8
0,50 –0,25
5.4
3.5
2.5
3.70
38.0
0.25
1.60
1.00
3.0
19.40
26.4
1.5
6.4
50.2
37
1.50
–0.06
39.8
0,50 –0,25
5.5
3.6
2.5
3.74
39.0
0.25
1.60
1.00
3.0
19.80
27.1
1.5
6.5
51.0
38
1.50
–0.06
40.8
0,50 –0,25
5.5
3.7
2.5
3.90
40.0
0.25
1.60
1.00
3.0
22.50
28.2
1.5
6.7
51.7
39
1.50
–0.06
42.0
0,90 –0,39
5.6
3.8
2.5
4.00
41.0
0.25
1.60
1.00
3.0
26.00
28.8
1.5
6.9
52.4
40
1.75
–0.06
43.5
0,90 –0,39
5.8
3.9
2.5
4.70
42.5
0.25
1.85
1.25
3.8
27.00
44.6
2.0
8.3
80.1
41
1.75
–0.06
44.5
0,90 –0,39
5.9
4.0
2.5
5.10
43.5
0.25
1.85
1.25
3.8
27.60
45.0
2.0
8.3
81.2
42
1.75
–0.06
45.5
0,90 –0,39
5.9
4.1
2.5
5.40
44.5
0.25
1.85
1.25
3.8
28.40
44.7
2.0
8.4
80.9
43
1.75
–0.06
46.5
0,90 –0,39
5.9
4.2
2.5
5.60
45.5
0.25
1.85
1.25
3.8
28.80
44.5
2.0
8.4
80.5
44
1.75
–0.06
47.5
0,90 –0,39
6.0
4.2
2.5
5.80
46.5
0.25
1.85
1.25
3.8
29.50
43.3
2.0
8.3
78.6
45
1.75
–0.06
48.5
0,90 –0,39
6.2
4.3
2.5
6.00
47.5
0.25
1.85
1.25
3.8
30.20
43.1
2.0
8.2
78.1
46
1.75
–0.06
49.5
0,90 –0,39
6.3
4.4
2.5
6.05
48.5
0.25
1.85
1.25
3.8
30.80
42.9
2.0
8.2
77.8
47
1.75
–0.06
50.5
1,10 –0,46
6.4
4.4
2.5
6.10
49.5
0.25
1.85
1.25
3.8
31.40
43.5
2.0
8.3
78.9
48
1.75
–0.06
51.5
1,10 –0,46
6.4
4.5
2.5
6.70
50.5
0.30
1.85
1.25
3.8
32.00
43.2
2.0
8.4
78.5
50
2.00
–0.07
54.2
1,10 –0,46
6.5
4.6
2.5
7.30
53.0
0.30
2.15
1.50
4.5
40.50
60.8
2.0
12.1
111.0
51
2.00
–0.07
55.2
1,10 –0,46
6.5
4.7
2.5
7.75
54.0
0.30
2.15
1.50
4.5
41.20
60.2
2.0
12.0
109.0
52
2.00
–0.07
56.2
1,10 –0,46
6.7
4.7
2.5
8.20
55.0
0.30
2.15
1.50
4.5
42.00
60.2
2.0
12.0
108.0
53
2.00
–0.07
57.2
1,10 –0,46
6.7
4.9
2.5
8.22
56.0
0.30
2.15
1.50
4.5
42.90
60.7
2.0
12.1
110.0
54
2.00
–0.07
58.2
1,10 –0,46
6.7
5.0
2.5
8.25
57.0
0.30
2.15
1.50
4.5
43.60
60.4
2.0
12.3
110.0
55
2.00
–0.07
59.2
1,10 –0,46
6.8
5.0
2.5
8.30
58.0
0.30
2.15
1.50
4.5
44.40
60.3
2.0
12.5
111.0
56
2.00
–0.07
60.2
1,10 –0,46
6.8
5.1
2.5
8.80
59.0
0.30
2.15
1.50
4.5
45.20
60.3
2.0
12.6
111.0
57
2.00
–0.07
61.2
1,10 –0,46
6.8
5.1
2.5
9.40
60.0
0.30
2.15
1.50
4.5
46.00
60.8
2.0
12.7
112.0
58
2.00
–0.07
62.2
1,10 –0,46
6.9
5.2
2.5
10.50
61.0
0.30
2.15
1.50
4.5
46.70
60.8
2.0
12.7
112.0
60
2.00
–0.07
64.2
1,10 –0,46
7.3
5.4
2.5
11.10
63.0
0.30
2.15
1.50
4.5
48.30
61.0
2.0
13.0
113.0
62
2.00
–0.07
66.2
1,10 –0,46
7.3
5.5
2.5
11.20
65.0
0.30
2.15
1.50
4.5
49.80
60.9
2.0
13.0
112.0
63
2.00
–0.07
67.2
1,10 –0,46
7.3
5.6
2.5
12.40
66.0
0.30
2.15
1.50
4.5
50.60
60.8
2.0
13.0
112.0
64
2.00
–0.07
68.2
1,10 –0,46
7.4
5.7
2.5
12.45
67.0
0.30
2.15
1.50
4.5
51.40
60.6
2.0
13.0
112.0
65
2.50
–0.07
69.2
1,10 –0,46
7.6
5.8
3.0
14.30
68.0
0.30
2.65
1.50
4.5
51.80
121.0
2.5
20.8
220.0
67
2.50
–0.07
71.5
1,10 –0,46
7.7
6.0
3.0
15.30
70.0
0.30
2.65
1.50
4.5
53.80
121.0
2.5
21.1
222.0
68
2.50
–0.07
72.5
1,10 –0,46
7.8
6.1
3.0
16.00
71.0
0.30
2.65
1.50
4.5
56.20
119.0
2.5
21.0
218.0
70
2.50
–0.07
74.5
1,10 –0,46
7.8
6.2
3.0
16.50
73.0
0.30
2.65
1.50
4.5
56.20
119.0
2.5
21.0
218.0
72
2.50
–0.07
76.5
1,10 –0,46
7.8
6.4
3.0
18.10
75.0
0.30
2.65
1.50
4.5
58.00
119.0
2.5
21.0
217.0
75
2.50
–0.07
79.5
1,10 –0,46
7.8
6.6
3.0
18.80
78.0
0.30
2.65
1.50
4.5
60.00
118.0
2.5
21.0
215.0
77
2.50
–0.07
82.5
1,30 –0,54
8.5
6.8
3.0
20.40
80.0
0.30
2.65
1.50
4.5
61.60
121.0
2.5
21.5
220.0
78
2.50
–0.07
82.5
1,30 –0,54
8.5
6.8
3.0
20.40
81.0
0.35
2.65
1.50
4.5
62.30
122.0
2.5
21.8
221.0
80
2.50
–0.07
85.5
1,30 –0,54
8.5
7.0
3.0
22.00
83.5
0.35
2.65
1.75
5.3
74.60
120.0
2.5
21.8
219.0
81
2.50
–0.07
86.5
1,30 –0,54
8.5
7.0
3.0
23.00
84.5
0.35
2.65
1.75
5.3
75.80
119.0
2.5
21.6
216.0
82
2.50
–0.07
87.5
1,30 –0,54
8.5
7.0
3.0
24.00
85.5
0.35
2.65
1.75
5.3
76.60
119.0
2.5
21.4
214.0
83
2.50
–0.07
88.5
1,30 –0,54
8.5
7.0
3.0
25.00
86.5
0.35
2.65
1.75
5.3
77.50
118.0
2.5
21.2
213.0
85
3.00
–0.08
90.5
1,30 –0,54
8.6
7.2
3.5
25.30
88.5
0.35
3.15
1.75
5.3
79.50
201.0
3.0
31.2
364.0
87
3.00
–0.08
93.5
1,30 –0,54
8.6
7.4
3.5
31.00
90.5
0.35
3.15
1.75
5.3
81.30
204.0
3.0
31.8
370.0
88
3.00
–0.08
93.5
1,30 –0,54
8.6
7.4
3.5
31.00
91.5
0.35
3.15
1.75
5.3
82.00
209.0
3.0
32.7
380.0
90
3.00
–0.08
95.5
1,30 –0,54
8.6
7.6
3.5
33.00
93.5
0.35
3.15
1.75
5.3
84.00
199.0
3.0
31.4
364.0
92
3.00
–0.08
97.5
1,30 –0,54
8.7
7.8
3.5
35.00
95.5
0.35
3.15
1.75
5.3
85.00
201.0
3.0
32.0
371.0
95
3.00
–0.08
100.5
1,30 –0,54
8.8
8.1
3.5
37.00
98.5
0.35
3.15
1.75
5.3
88.00
195.0
3.0
31.4
365.0
97
3.00
–0.08
103.5
1,30 –0,54
9.0
8.3
3.5
41.00
100.5
0.35
3.15
1.75
5.3
90.00
193.0
3.0
31.2
364.0
98
3.00
–0.08
103.5
1,30 –0,54
9.0
8.3
3.5
41.00
101.5
0.35
3.15
1.75
5.3
91.00
191.0
3.0
31.0
361.0
100
3.00
–0.08
105.5
1,30 –0,54
9.2
8.4
3.5
42.00
103.5
0.35
3.15
1.75
5.3
93.00
188.0
3.0
30.8
359.0
102
4.00
–0,10
108.0
1,30 –0,54
9.5
8.5
3.5
55.00
106.0
0.54
4.15
2.00
6.0
108.00
439.0
3.0
72.6
846.0
105
4.00
–0,10
112.0
1,30 –0,54
9.5
8.7
3.5
56.00
109.0
0.54
4.15
2.00
6.0
112.00
436.0
3.0
73.0
850.0
107
4.00
–0,10
115.0
1,30 –0,54
9.5
8.9
3.5
60.00
111.0
0.54
4.15
2.00
6.0
114.00
425.0
3.0
71.6
834.0
108
4.00
–0,10
115.0
1,30 –0,54
9.5
8.9
3.5
60.00
112.0
0.54
4.15
2.00
6.0
115.00
419.0
3.0
71.0
825.0
110
4.00
–0,10
117.0
1,30 –0,54
10.4
9.0
3.5
64.50
114.0
0.54
4.15
2.00
6.0
117.00
415.0
3.0
71.0
824.0
112
4.00
–0,10
119.0
1,30 –0,54
10.5
9.1
3.5
72.00
116.0
0.54
4.15
2.00
6.0
119.00
418.0
3.0
72.0
837.0
115
4.00
–0,10
122.0
1,50 –0,63
10.5
9.3
3.5
74.50
119.0
0.54
4.15
2.00
6.0
122.00
409.0
3.0
71.2
829.0
117
4.00
–0,10
125.0
1,50 –0,63
10.7
9.6
3.5
75.50
121.0
0.63
4.15
2.00
6.0
124.00
399.0
3.0
70.0
814.0
118
4.00
–0,10
125.0
1,50 –0,63
10.7
9.6
3.5
75.50
122.0
0.63
4.15
2.00
6.0
125.00
394.0
3.0
69.3
807.0
120
4.00
–0,10
127.0
1,50 –0,63
11.0
9.7
3.5
77.00
124.0
0.63
4.15
2.00
6.0
127.00
396.0
3.0
70.0
818.0
122
4.00
–0,10
129.0
1,50 –0,63
11.0
9.8
4.0
78.00
126.0
0.63
4.15
2.00
6.0
129.00
399.0
3.0
71.0
829.0
125
4.00
–0,10
132.0
1,50 –0,63
11.0
10.0
4.0
79.00
129.0
0.63
4.15
2.00
6.0
132.00
385.0
3.0
70.0
809.0
127
4.00
–0,10
135.0
1,50 –0,63
11.0
10.0
4.0
81.00
131.0
0.63
4.15
2.00
6.0
135.00
383.0
3.0
70.0
808.0
128
4.00
–0,10
135.0
1,50 –0,63
11.0
10.2
4.0
81.00
132.0
0.63
4.15
2.00
6.0
136.00
378.0
3.0
69.0
802.0
130
4.00
–0,10
137.0
1,50 –0,63
11.0
10.2
4.0
82.00
134.0
0.63
4.15
2.00
6.0
138.00
374.0
3.0
69.0
801.0
132
4.00
–0,10
139.0
1,50 –0,63
11.0
10.3
4.0
83.00
136.0
0.63
4.15
2.00
6.0
140.00
366.0
3.0
68.0
789.0
135
4.00
–0,10
142.0
1,50 –0,63
11.2
10.5
4.0
84.00
139.0
0.63
4.15
2.00
6.0
143.00
358.0
3.0
67.0
781.0
137
4.00
–0,10
145.0
1,50 –0,63
11.2
10.6
4.0
86.00
141.0
0.63
4.15
2.00
6.0
145.00
356.0
3.0
67.0
780.0
138
4.00
–0,10
145.0
1,50 –0,63
11.2
10.6
4.0
86.00
142.0
0.63
4.15
2.00
6.0
146.00
352.0
3.0
66.5
775.0
140
4.00
–0,10
147.0
1,50 –0,63
11.2
10.7
4.0
87.50
144.0
0.63
4.15
2.00
6.0
148.00
350.0
3.0
66.5
775.0
142
4.00
–0,10
149.0
1,50 –0,63
11.3
10.8
4.0
89.00
146.0
0.63
4.15
2.00
6.0
150.00
342.0
3.0
65.5
764.0
145
4.00
–0,10
152.0
1,50 –0,63
11.4
10.9
4.0
93.00
149.0
0.63
4.15
2.00
6.0
153.00
336.0
3.0
65.0
757.0
147
4.00
–0,10
155.0
1,50 –0,63
11.8
11.1
4.0
100.00
151.0
0.63
4.15
2.00
6.0
156.00
336.0
3.0
65.0
757.0
148
4.00
–0,10
155.0
1,50 –0,63
11.8
11.1
4.0
100.00
152.0
0.63
4.15
2.00
6.0
157.00
331.0
3.0
64.5
753.0
150
4.00
–0,10
158.0
1,50 –0,63
12.0
11.2
4.0
105.00
155.0
0.63
4.15
2.50
7.5
191.00
326.0
3.0
64.0
748.0
152
4.00
–0,10
161.0
1,50 –0,63
12.0
11.3
4.0
106.00
157.0
0.63
4.15
2.50
7.5
202.00
326.0
3.5
55.0
747.0
155
4.00
–0,10
164.0
1,50 –0,63
12.0
11.4
4.0
107.00
160.0
0.63
4.15
2.50
7.5
206.00
324.0
3.5
55.0
743.0
157
4.00
–0,10
167.0
1,50 –0,63
12.3
11.5
4.0
109.00
162.0
0.63
4.15
2.50
7.5
208.00
328.0
3.5
55.5
752.0
158
4.00
–0,10
167.0
1,50 –0,63
12.3
11.5
4.0
109.00
163.0
0.63
4.15
2.50
7.5
210.00
326.0
3.5
55.0
747.0
160
4.00
–0,10
169.0
1,50 –0,63
13.0
11.6
4.0
110.00
165.0
0.63
4.15
2.50
7.5
212.00
321.0
3.5
54.5
737.0
162
4.00
–0,10
171.5
1,50 –0,63
13.0
11.7
4.0
118.00
167.0
0.63
4.15
2.50
7.5
215.00
321.0
3.5
54.5
736.0
165
4.00
–0,10
174.5
1,50 –0,63
13.0
11.8
4.0
125.00
170.0
0.63
4.15
2.50
7.5
219.00
319.0
3.5
54.0
732.0
167
4.00
–0,10
177.5
1,50 –0,63
13.5
12.1
4.0
135.00
172.0
0.63
4.15
2.50
7.5
221.00
355.0
3.5
60.0
814.0
168
4.00
–0,10
177.5
1,50 –0,63
13.5
12.1
4.0
135.00
173.0
0.63
4.15
2.50
7.5
223.00
353.0
3.5
60.0
810.0
170
4.00
–0,10
179.5
1,50 –0,63
13.5
12.2
4.0
140.00
175.0
0.63
4.15
2.50
7.5
225.00
349.0
3.5
59.0
800.0
172
4.00
–0,10
181.5
1,70 –0,72
13.5
12.5
4.0
145.00
177.0
0.63
4.15
2.50
7.5
228.00
357.0
3.5
60.0
818.0
175
4.00
–0,10
184.5
1,70 –0,72
13.5
12.7
4.0
150.00
180.0
0.63
4.15
2.50
7.5
232.00
351.0
3.5
59.0
804.0
177
4.00
–0,10
187.5
1,70 –0,72
14.2
12.9
4.0
162.00
182.0
0.72
4.15
2.50
7.5
235.00
346.0
3.5
58.5
794.0
178
4.00
–0,10
187.5
1,70 –0,72
14.2
12.9
4.0
162.00
183.0
0.72
4.15
2.50
7.5
236.00
344.0
3.5
58.0
789.0
180
4.00
–0,10
189.5
1,70 –0,72
14.2
13.2
4.0
165.00
185.0
0.72
4.15
2.50
7.5
238.00
347.0
3.5
58.5
796.0
182
4.00
–0,10
191.5
1,70 –0,72
14.2
13.5
4.0
168.00
187.0
0.72
4.15
2.50
7.5
241.00
355.0
3.5
60.0
814.0
185
4.00
–0,10
194.5
1,70 –0,72
14.2
13.7
4.0
170.00
190.0
0.72
4.15
2.50
7.5
245.00
349.0
3.5
59.0
800.0
187
4.00
–0,10
197.5
1,70 –0,72
14.2
13.8
4.0
174.00
192.0
0.72
4.15
2.50
7.5
248.00
345.0
3.5
58.5
792.0
188
4.00
–0,10
197.5
1,70 –0,72
14.2
13.8
4.0
174.00
193.0
0.72
4.15
2.50
7.5
249.00
343.0
3.5
58.0
786.0
190
4.00
–0,10
199.5
1,70 –0,72
14.2
13.8
4.0
175.00
195.0
0.72
4.15
2.50
7.5
251.00
340.0
3.5
57.5
779.0
192
4.00
–0,10
201.5
1,70 –0,72
14.2
13.8
4.0
178.00
197.0
0.72
4.15
2.50
7.5
254.00
336.0
3.5
57.0
770.0
195
4.00
–0,10
204.5
1,70 –0,72
14.2
13.8
4.0
183.00
200.0
0.72
4.15
2.50
7.5
258.00
330.0
3.5
55.5
756.0
197
4.00
–0,10
207.5
1,70 –0,72
14.2
14.0
4.0
190.00
202.0
0.72
4.15
2.50
7.5
260.00
330.0
3.5
55.5
756.0
198
4.00
–0,10
207.5
1,70 –0,72
14.2
14.0
4.0
190.00
203.0
0.72
4.15
2.50
7.5
262.00
329.0
3.5
55.5
754.0
200
4.00
–0,10
209.5
1,70 –0,72
14.2
14.0
4.0
195.00
205.0
0.72
4.15
2.50
7.5
265.00
325.0
3.5
55.0
745.0
202
5.00
–0.12
214.0
1,70 –0,72
14.2
14.0
4.0
210.00
208.0
0.72
5.15
3.00
9.0
321.00
625.0
4.0
92.5
1432.0
205
5.00
–0.12
217.0
1,70 –0,72
14.2
14.0
4.0
225.00
211.0
0.72
5.15
3.00
9.0
326.00
616.0
4.0
91.5
1411.0
207
5.00
–0.12
217.0
1,70 –0,72
14.2
14.0
4.0
225.00
213.0
0.72
5.15
3.00
9.0
329.00
610.0
4.0
90.0
1399.0
208
5.00
–0.12
222.0
1,70 –0,72
14.2
14.0
4.0
270.00
214.0
0.72
5.15
3.00
9.0
331.00
607.0
4.0
90.0
1392.0
210
5.00
–0.12
222.0
1,70 –0,72
14.2
14.0
4.0
270.00
216.0
0.72
5.15
3.00
9.0
333.00
601.0
4.0
89.5
1378.0
212
5.00
–0.12
222.0
1,70 –0,72
14.2
14.0
4.0
270.00
218.0
0.72
5.15
3.00
9.0
337.00
596.0
4.0
88.5
1367.0
215
5.00
–0.12
227.0
1,70 –0,72
14.2
14.0
4.0
300.00
221.0
0.72
5.15
3.00
9.0
341.00
586.0
4.0
87.0
1343.0
217
5.00
–0.12
227.0
1,70 –0,72
14.2
14.0
4.0
300.00
223.0
0.72
5.15
3.00
9.0
345.00
581.0
4.0
86.0
1331.0
218
5.00
–0.12
232.0
1,70 –0,72
14.2
14.0
4.0
315.00
224.0
0.72
5.15
3.00
9.0
346.00
580.0
4.0
86.0
1329.0
220
5.00
–0.12
232.0
1,70 –0,72
14.2
14.0
4.0
315.00
226.0
0.72
5.15
3.00
9.0
349.00
574.0
4.0
85.0
1316.0
222
5.00
–0.12
232.0
1,70 –0,72
14.2
14.0
4.0
315.00
228.0
0.72
5.15
3.00
9.0
353.00
568.0
4.0
84.0
1303.0
225
5.00
–0.12
237.0
1,70 –0,72
14.2
14.0
4.0
323.00
231.0
0.72
5.15
3.00
9.0
357.00
560.0
4.0
83.0
1283.0
227
5.00
–0.12
237.0
1,70 –0,72
14.2
14.0
4.0
323.00
233.0
0.72
5.15
3.00
9.0
361.00
555.0
4.0
82.0
1271.0
228
5.00
–0.12
242.0
1,70 –0,72
14.2
14.0
4.0
330.00
234.0
0.72
5.15
3.00
9.0
362.00
554.0
4.0
82.0
1268.0
230
5.00
–0.12
242.0
1,70 –0,72
14.2
14.0
4.0
330.00
236.0
0.72
5.15
3.00
9.0
365.00
549.0
4.0
81.0
1259.0
232
5.00
–0.12
242.0
2,00 –0,81
14.2
14.0
4.0
330.00
238.0
0.72
5.15
3.00
9.0
369.00
544.0
4.0
80.5
1246.0
235
5.00
–0.12
247.0
2,00 –0,81
14.2
14.0
4.0
338.00
241.0
0.72
5.15
3.00
9.0
373.00
536.0
4.0
79.5
1229.0
237
5.00
–0.12
247.0
2,00 –0,81
14.2
14.0
4.0
338.00
243.0
0.72
5.15
3.00
9.0
376.00
531.0
4.0
79.0
1217.0
238
5.00
–0.12
252.0
2,00 –0,81
14.2
14.0
4.0
345.00
244.0
0.72
5.15
3.00
9.0
378.00
530.0
4.0
79.0
1214.0
240
5.00
–0.12
252.0
2,00 –0,81
14.2
14.0
4.0
345.00
246.0
0.72
5.15
3.00
9.0
380.00
525.0
4.0
77.5
1204.0
242
5.00
–0.12
252.0
2,00 –0,81
14.2
14.0
4.0
345.00
248.0
0.81
5.15
3.00
9.0
385.00
521.0
4.0
77.0
1194.0
245
5.00
–0.12
257.0
2,00 –0,81
14.2
14.0
4.0
353.00
251.0
0.81
5.15
3.00
9.0
389.00
514.0
4.0
76.5
1178.0
247
5.00
–0.12
257.0
2,00 –0,81
14.2
14.0
4.0
353.00
253.0
0.81
5.15
3.00
9.0
392.00
509.0
4.0
76.0
1167.0
248
5.00
–0.12
262.0
2,00 –0,81
14.2
14.0
4.0
360.00
254.0
0.81
5.15
3.00
9.0
394.00
507.0
4.0
75.5
1163.0
250
5.00
–0.12
262.0
2,00 –0,81
14.2
14.0
4.0
360.00
256.0
0.81
5.15
3.00
9.0
396.00
504.0
4.0
75.0
1155.0
252
5.00
–0.12
262.0
2,00 –0,81
14.2
16.0
5.0
360.00
260.0
0.81
5.15
4.00
12.0
535.00
557.0
4.0
83.0
1277.0
255
5.00
–0.12
270.0
2,00 –0,81
16.2
16.0
5.0
368.00
263.0
0.81
5.15
4.00
12.0
541.00
549.0
4.0
81.5
1259.0
257
5.00
–0.12
270.0
2,00 –0,81
16.2
16.0
5.0
368.00
265.0
0.81
5.15
4.00
12.0
546.00
545.0
4.0
81.0
1249.0
258
5.00
–0.12
275.0
2,00 –0,81
16.2
16.0
5.0
375.00
266.0
0.81
5.15
4.00
12.0
548.00
543.0
4.0
80.5
1244.0
260
5.00
–0.12
275.0
2,00 –0,81
16.2
16.0
5.0
375.00
268.0
0.81
5.15
4.00
12.0
553.00
538.0
4.0
80.0
1234.0
262
5.00
–0.12
275.0
2,00 –0,81
16.2
16.0
5.0
375.00
270.0
0.81
5.15
4.00
12.0
556.00
535.0
4.0
79.0
1227.0
265
5.00
–0.12
280.0
2,00 –0,81
16.2
16.0
5.0
383.00
273.0
0.81
5.15
4.00
12.0
563.00
528.0
4.0
78.5
1210.0
267
5.00
–0.12
280.0
2,00 –0,81
16.2
16.0
5.0
383.00
275.0
0.81
5.15
4.00
12.0
566.00
524.0
4.0
78.0
1201.0
268
5.00
–0.12
285.0
2,00 –0,81
16.2
16.0
5.0
388.00
276.0
0.81
5.15
4.00
12.0
570.00
522.0
4.0
77.5
1196.0
270
5.00
–0.12
285.0
2,00 –0,81
16.2
16.0
5.0
388.00
278.0
0.81
5.15
4.00
12.0
573.00
518.0
4.0
77.0
1188.0
272
5.00
–0.12
285.0
2,00 –0,81
16.2
16.0
5.0
388.00
280.0
0.81
5.15
4.00
12.0
577.00
515.0
4.0
76.5
1180.0
275
5.00
–0.12
290.0
2,00 –0,81
16.2
16.0
5.0
393.00
283.0
0.81
5.15
4.00
12.0
585.00
509.0
4.0
75.5
1167.0
277
5.00
–0.12
290.0
2,00 –0,81
16.2
16.0
5.0
393.00
285.0
0.81
5.15
4.00
12.0
587.00
505.0
4.0
75.0
1158.0
278
5.00
–0.12
295.0
2,00 –0,81
16.2
16.0
5.0
400.00
286.0
0.81
5.15
4.00
12.0
590.00
504.0
4.0
75.0
1154.0
280
5.00
–0.12
295.0
2,00 –0,81
16.2
16.0
5.0
400.00
288.0
0.81
5.15
4.00
12.0
593.00
499.0
4.0
74.0
1145.0
282
5.00
–0.12
295.0
2,00 –0,81
16.2
16.0
5.0
400.00
290.0
0.81
5.15
4.00
12.0
599.00
497.0
4.0
74.0
1138.0
285
5.00
–0.12
300.0
2,00 –0,81
16.2
16.0
5.0
408.00
293.0
0.81
5.15
4.00
12.0
605.00
491.0
4.0
73.0
1124.0
287
5.00
–0.12
300.0
2,00 –0,81
16.2
16.0
5.0
408.00
295.0
0.81
5.15
4.00
12.0
610.00
487.0
4.0
72.0
1117.0
288
5.00
–0.12
305.0
2,00 –0,81
16.2
16.0
5.0
415.00
296.0
0.81
5.15
4.00
12.0
611.00
485.0
4.0
72.0
1111.0
290
5.00
–0.12
305.0
2,00 –0,81
16.2
16.0
5.0
415.00
298.0
0.81
5.15
4.00
12.0
615.00
482.0
4.0
71.5
1104.0
292
5.00
–0.12
305.0
2,00 –0,81
16.2
16.0
5.0
415.00
300.0
0.81
5.15
4.00
12.0
620.00
479.0
4.0
71.0
1098.0
295
5.00
–0.12
310.0
2,00 –0,81
16.2
16.0
5.0
426.00
303.0
0.81
5.15
4.00
12.0
625.00
474.0
4.0
70.5
1087.0
297
5.00
–0.12
310.0
2,00 –0,81
16.2
16.0
5.0
426.00
305.0
0.81
5.15
4.00
12.0
630.00
471.0
4.0
70.5
1079.0
298
5.00
–0.12
315.0
2,00 –0,81
16.2
16.0
5.0
435.00
306.0
0.81
5.15
4.00
12.0
631.00
469.0
4.0
69.5
1075.0
300
5.00
–0.12
315.0
2,00 –0,81
16.2
16.0
5.0
435.00
308.0
0.81
5.15
4.00
12.0
636.00
466.0
4.0
69.0
1068.0
305
6.00
–0,15
322.0
2,00 –0,90
16 (20)
6.0
755.00
315.0
0.81
6.20
5.00
15.0
810.00
961.0
5.0
114.0
2202.0
310
6.00
–0,15
327.0
2,00 –0,90
16 (20)
6.0
770.00
320.0
0.89
6.20
5.00
15.0
823.00
947.0
5.0
113.0
2169.0
315
6.00
–0,15
332.0
2,00 –0,90
16 (20)
6.0
785.00
325.0
0.89
6.20
5.00
15.0
837.00
934.0
5.0
111.0
2140.0
320
6.00
–0,15
337.0
2,00 –0,90
16 (20)
6.0
800.00
330.0
0.89
6.20
5.00
15.0
850.00
919.0
5.0
109.0
2105.0
325
6.00
–0,15
342.0
2,00 –0,90
16 (20)
6.0
810.00
335.0
0.89
6.20
5.00
15.0
864.00
906.0
5.0
108.0
2076.0
330
6.00
–0,15
347.0
2,00 –0,90
16 (20)
6.0
820.00
340.0
0.89
6.20
5.00
15.0
876.00
894.0
5.0
106.0
2048.0
335
6.00
–0,15
352.0
2,00 –0,90
16 (20)
6.0
830.00
345.0
0.89
6.20
5.00
15.0
890.00
880.0
5.0
105.0
2017.0
340
6.00
–0,15
357.0
2,00 –0,90
16 (20)
6.0
840.00
350.0
0.89
6.20
5.00
15.0
903.00
869.0
5.0
104.0
1991.0
345
6.00
–0,15
362.0
2,00 –0,90
16 (20)
6.0
855.00
355.0
0.89
6.20
5.00
15.0
916.00
857.0
5.0
102.0
1964.0
350
6.00
–0,15
367.0
2,00 –0,90
16 (20)
6.0
870.00
360.0
0.89
6.20
5.00
15.0
929.00
846.0
5.0
101.0
1938.0
355
6.00
–0,15
372.0
2,00 –0,90
16 (20)
6.0
880.00
365.0
0.89
6.20
5.00
15.0
942.00
834.0
5.0
99.0
1910.0
360
6.00
–0,15
377.0
2,00 –0,90
16 (20)
6.0
890.00
370.0
0.89
6.20
5.00
15.0
955.00
823.0
5.0
98.0
1886.0
365
6.00
–0,15
382.0
2,00 –0,90
16 (20)
6.0
906.00
375.0
0.89
6.20
5.00
15.0
968.00
813.0
5.0
97.0
1862.0
370
6.00
–0,15
387.0
2,00 –0,90
16 (20)
6.0
920.00
380.0
0.89
6.20
5.00
15.0
981.00
803.0
5.0
95.0
1839.0
375
6.00
–0,15
392.0
2,00 –0,90
16 (20)
6.0
932.00
385.0
0.89
6.20
5.00
15.0
994.00
793.0
5.0
94.0
1817.0
380
6.00
–0,15
397.0
2,00 –0,90
16 (20)
6.0
940.00
390.0
0.89
6.20
5.00
15.0
1008.00
784.0
5.0
93.0
1796.0
385
6.00
–0,15
402.0
2,00 –1,00
16 (20)
6.0
950.00
395.0
0.89
6.20
5.00
15.0
1021.00
774.0
5.0
92.0
1774.0
390
6.00
–0,15
407.0
2,00 –1,00
16 (20)
6.0
960.00
400.0
0.89
6.20
5.00
15.0
1033.00
764.0
5.0
91.0
1751.0
395
6.00
–0,15
412.0
2,00 –1,00
16 (20)
6.0
972.00
405.0
1.00
6.20
5.00
15.0
1047.00
756.0
5.0
90.0
1732.0
400
6.00
–0,15
417.0
2,00 –1,00
16 (20)
6.0
980.00
410.0
1.00
6.20
5.00
15.0
1060.00
746.0
5.0
89.0
1710.0
410
7.00
–0,15
430.0
2,00 –1,00
23 (26)
6.0
1380.00
422.0
1.00
7.20
6.00
18.0
1307.00
1512.0
6.0
150.0
3463.0
420
7.00
–0,15
440.0
2,00 –1,00
23 (26)
6.0
1410.00
432.0
1.00
7.20
6.00
18.0
1338.00
1480.0
6.0
147.0
3391.0
430
7.00
–0,15
450.0
2,00 –1,00
23 (26)
6.0
1440.00
442.0
1.00
7.20
6.00
18.0
1369.00
1446.0
6.0
144.0
3312.0
440
7.00
–0,15
460.0
2,00 –1,00
23 (26)
6.0
1470.00
452.0
1.00
7.20
6.00
18.0
1401.00
1418.0
6.0
141.0
3248.0
450
7.00
–0,15
470.0
2,00 –1,00
23 (26)
6.0
1510.00
462.0
1.00
7.20
6.00
18.0
1431.00
1388.0
6.0
138.0
3180.0
460
7.00
–0,15
480.0
2,00 –1,00
23 (26)
6.0
1550.00
472.0
1.00
7.20
6.00
18.0
1464.00
1360.0
6.0
135.0
3116.0
470
7.00
–0,15
490.0
2,00 –1,00
23 (26)
6.0
1595.00
482.0
1.00
7.20
6.00
18.0
1495.00
1330.0
6.0
132.0
3048.0
480
7.00
–0,15
500.0
2,00 –1,00
23 (26)
6.0
1640.00
492.0
1.00
7.20
6.00
18.0
1526.00
1306.0
6.0
130.0
2991.0
490
7.00
–0,15
510.0
3,00 –1,50
23 (26)
6.0
1685.00
502.0
1.00
7.20
6.00
18.0
1558.00
1280.0
6.0
127.0
2931.0
500
7.00
–0,15
520.0
3,00 –1,50
23 (26)
6.0
1730.00
512.0
1.00
7.20
6.00
18.0
1588.00
1256.0
6.0
125.0
2878.0
510
8.00
–0,15
535.0
3,00 –1,50
23 (26)
6.0
2250.00
524.0
1.00
8.20
7.00
21.0
1894.00
1834.0
7.0
156.0
4201.0
520
8.00
–0,15
545.0
3,00 –1,50
23 (26)
6.0
2290.00
534.0
1.00
8.20
7.00
21.0
1931.00
1802.0
7.0
153.0
4128.0
530
8.00
–0,15
555.0
3,00 –1,50
23 (26)
6.0
2335.00
544.0
1.00
8.20
7.00
21.0
1968.00
1768.0
7.0
150.0
4049.0
540
8.00
–0,15
565.0
3,00 –1,50
23 (26)
6.0
2380.00
554.0
1.00
8.20
7.00
21.0
2004.00
1738.0
7.0
148.0
3981.0
550
8.00
–0,15
575.0
3,00 –1,50
23 (26)
6.0
2430.00
564.0
1.00
8.20
7.00
21.0
2041.00
1711.0
7.0
145.0
3919.0
560
8.00
–0,15
585.0
3,00 –1,50
23 (26)
6.0
2495.00
574.0
1.00
8.20
7.00
21.0
2078.00
1682.0
7.0
143.0
3852.0
570
8.00
–0,15
595.0
3,00 –1,50
23 (26)
6.0
2560.00
584.0
1.00
8.20
7.00
21.0
2114.00
1650.0
7.0
141.0
3790.0
580
8.00
–0,15
605.0
3,00 –1,50
23 (26)
6.0
2625.00
594.0
1.00
8.20
7.00
21.0
2151.00
1627.0
7.0
138.0
3728.0
590
8.00
–0,15
615.0
3,00 –1,50
23 (26)
6.0
2700.00
604.0
1.00
8.20
7.00
21.0
2188.00
1601.0
7.0
136.0
3668.0
600
8.00
–0,15
625.0
3,00 –1,50
23 (26)
6.0
2770.00
614.0
1.00
8.20
7.00
21.0
2221.00
1571.0
7.0
134.0
3598.0
650
9.00
–0,20
680.0
3,00 –1,50
23 (34)
6.0
3600.00
666.0
1.00
9.30
8.00
24.0
2753.00
2654.0
7.0
226.0
6078.0
700
9.00
–0,20
730.0
4,00 –2,00
23 (34)
6.0
4120.00
716.0
1.00
9.30
8.00
24.0
2966.00
2471.0
7.0
210.0
5661.0
750
9.00
–0,20
785.0
4,00 –2,00
23 (34)
9.0
4540.00
768.0
1.00
9.30
9.00
27.0
3566.00
2310.0
7.0
196.0
5285.0
800
9.00
–0,20
835.0
4,00 –2,00
23 (34)
9.0
5450.00
818.0
1.00
9.30
9.00
27.0
3800.00
2176.0
7.0
184.0
4980.0
850
9.00
–0,20
890.0
4,00 –2,00
23 (34)
9.0
5990.00
870.0
1.00
9.30
10.00
30.0
4500.00
2045.0
7.0
173.0
4680.0
900
9.00
–0,20
940.0
4,00 –2,00
23 (34)
9.0
6740.00
920.0
1.00
9.30
10.00
30.0
4766.00
1938.0
7.0
164.0
4435.0
950
9.00
–0,20
1000.0
4,00 –2,00
23 (34)
9.0
7930.00
972.0
1.00
9.30
11.00
33.0
5608.00
1840.0
7.0
156.0
4210.0
1000
9.00
–0,20
1050.0
4,00 –2,00
23 (34)
9.0
8880.00
1022.0
1.00
9.30
11.00
33.0
5825.00
1752.0
7.0
148.0
4010.0

Vnútorný reverzný Circlips-M1308 JV

Vnútorné reverzné krúžky pre otvor je druh elastického prvku, ktorý sa používa na pripojenie a upevnenie častí. Jeho funkciou je tvoriť určitú predpätie sily na spojovacie časti, aby sa zabezpečila spoľahlivosť a utesnenie pripojenia. Po inštalácii je jej elastická deformácia v opačnom smere ako v prípade bežných elastických krúžkov pre otvor.

Materiál: Konvenčná uhlíková oceľ a nehrdzavejúca oceľ (65 m, C67S, 2Cr13, 304, 1,4122 atď.).

Povrchové ošetrenie: Všetky druhy konvenčnej štandardnej liečby, ako je fosfát, Dacromet, Jumet, Plating zinku, pokovovanie niklu zinku, elektroforéza atď.

D1: Špecifikácia/nominálna veľkosť; S: Hrúbka; D3: Vonkajší priemer; B: Šírka ramena; D5: malý otvor; WT: hmotnosť; FN: kapacita drážky; FR: kapacita ložiskového prsteňa (pravý uhol); G: Veľkosť skosenia; FRG: kapacita ložiska na zadržiavanie (komisár);

Vnútorný reverzný Circlips-M1308 JV

d1 S Tol d3 Tol b Tol D5 min Wt (g) d2 Tol m min t n Fn (kN) FR (kN) g FRG (KN) K n · mm
10
0.6
–0.05
10.9
0,42 –0,13
1.5
± 0,1
0.9
0.15
10.5
0.11
0.7
0.25
0.7
0.52
1.7
0.5
1
5.7
12
0.6
–0.05
13.1
0,42 –0,13
1.8
± 0,1
1
0.25
12.6
0.11
0.7
0.3
0.9
0.75
1.8
0.8
1
5.5
15
0.8
–0.05
16.1
0,42 –0,13
2
± 0,1
1
0.41
15.7
0.11
0.9
0.35
1
1.33
3.3
1
1.9
11
16
1
–0.06
17.3
0,42 –0,13
2.1
± 0,1
1.3
0.53
16.8
0.11
1.1
0.4
1.2
1.67
5.2
1
3.1
22.7
17
1
–0.06
18.3
0,42 –0,13
2.1
± 0,1
1.3
0.58
17.8
0.11
1.1
0.4
1.2
1.7
5.8
1
3
21.2
18
1
–0.06
19.5
0,42 –0,13
2.2
± 0,1
1.3
0.62
19
0.15
1.1
0.5
1.5
1.78
6.3
1
3
20.4
19
1
–0.06
20.5
0,42 –0,13
2.2
± 0,1
1.3
0.66
20
0.15
1.1
0.5
1.5
2.5
6.6
1
2.8
19.2
20
1
–0.06
21.5
0,42 –0,13
2.3
± 0,1
1.3
0.8
21
0.15
1.1
0.5
1.5
2.66
7
1
2.9
19
21
1
–0.06
22.5
0,42 –0,13
2.4
± 0,1
1.3
0.81
22
0.15
1.1
0.5
1.5
2.73
7.4
1
2.8
18.5
22
1
–0.06
23.5
0,42 –0,13
2.4
± 0,1
1.3
0.83
23
0.15
1.1
0.5
1.5
2.8
7.5
1
2.8
17.8
24
1.2
–0.06
25.9
0,42 –0,21
2.8
± 0,1
1.5
1.3
25.2
0.21
1.3
0.6
1.8
3.68
14.5
1
4.8
29.9
25
1.2
–0.06
26.9
0,42 –0,21
2.8
± 0,1
1.5
1.4
26.2
0.21
1.3
0.6
1.8
4
14.8
1
5
30.6
26
1.2
–0.06
27.9
0,42 –0,21
3
± 0,1
1.5
1.5
27.2
0.21
1.3
0.6
1.8
4.17
15.3
1
5.2
31.4
27
1.2
–0.06
29.1
0,42 –0,21
3
± 0,1
1.5
1.53
28.4
0.21
1.3
0.7
2.1
5
15
1
5.1
29.9
28
1.2
–0.06
30.1
0,50 –0,25
3.1
± 0,1
1.5
1.8
29.4
0.21
1.3
0.7
2.1
5.1
15.3
1
5.2
30.4
30
1.2
–0.06
32.1
0,50 –0,25
3.2
± 0,1
1.5
2.03
31.4
0.25
1.3
0.7
2.1
5.5
14.9
1
5.1
29
32
1.2
–0.06
34.4
0,50 –0,25
3.3
± 0,1
1.5
2.05
33.7
0.25
1.3
0.85
2.5
7
14.1
1
4.9
27.4
33
1.2
–0.06
35.5
0,50 –0,25
3.3
± 0,1
1.5
2.35
34.7
0.25
1.3
0.85
2.5
7.3
13.8
1
4.8
26.6
35
1.5
–0.06
37.8
0,50 –0,25
3.4
± 0,1
1.7
3.2
37
0.25
1.6
1
3
9.2
26.4
1.5
6.3
49.6
36
1.5
–0.06
38.8
0,50 –0,25
3.6
± 0,1
1.7
3.23
38
0.25
1.6
1
3
9.7
27.5
1.5
6.6
51.5
38
1.5
–0.06
40.8
0,50 –0,25
3.8
± 0,1
1.7
3.68
40
0.25
1.6
1
3
10.2
28
1.5
6.7
51.2
40
1.75
–0.06
43.5
0,90 –0,39
4.2
± 0,2
2
4.75
42.5
0.25
1.85
1.25
3.8
13.5
45.5
2
8.4
82.5
42
1.75
–0.06
45.5
0,90 –0,39
4.2
± 0,2
2
5.2
44.5
0.25
1.85
1.25
3.8
14.1
45.5
2
8.5
82.5
45
1.75
–0.06
48.5
0,90 –0,39
4.2
± 0,2
2
6
47.5
0.25
1.85
1.25
3.8
15
44
2
8.4
79.5
47
1.75
–0.06
50.5
1,10 –0,46
4.7
± 0,2
2
6.5
49.5
0.25
1.85
1.25
3.8
15.8
45
2
8.7
81.3
48
1.75
–0.06
51.5
1,10 –0,46
4.7
± 0,2
2
7
50.5
0.3
1.85
1.25
3.8
16
48
2
9.1
85.8
50
2
–0.07
54.2
1,10 –0,46
5.2
± 0,2
2.5
8.5
53
0.3
2.15
1.5
4.5
20
69
2
13.4
124
52
2
–0.07
56.2
1,10 –0,46
5.2
± 0,2
2.5
9
55
0.3
2.15
1.5
4.5
20.8
66.5
2
13.3
121
55
2
–0.07
59.2
1,10 –0,46
5.2
± 0,2
2.5
10
58
0.3
2.15
1.5
4.5
22.2
66
2
13.3
118
57
2
–0.07
61.2
1,10 –0,46
5.2
± 0,2
2.5
10.25
60
0.3
2.15
1.5
4.5
23
65
2
13.1
115
58
2
–0.07
62.2
1,10 –0,46
5.2
± 0,2
2.5
10.5
61
0.3
2.15
1.5
4.5
23.3
64
2
12.9
113
60
2
–0.07
64.2
1,10 –0,46
5.2
± 0,2
2.5
11.25
63
0.3
2.15
1.5
4.5
24.2
62
2
12.7
111
62
2
–0.07
66.2
1,10 –0,46
5.2
± 0,2
2.5
11.75
65
0.3
2.15
1.5
4.5
25
60
2
12.3
107
65
2.5
–0.07
69.2
1,10 –0,46
5.7
± 0,2
2.5
16.25
68
0.3
2.65
1.5
4.5
25.8
122
2.5
20.6
218
67
2.5
–0.07
71.5
1,10 –0,46
5.7
± 0,3
2.5
17.3
70
0.3
2.65
1.5
4.5
26.8
122
2.5
20.8
218
68
2.5
–0.07
72.5
1,10 –0,46
5.7
± 0,3
2.5
17.75
71
0.3
2.65
1.5
4.5
27.2
123
2.5
21
220
72
2.5
–0.07
76.5
1,10 –0,46
6
± 0,3
2.5
19.6
75
0.3
2.65
1.5
4.5
28.8
119
2.5
20.8
214
80
2.5
–0.07
85.5
1,30 –0,54
6
± 0,3
2.5
22.9
83.5
0.35
2.65
1.75
5.3
37.4
110
2.5
19.6
196
85
3
–0.08
90.5
1,30 –0,54
6.6
± 0,3
3
30
88.5
0.35
3.15
1.75
5.3
39.7
176
3
27.2
318
90
3
–0.08
95.5
1,30 –0,54
6.6
± 0,3
3
33
93.5
0.35
3.15
1.75
5.3
42
169
3
26.6
309
95
3
–0.08
100.5
1,30 –0,54
7.4
± 0,3
3
37.5
98.5
0.35
3.15
1.75
5.3
43.5
168
3
27
315
100
3
–0.08
105.5
1,30 –0,54
7.4
± 0,3
3
41.9
103.5
0.35
3.15
1.75
5.3
46.7
165
3
26.8
312

Vnútorné zadržiavacie krúžky s vnútorným zubom-din984

Hlavnou funkciou vnútorných zadržiavacích krúžkov s vnútorným zubom je zastaviť axiálny pohyb častí zostavených v diere. Vnútorná časť zubov vydrží určitý stupeň nárazu na dosiahnutie blokovacieho účinku.

Materiál: Konvenčná uhlíková oceľ a nehrdzavejúca oceľ (65 m, C67S, 2Cr13, 304, 1,4122 atď.)

Povrchové ošetrenie: Všetky druhy konvenčnej štandardnej liečby, ako je fosfát, Dacromet, Jumet, Plating zinku, pokovovanie niklu zinku, elektroforéza atď.

D1: Špecifikácia/nominálna veľkosť; S: Hrúbka; D3: Vonkajší priemer; A: Výška hlavy; ≈B: šírka ramena; D5: malý otvor; WT: hmotnosť; FN: kapacita drážky; FR: kapacita ložiskového prsteňa (pravý uhol); G: Veľkosť skosenia; FRG: kapacita ložiskového kruhu (skosenie); FL: axiálna pružina; L: Výbava kompenzácie;

Vnútorné zadržiavacie krúžky s vnútorným zubom-din984

d1 S Tol d3 Tol max. ≈b D5 min Wt (g) d2 Tol m n Fn (kN) FR (kN) g FRG (KN) Fl L
16
1
–0.06
17.3
0,42 –0,13
3.4
2.1
1.7
0.72
16.8
0.11
0.70
1.2
3.40
5.5
1.0
2.5
0.05
0.25
17
1
–0.06
18.3
0,42 –0,13
3.7
2.2
1.7
0.80
17.8
0.11
0.70
1.2
3.60
6
1.0
2.5
0.08
0.25
18
1
–0.06
19.5
0,42 –0,13
4.1
2.3
2.0
0.90
19.0
0.15
0.90
1.5
4.80
6.5
1.0
2.6
0.14
0.25
19
1
–0.06
20.5
0,42 –0,13
3.8
2.3
2.0
0.99
20.0
0.15
0.90
1.5
5.10
6.8
1.0
2.6
0.17
0.25
20
1
–0.06
21.5
0,42 –0,13
3.9
2.4
2.0
1.06
21.0
0.15
1.10
1.5
5.40
7.2
1.0
2.6
0.31
0.25
21
1
–0.06
22.5
0,42 –0,13
4.0
2.4
2.0
1.17
22.0
0.15
1.10
1.5
5.70
7.6
1.0
2.6
0.30
0.25
22
1
–0.06
23.5
0,42 –0,13
4.0
2.6
2.0
1.28
23.0
0.15
1.10
1.5
5.90
8
1.0
2.7
0.46
0.35
23
1.2
–0.06
24.6
0,42 –0,13
4.1
2.6
2.0
1.48
24.1
0.15
1.30
1.6
6.80
13.8
1.0
4.5
0.60
0.35
24
1.2
–0.06
25.9
0,42 –0,21
4.2
2.6
2.0
1.60
25.2
0.21
1.30
1.8
7.70
13.9
1.0
4.6
0.57
0.35
25
1.2
–0.06
26.9
0,42 –0,21
4.4
2.8
2.0
1.72
26.2
0.21
1.30
1.8
8.00
14.6
1.0
4.7
0.53
0.35
26
1.2
–0.06
28.5
0,42 –0,21
4.4
2.8
2.0
2.00
27.2
0.21
1.30
1.8
8.40
13.8
1.0
4.6
0.51
0.35
27
1.2
–0.06
29.1
0,42 –0,21
4.5
2.9
2.0
2.00
28.4
0.21
1.30
2.1
10.10
13.3
1.0
4.5
0.48
0.35
28
1.2
–0.06
30.1
0,50 –0,25
4.9
3.0
2.0
2.10
29.4
0.21
1.30
2.1
10.50
13.3
1.0
4.5
0.40
0.35
30
1.2
–0.06
32.1
0,50 –0,25
4.9
3.2
2.0
2.35
31.4
0.25
1.30
2.1
11.30
13.7
1.0
4.6
0.40
0.35
31
1.2
–0.06
33.4
0,50 –0,25
5.0
3.2
2.5
2.42
32.4
0.25
1.30
2.5
14.10
13.8
1.0
4.7
0.41
0.35
32
1.2
–0.06
34.4
0,50 –0,25
5.1
3.3
2.5
2.50
33.7
0.25
1.30
2.5
14.60
13.8
1.0
4.7
0.39
0.35
33
1.2
–0.06
35.5
0,50 –0,25
5.1
3.3
2.5
2.65
34.7
0.25
1.30
2.5
15.00
14.3
1.0
4.9
0.41
0.35
34
1.5
–0.06
36.5
0,50 –0,25
5.3
3.4
2.5
3.80
35.7
0.25
1.60
2.5
15.40
26.2
1.5
6.3
0.93
0.45
35
1.5
–0.06
37.8
0,50 –0,25
5.5
3.6
2.5
4.00
37.0
0.25
1.60
3.0
18.80
26.9
1.5
6.4
0.91
0.45
36
1.5
–0.06
38.8
0,50 –0,25
5.6
3.6
2.5
4.15
38.0
0.25
1.60
3.0
19.40
26.4
1.5
6.4
0.87
0.45
38
1.5
–0.06
40.8
0,50 –0,25
6.1
3.8
2.5
4.40
40.0
0.25
1.60
3.0
22.50
28.2
1.5
6.7
0.73
0.45
40
1.75
–0.06
43.5
0,90 –0,39
7.2
4.0
2.5
5.30
42.5
0.25
1.85
3.8
27.00
44.6
2.0
8.3
1.09
0.55
42
1.75
–0.06
45.5
0,90 –0,39
7.2
4.1
2.5
6.00
44.5
0.25
1.85
3.8
28.40
44.7
2.0
8.4
1.10
0.55
44
1.75
–0.06
47.5
0,90 –0,39
7.2
4.2
2.5
6.45
46.5
0.25
1.85
3.8
29.50
43.3
2.0
8.3
1.07
0.55
45
1.75
–0.06
48.5
0,90 –0,39
7.2
4.3
2.5
6.60
47.5
0.25
1.85
3.8
30.20
43.1
2.0
8.2
1.06
0.55
47
1.75
–0.06
50.5
1,10 –0,46
7.2
4.5
2.5
6.90
49.5
0.25
1.85
3.8
31.40
43.5
2.0
8.3
1.07
0.55
48
1.75
–0.06
51.5
1,10 –0,46
7.2
4.5
2.5
7.50
50.5
0.30
1.85
3.8
32.00
43.2
2.0
8.4
1.07
0.55
50
2
–0.07
54.2
1,10 –0,46
8.2
4.7
2.5
8.50
53.0
0.30
2.15
4.5
40.50
60.8
2.0
12.1
1.45
0.65
52
2
–0.07
56.2
1,10 –0,46
8.2
4.7
2.5
9.40
55.0
0.30
2.15
4.5
42.00
60.2
2.0
12
1.36
0.65
55
2
–0.07
59.2
1,10 –0,46
8.2
5.1
2.5
9.75
58.0
0.30
2.15
4.5
44.40
60.3
2.0
12.5
1.45
0.65
57
2
–0.07
61.2
1,10 –0,46
8.2
5.2
2.5
11.65
60.0
0.30
2.15
4.5
46.00
60.8
2.0
12.7
1.47
0.65
58
2
–0.07
62.2
1,10 –0,46
8.2
5.3
2.5
12.00
61.0
0.30
2.15
4.5
46.70
60.8
2.0
12.7
1.46
0.65
60
2
–0.07
64.2
1,10 –0,46
8.2
5.5
2.5
12.70
63.0
0.30
2.15
4.5
48.30
61
2.0
13
1.47
0.65
62
2
–0.07
66.2
1,10 –0,46
8.2
5.6
2.5
12.75
65.0
0.30
2.15
4.5
49.80
60.9
2.0
13
1.47
0.65
65
2.5
–0.07
69.2
1,10 –0,46
10.2
5.8
3.0
16.70
68.0
0.30
2.65
4.5
51.80
121
2.5
20.8
2.72
0.90
67
2.5
–0.07
71.5
1,10 –0,46
10.2
6.0
3.0
18.60
70.0
0.30
2.65
4.5
53.80
121
2.5
21.1
2.32
0.90
68
2.5
–0.07
72.5
1,10 –0,46
10.2
6.1
3.0
19.30
71.0
0.30
2.65
4.5
54.50
121
2.5
21.2
2.32
0.90
70
2.5
–0.07
74.5
1,10 –0,46
10.2
6.2
3.0
20.20
73.0
0.30
2.65
4.5
56.20
119
2.5
21
2.27
0.90
72
2.5
–0.07
76.5
1,10 –0,46
10.2
6.4
3.0
21.20
75.0
0.30
2.65
4.5
58.00
119
2.5
21
2.27
0.90
75
2.5
–0.07
79.5
1,10 –0,46
10.2
6.6
3.0
22.60
78.0
0.30
2.65
4.5
60.00
118
2.5
21
2.25
0.90
80
2.5
–0.07
85.5
1,30 –0,54
10.2
7.0
3.0
25.00
83.5
0.35
2.65
5.3
74.60
120
2.5
21.8
2.44
0.90
85
3
–0.08
90.5
1,30 –0,54
12.2
7.4
3.5
30.10
88.5
0.35
3.15
5.3
79.50
201
3.0
31.2
2.60
0.90
90
3
–0.08
95.5
1,30 –0,54
12.2
7.7
3.5
35.50
93.5
0.35
3.15
5.3
84.00
199
3.0
31.4
2.60
0.90
95
3
–0.08
100.5
1,30 –0,54
12.2
8.1
3.5
40.00
98.5
0.35
3.15
5.3
88.60
195
3.0
31.4
2.61
0.90
100
3
–0.08
105.5
1,30 –0,54
12.2
8.5
3.5
43.50
103.5
0.35
3.15
5.3
93.10
188
3.0
30.8
2.57
0.90
110
4
–0,10
117
1,30 –0,54
12.2
9
3.5
73
114
0.54
4.15
6
117
415
3
71
115
4
–0,10
122
1,50 –0,63
12.2
9.3
3.5
82
119
0.54
4.15
6
122
409
3
71.2
120
4
–0,10
127
1,50 –0,63
12.2
9.6
3.5
87
124
0.63
4.15
6
127
396
3
70
125
4
–0,10
132
1,50 –0,63
12.2
9.9
4
92
129
0.63
4.15
6
132
385
3
70
130
4
–0,10
137
1,50 –0,63
12.2
10.2
4
102
134
0.63
4.15
6
138
374
3
69
140
4
–0,10
148
1,50 –0,63
14.2
10.7
4
112
144
0.63
4.15
6
148
350
3
66.5
150
4
–0,10
158
1,50 –0,63
14.2
11.1
4
123
155
0.63
4.15
7.5
191
326
3
64
160
4
–0,10
169
1,50 –0,63
14.2
11.8
4.5
133
165
0.63
4.15
7.5
212
321
3.5
54.5
170
4
–0,10
179
1,50 –0,63
14.2
12.3
4.5
145
175
0.63
4.15
7.5
225
349
3.5
59

15-stupňový interný skosený zadržiavací prsteň pre vrty aplikácií-M1302 JB

V okrúhlom diere je namontovaný vnútorný skosený zadržiavací krúžok, ktorý sa používa na upevnenie axiálneho pohybu častí, tento druh vonkajšieho priemeru kruhu je o niečo väčší ako priemer zostavového okrúhleho otvoru. Vonkajší priemer produktu má celý týždeň skosený skosený 15 stupňov, aby sa lepšie fixoval a zabránil pohybu častí, drážka, kde je nainštalovaný oporný krúžok

D1: Špecifikácia/nominálna veľkosť; S: Hrúbka; D3: Vonkajší priemer; A: Výška hlavy; ≈ B: šírka ramena; D5: malý otvor; WT: hmotnosť; FN: kapacita drážky; FR: kapacita ložiskového prsteňa (pravý uhol); G: Veľkosť skosenia; FRG: kapacita ložiska na zadržiavanie (komisár);

15-stupňový interný skosený zadržiavací prsteň pre vrty aplikácií-M1302 JB

d1 S Tol S1 Tol d3 Tol max. ≈b D5 min Wt (g) d2 Tol m Tol t n FR (kN) g FRG (KN)
40
1.65
–0,15
1.25
–0.050
44
0,90 -0,60
5.3
4
1.9
4.05
42.8
0.13
1.3
0.025
1.4
4.5
24.8
2
4.6
41
1.65
–0,15
1.22
–0.050
45.8
0,90 -0,60
5.9
4
1.9
4.55
44
0.13
1.3
0.025
1.5
4.7
23.2
2
4.3
42
1.65
–0,15
1.22
–0.050
46.6
0,90 -0,60
5.9
4.2
1.9
4.73
45
0.13
1.3
0.025
1.5
4.8
23.7
2
4.4
43
1.65
–0,15
1.19
–0.050
47.6
0,90 -0,60
5.9
4.3
1.9
4.91
46
0.13
1.27
0.025
1.5
4.9
22.9
2
4.3
44
1.65
–0,15
1.19
–0.050
49.3
0,90 -0,60
6.1
4.3
1.9
4.68
47.2
0.13
1.27
0.025
1.85
5.1
22.1
2
4.2
46
1.65
–0,15
1.19
–0.050
51.1
0,90 -0,60
6.1
4.3
2.3
5.23
49.4
0.13
1.27
0.025
1.7
5.2
20.9
2
4
47
1.65
–0,15
1.19
–0.050
52.2
0,90 -0,60
6.1
4.3
2.3
5.82
50.4
0.13
1.27
0.025
1.7
5.3
20.3
2
3.9
48
1.65
–0,15
1.19
–0.050
52.6
0,90 -0,60
6.1
4.3
2.3
5.82
51.5
0.13
1.27
0.025
1.75
5.4
17.9
2
3.5
51
1.65
–0,15
1.15
–0.050
56.1
0,90 -0,60
6.2
4.3
2.3
6.36
54.6
0.13
1.22
0.025
1.8
5.7
17.5
2
3.4
52
2.05
–0,15
1.5
–0.075
57.9
1,00 -0,75
6.5
4.7
2.3
8.18
55.7
0.15
1.65
0.038
1.85
5.9
46.3
2
9.1
54
2.05
–0,15
1.56
–0.075
59.7
1,00 -0,75
6.7
4.9
2.3
8.82
57.9
0.15
1.65
0.038
1.95
6.1
45.9
2
9.1
56
2.05
–0,15
1.54
–0.075
61.3
1,00 -0,75
6.8
5
2.3
8.91
60.1
0.15
1.63
0.038
2.05
6.4
43.9
2
8.8
57
2.05
–0,15
1.54
–0.075
63.2
1,00 -0,75
7
5.2
2.3
9.91
61.5
0.15
1.63
0.038
2.25
6.7
44.5
2
8.9
60
2.05
–0,15
1.51
–0.075
66.8
1,00 -0,75
7
5.3
2.3
10.55
64.5
0.15
1.6
0.038
2.25
7
43.6
2
7.8
62
2.05
–0,15
1.48
–0.075
68.6
1,00 -0,75
7.2
5.2
2.7
11.54
66.5
0.15
1.57
0.038
2.25
7
38
2
7.8
63
2.05
–0,15
1.48
–0.075
70.5
1,00 -0,75
7.2
5.3
2.7
11.59
67.7
0.15
1.57
0.038
2.35
7.2
37.9
2
7.8
65
2.45
–0,15
1.88
–0.100
72.2
1,00 -0,75
7.5
5.6
2.7
15.45
69.8
0.15
1.98
0.038
2.4
7.4
71.1
2.5
11.9
67
2.45
–0,15
1.85
–0.100
73.9
1,00 -0,75
7.5
5.7
2.7
15.68
71.9
0.15
1.96
0.038
2.45
7.7
68.1
2.5
11.6
68
2.45
–0,15
1.85
–0.100
75.7
1,00 -0,75
7.7
6
2.7
15.91
73.1
0.15
1.96
0.038
2.55
7.8
70.4
2.5
12
70
2.45
–0,15
1.83
–0.100
77.5
1,00 -0,75
7.7
5.9
2.7
14.14
75.2
0.15
1.93
0.038
2.6
8
66
2.5
11.4
72
2.45
–0,15
1.83
–0.100
79.3
1,00 -0,75
7.7
5.8
2.7
16.36
77.3
0.15
1.93
0.038
2.65
8.2
61.9
2.5
10.8
78
2.85
–0,15
2.15
–0.130
86.8
1,40 -1,40
8.1
6.5
3.1
24.09
83.7
0.15
2.26
0.051
2.85
8.9
112.7
2.5
20.2
80
2.85
–0,15
2.15
–0.130
89.5
1,40 -1,40
8.1
6.7
3.1
25.19
86
0.15
2.26
0.051
3
9
112.2
2.5
20.2
82
2.85
–0,15
2.15
–0.130
92
1,40 -1,40
8.9
6.8
3.1
27.27
88.1
0.15
2.26
0.051
3.05
9.1
110
2.5
20
85
2.85
–0,15
2.15
–0.130
94.8
1,40 -1,40
8.9
7
3.1
29.55
91.2
0.15
2.26
0.051
3.1
9.6
108
3
16.6
88
2.85
–0,15
2.15
–0.130
98
1,40 -1,40
8.9
7.4
3.1
31.36
94.6
0.15
2.26
0.051
3.3
10
108.8
3
16.9
90
2.85
–0,15
2.15
–0.130
100
1,40 -1,40
8.9
7.4
3.1
32.73
96.8
0.15
2.26
0.051
3.4
10.4
105.3
3
16.5
92
2.85
–0,15
2.15
–0.130
102.2
1,40 -1,40
8.9
7.7
3.1
33.18
99
0.15
2.26
0.051
3.5
10.7
106.4
3
16.8
95
2.85
–0,15
2.15
–0.130
105.6
1,65 -1,65
8.9
7.8
3.1
35.45
102.1
0.15
2.26
0.051
3.55
11.3
103.1
3
16.6
98
2.85
–0,15
2.15
–0.130
109
1,65 -1,65
9.6
8.1
3.1
39.55
105.5
0.15
2.26
0.051
3.75
11.5
102.4
3
16.6
100
2.85
–0,15
2.15
–0.130
110.7
1,65 -1,65
9.6
8.1
3.1
40
107.6
0.15
2.26
0.051
3.8
11.6
99.5
3
16.3
102
2.85
–0,15
2.15
–0.130
112.4
1,65 -1,65
9.6
8.4
3.1
42.27
109.7
0.15
2.26
0.051
3.85
11.7
100.5
3
16.6
105
2.85
–0,15
2.15
–0.130
115.8
1,65 -1,65
9.6
8.4
3.1
44.09
112.8
0.15
2.26
0.051
3.9
12
96.4
3
16.1
108
2.85
–0,15
2.15
–0.130
119.2
1,65 -1,65
9.6
8.5
3.1
45.91
116.1
0.15
2.26
0.051
4.05
12.1
93.6
3
15.8
110
2.85
–0,15
2.15
–0.130
120.8
1,65 -1,65
10.5
8.6
3.8
47.73
118
0.15
2.26
0.051
4
12.3
92.5
3
15.7
115
2.85
–0,15
2.15
–0.130
125.5
1,65 -1,65
10.5
8.9
3.8
50.45
123.2
0.15
2.26
0.051
4.1
12.6
89.8
3
15.6
118
2.85
–0,15
2.15
–0.130
128.9
1,65 -1,65
10.5
8.9
3.8
53.18
126.3
0.15
2.26
0.051
4.15
12.8
86.5
3
15.2
120
2.85
–0,15
2.15
–0.130
132.4
1,65 -1,65
10.5
9.1
3.8
56.36
128.6
0.15
2.26
0.051
4.3
13
86.3
3
15.3
127
2.85
–0,15
2.15
–0.130
139.3
1,65 -1,65
11.3
9.9
3.8
61.82
135.8
0.15
2.26
0.051
4.4
13.4
86.8
3
15.7
140
3.25
–0,20
2.49
–0.150
154.1
1,65 -1,65
11.8
10.4
3.8
83.18
149.2
0.15
2.29
0.051
4.6
14.1
119.6
3
22.7

Externé krúžky pre hriadele-din471

Vonkajšie krúžky pre hriadele sú druh mechanického prevodu, ktorý sa používa na zabránenie putovania axiálneho axiálneho posunu a prenosu momentových častí. Zvyčajne sa skladá z pružinovej pružiny a dvoch rozperiek, vo vnútri je radiálny otvor, ktorý je možné umiestniť na hriadeľ. Hlavnou funkciou je udržanie nezmenenej axiálnej polohy a zabrániť axiálnemu posunu a vibráciám, aby sa zlepšila stabilita a prevádzková účinnosť strojov.

Materiál: Konvenčná uhlíková oceľ a nehrdzavejúca oceľ (65 m, C67S, 2Cr13, 304, 1,4122 atď.)

Povrchové ošetrenie: Všetky druhy konvenčnej štandardnej liečby, ako je fosfát, Dacromet, Jumet, Plating zinku, pokovovanie niklu zinku, elektroforéza atď.

D1: Špecifikácia/nominálna veľkosť; S: Hrúbka; D3: vnútorný priemer; A: Výška hlavy; ≈ B: šírka ramena; D5: malý otvor; WT: hmotnosť; FN: kapacita drážky; FR: kapacita ložiskového prsteňa (pravý uhol); G: Veľkosť skosenia; FRG: kapacita ložiskového kruhu (skosenie); NABL: Limit rýchlosť;

Externé krúžky pre hriadele-din471

d1 S Tol d3 Tol max. ≈b D5 min Wt (g) d2 Tol m t N Fn (kN) FR (kN) g FRG (KN) K n · mm n ABLX1000
28
1.5
–0.06
25.9
0,21 –0,42
4.7
3.2
2
2.92
26.6
–0,21
1.6
0.7
2.1
10
32.1
1.5
7.5
65
21
29
1.5
–0.06
26.9
0,21 –0,42
4.8
3.4
2
3.2
27.6
–0,21
1.6
0.7
2.1
10.3
31.8
1.5
7.45
64
20
30
1.5
–0.06
27.9
0,21 –0,42
5
3.5
2
3.32
28.6
–0,21
1.6
0.7
2.1
10.7
32.1
1.5
7.65
64.2
19
31
1.5
–0.06
28.6
0,21 –0,42
5.1
3.5
2.5
3.45
29.3
–0,21
1.6
0.85
2.6
13.4
31.5
2
5.6
62.8
18
32
1.5
–0.06
29.6
0,21 –0,42
5.2
3.6
2.5
3.54
30.3
–0,25
1.6
0.85
2.6
13.8
31.2
2
5.55
61.8
17
33
1.5
–0.06
30.5
0,25 –0,50
5.2
3.7
2.5
3.69
31.3
–0,25
1.6
0.85
2.6
14.3
31.6
2
5.65
62.2
17
34
1.5
–0.06
31.5
0,25 –0,50
5.4
3.8
2.5
3.8
32.3
–0,25
1.6
0.85
2.6
14.7
31.3
2
5.6
61.3
16
35
1.5
–0.06
32.2
0,25 –0,50
5.6
3.9
2.5
4
33
–0,25
1.6
1
3
17.8
30.8
2
5.55
60.1
16
36
1.75
–0.06
33.2
0,25 –0,50
5.6
4
2.5
5
34
–0,25
1.85
1
3
18.3
49.4
2
9
95.8
15
37
1.75
–0.06
34.2
0,25 –0,50
5.7
4.1
2.5
5.37
35
–0,25
1.85
1
3
18.8
50
2
9.15
96.4
14
38
1.75
–0.06
35.2
0,25 –0,50
5.8
4.2
2.5
5.62
36
–0,25
1.85
1
3
19.3
49.5
2
9.1
95
14
39
1.75
–0.06
36
0,25 –0,50
5.9
4.3
2.5
5.85
37
–0,25
1.85
1
3
19.9
49.8
2
9.25
95.2
15
40
1.75
–0.06
36.5
0,39 –0,90
6
4.4
2.5
6.03
37.5
–0,25
1.85
1.25
3.8
25.3
51
2
9.5
97
14
41
1.75
–0.06
37.5
0,39 –0,90
6.2
4.5
2.5
6.215
38.5
–0,25
1.85
1.25
3.8
26
50.1
2
9.4
94.5
14
42
1.75
–0.06
38.5
0,39 –0,90
6.5
4.5
2.5
6.5
39.5
–0,25
1.85
1.25
3.8
26.7
50
2
9.45
93.7
13
44
1.75
–0.06
40.5
0,39 –0,90
6.6
4.6
2.5
7
41.5
–0,25
1.85
1.25
3.8
28
48.5
2
9.2
90.7
12
45
1.75
–0.06
41.5
0,39 –0,90
6.7
4.7
2.5
7.5
42.5
–0,25
1.85
1.25
3.8
28.6
49
2
9.35
91
11
46
1.75
–0.06
42.5
0,39 –0,90
6.7
4.8
2.5
7.6
43.5
–0,25
1.85
1.25
3.8
29.4
48.9
2
9.4
90.2
11
47
1.75
–0.06
43.5
0,39 –0,90
6.8
4.9
2.5
7.5
44.5
–0,25
1.85
1.25
3.8
30
49.5
2
9.55
90.7
11
48
1.75
–0.06
44.5
0,39 –0,90
6.9
5
2.5
7.9
45.5
–0,25
1.85
1.25
3.8
30.7
49.4
2
9.55
90
10
50
2
–0.07
45.8
0,39 –0,90
6.9
5.1
2.5
10.2
47
–0,25
2.15
1.5
4.5
38
73.3
2
14.4
133
11
52
2
–0.07
47.8
0,39 –0,90
7
5.2
2.5
11.1
49
–0,25
2.15
1.5
4.5
39.7
73.1
2.5
11.5
133
10
54
2
–0.07
49.8
0,39 –0,90
7.1
5.3
2.5
11.3
51
–0,30
2.15
1.5
4.5
41.2
71.2
2.5
11.3
129
9
55
2
–0.07
50.8
0,46 –1,10
7.2
5.4
2.5
11.4
52
–0,30
2.15
1.5
4.5
42
71.4
2.5
11.4
130
9
56
2
–0.07
51.8
0,46 –1,10
7.3
5.5
2.5
11.8
53
–0,30
2.15
1.5
4.5
42.8
70.8
2.5
11.3
129
9
57
2
–0.07
52.8
0,46 –1,10
7.3
5.5
2.5
12.2
54
–0,30
2.15
1.5
4.5
43.7
70.9
2.5
11.4
128
8
58
2
–0.07
53.8
0,46 –1,10
7.3
5.6
2.5
12.6
55
–0,30
2.15
1.5
4.5
44.3
71.1
2.5
11.5
129
8
60
2
–0.07
55.8
0,46 –1,10
7.4
5.8
2.5
12.9
57
–0,30
2.15
1.5
4.5
46
69.2
2.5
11.3
126
8
62
2
–0.07
57.8
0,46 –1,10
7.5
6
2.5
14.3
59
–0,30
2.15
1.5
4.5
47.5
69.3
2.5
11.4
126
7
63
2
–0.07
58.8
0,46 –1,10
7.6
6.2
2.5
15.9
60
–0,30
2.15
1.5
4.5
48.3
70.2
2.5
11.6
126
7
65
2.5
–0.07
60.8
0,46 –1,10
7.8
6.3
3
18.2
62
–0,30
2.65
1.5
4.5
49.8
135
2.5
22.7
245
7
67
2.5
–0.07
62.5
0,46 –1,10
7.9
6.4
3
20.3
64
–0,30
2.65
1.5
4.5
51.3
136
2.5
23
245
7
68
2.5
–0.07
63.5
0,46 –1,10
8
6.5
3
21.8
65
–0,30
2.65
1.5
4.5
52.2
135
2.5
23.1
244
7
70
2.5
–0.07
65.5
0,46 –1,10
8.1
6.6
3
22
67
–0,30
2.65
1.5
4.5
53.8
134
2.5
23
241
7
72
2.5
–0.07
67.5
0,46 –1,10
8.2
6.8
3
22.5
69
–0,30
2.65
1.5
4.5
55.3
131
2.5
22.8
236
6
75
2.5
–0.07
70.5
0,46 –1,10
8.4
7
3
24.6
72
–0,30
2.65
1.5
4.5
57.6
130
2.5
22.8
234
6
77
2.5
–0.07
72.5
0,46 –1,10
8.5
7.2
3
25.7
74
–0,30
2.65
1.5
4.5
59.3
131
3
19.7
238
6
78
2.5
–0.07
73.5
0,46 –1,10
8.6
7.3
3
26.2
75
–0,30
2.65
1.5
4.5
60
131
3
19.7
239
5
80
2.5
–0.07
74.5
0,46 –1,10
8.6
7.4
3
27.3
76.5
–0,30
2.65
1.75
5.3
71.6
128
3
19.5
236
6
82
2.5
–0.07
76.5
0,46 –1,10
8.7
7.6
3
31.2
78.5
–0,30
2.65
1.75
5.3
73.5
128
3
19.6
237
6
85
3
–0.08
79.5
0,46 –1,10
8.7
7.8
3.5
36.4
81.5
–0,35
3.15
1.75
5.3
76.2
215
3
33.4
405
6
87
3
–0.08
81.5
0,54 –1,30
8.8
7.9
3.5
39.8
83.5
–0,35
3.15
1.75
5.3
78.2
222
3
34.8
405
5
88
3
–0.08
82.5
0,54 –1,30
8.8
8
3.5
41.2
84.5
–0,35
3.15
1.75
5.3
79
221
3
34.8
406
5
90
3
–0.08
84.5
0,54 –1,30
8.8
8.2
3.5
44.5
86.5
–0,35
3.15
1.75
5.3
80
217
3
34.4
401
5
92
3
–0.08
86.5
0,54 –1,30
9
8.4
3.5
46
88.5
–0,35
3.15
1.75
5.3
82
217
3.5
29.6
404
5
95
3
–0.08
89.5
0,54 –1,30
9.4
8.6
3.5
49
91.5
–0,35
3.15
1.75
5.3
85
212
3.5
29.2
400
5
97
3
–0.08
91.5
0,54 –1,30
9.4
8.8
3.5
50.2
93.5
–0,35
3.15
1.75
5.3
87
211
3.5
29.4
401
4
98
3
–0.08
91.5
0,54 –1,30
9.4
8.8
3.5
50.2
94.5
–0,35
3.15
1.75
5.3
88
208
3.5
29
397
4
100
3
–0.08
94.5
0,54 –1,30
9.6
9
3.5
53.7
96.5
–0,35
3.15
1.75
5.3
90
206
3.5
29
397
4
102
4
–0,10
95
0,54 –1,30
9.7
9.2
3.5
78
98
–0,54
4.15
2
6
104
482
3.5
68.5
935
5
105
4
–0,10
98
0,54 –1,30
9.9
9.3
3.5
80
101
–0,54
4.15
2
6
107
471
3.5
67.7
925
5
107
4
–0,10
100
0,54 –1,30
10
9.5
3.5
81
103
–0,54
4.15
2
6
110
465
3.5
67.3
920
5
108
4
–0,10
100
0,54 –1,30
10
9.5
3.5
81
104
–0,54
4.15
2
6
111
459
3.5
66.3
912
4
110
4
–0,10
103
0,54 –1,30
10.1
9.6
3.5
82
106
–0,54
4.15
2
6
113
457
3.5
66.9
914
4
112
4
–0,10
105
0,54 –1,30
10.3
9.7
3.5
83
108
–0,54
4.15
2
6
115
451
3.5
66.6
910
4
115
4
–0,10
108
0,54 –1,30
10.6
9.8
3.5
84
111
–0,54
4.15
2
6
118
438
3.5
65.5
894
4
117
4
–0,10
110
0,54 –1,30
10.8
10
3.5
85
113
–0,54
4.15
2
6
120
437
3.5
65.6
899
4
118
4
–0,10
110
0,54 –1,30
10.8
10
3.5
85
114
–0,54
4.15
2
6
121
430
3.5
64.8
887
4
120
4
–0,10
113
0,54 –1,30
11
10.2
3.5
86
116
–0,54
4.15
2
6
123
424
3.5
64.5
882
4
122
4
–0,10
115
0,54 –1,30
11.2
10.3
4
88
118
–0,54
4.15
2
6
125
418
4
56.6
875
4
125
4
–0,10
118
0,54 –1,30
11.4
10.4
4
90
121
–0,63
4.15
2
6
128
411
4
56.5
870
3
127
4
–0,10
120
0,54 –1,30
11.4
10.5
4
95
123
–0,63
4.15
2
6
130
407
4
56.1
868
3
128
4
–0,10
120
0,54 –1,30
11.4
10.5
4
95
124
–0,63
4.15
2
6
131
401
4
55.6
859
3
130
4
–0,10
123
0,63 –1,50
11.6
10.7
4
100
126
–0,63
4.15
2
6
134
395
4
55.2
852
3
132
4
–0,10
125
0,63 –1,50
11.7
10.8
4
103
128
–0,63
4.15
2
6
136
396
4
55.6
859
3
135
4
–0,10
128
0,63 –1,50
11.8
11
4
104
131
–0,63
4.15
2
6
139
389
4
55.4
854
3
137
4
–0,10
130
0,63 –1,50
11.9
11
4
107
133
–0,63
4.15
2
6
141
380
4
54.4
840
3
138
4
–0,10
130
0,63 –1,50
11.9
11
4
107
134
–0,63
4.15
2
6
142
381
4
54.7
845
3
140
4
–0,10
133
0,63 –1,50
12
11.2
4
110
136
–0,63
4.15
2
6
144
376
4
54.4
840
3
142
4
–0,10
135
0,63 –1,50
12.1
11.3
4
112
138
–0,63
4.15
2
6
146
370
4
54
833
3
145
4
–0,10
138
0,63 –1,50
12.2
11.5
4
115
141
–0,63
4.15
2
6
149
367
4
53.8
833
3
147
4
–0,10
140
0,63 –1,50
12.3
11.6
4
116
143
–0,63
4.15
2
6
151
361
4
53.5
826
3
148
4
–0,10
140
0,63 –1,50
12.3
11.6
4
116
144
–0,63
4.15
2
6
152
357
4
53
820
2
150
4
–0,10
142
0,63 –1,50
13
11.8
4
120
145
–0,63
4.15
2.5
7.5
193
357
4
53.4
825
2
152
4
–0,10
143
0,63 –1,50
13
11.9
4
128
147
–0,63
4.15
2.5
7.5
195
356
4
53.1
822
3
155
4
–0,10
146
0,63 –1,50
13
12
4
135
150
–0,63
4.15
2.5
7.5
199
352
4
52.6
814
3
157
4
–0,10
148
0,63 –1,50
13.1
12
4
140
152
–0,63
4.15
2.5
7.5
202
352
4
52.5
814
3
158
4
–0,10
148
0,63 –1,50
13.1
12
4
140
153
–0,63
4.15
2.5
7.5
203
353
4
52.7
815
3
160
4
–0,10
151
0,63 –1,50
13.3
12.2
4
150
155
–0,63
4.15
2.5
7.5
206
349
4
52.2
806
3
162
4
–0,10
152.5
0,63 –1,50
13.3
12.3
4
155
157
–0,63
4.15
2.5
7.5
208
348
5
41.7
804
3
165
4
–0,10
155.5
0,63 –1,50
13.5
12.5
4
160
160
–0,63
4.15
2.5
7.5
212
345
5
41.4
797
3
167
4
–0,10
157.5
0,63 –1,50
13.5
12.9
4
163
162
–0,63
4.15
2.5
7.5
215
354
5
42.5
819
3
168
4
–0,10
157.5
0,63 –1,50
13.5
12.9
4
163
163
–0,63
4.15
2.5
7.5
216
353
5
42.4
815
2
170
4
–0,10
160.5
0,63 –1,50
13.5
12.9
4
170
165
–0,63
4.15
2.5
7.5
219
349
5
41.9
806
2
172
4
–0,10
160.5
0,63 –1,50
13.5
12.9
4
170
167
–0,63
4.15
2.5
7.5
221
344
5
41.3
795
2
175
4
–0,10
165.5
0,63 –1,50
13.5
12.9
4
180
170
–0,63
4.15
2.5
7.5
225
340
5
40.7
785
2
177
4
–0,10
167.5
0,63 –1,50
14.2
13.5
4
183
172
–0,63
4.15
2.5
7.5
228
335
5
40.2
774
2
178
4
–0,10
167.5
0,63 –1,50
14.2
13.5
4
183
173
–0,63
4.15
2.5
7.5
229
349
5
42
807
2
180
4
–0,10
170.5
0,63 –1,50
14.2
13.5
4
190
175
–0,63
4.15
2.5
7.5
232
345
5
41.4
797
2
182
4
–0,10
170.5
0,63 –1,50
14.2
13.5
4
190
177
–0,63
4.15
2.5
7.5
235
341
5
41
789
2
185
4
–0,10
175.5
0,63 –1,50
14.2
13.5
4
200
180
–0,63
4.15
2.5
7.5
238
336
5
40.4
777
2
187
4
–0,10
177.5
0,63 –1,50
14.2
14
4
203
182
–0,72
4.15
2.5
7.5
241
338
5
40.5
781
2
188
4
–0,10
177.5
0,63 –1,50
14.2
14
4
203
183
–0,72
4.15
2.5
7.5
242
337
5
40.6
779
2
190
4
–0,10
180.5
0,72 –1,70
14.2
14
4
210
185
–0,72
4.15
2.5
7.5
245
333
5
40
770
2
192
4
–0,10
180.5
0,72 –1,70
14.2
14
4
210
187
–0,72
4.15
2.5
7.5
248
330
5
39.6
763
2
195
4
–0,10
185.5
0,72 –1,70
14.2
14
4
220
190
–0,72
4.15
2.5
7.5
251
325
5
39
751
2
197
4
–0,10
187.5
0,72 –1,70
14.2
14
4
223
192
–0,72
4.15
2.5
7.5
254
322
5
38.6
744
2
198
4
–0,10
187.5
0,72 –1,70
14.2
14
4
223
193
–0,72
4.15
2.5
7.5
255
322
5
38.7
739
2
200
4
–0,10
190.5
0,72 –1,70
14.2
14
4
230
195
–0,72
4.15
2.5
7.5
258
319
5
38.3
731
2
202
5
–0.12
190
0,72 –1,70
14.2
14
4
235
196
–0,72
5.15
3
9
312
624
6
62.5
1430
2
205
5
–0.12
193
0,72 –1,70
14.2
14
4
243
199
–0,72
5.15
3
9
317
611
6
61.3
1401
2
207
5
–0.12
193
0,72 –1,70
14.2
14
4
243
201
–0,72
5.15
3
9
320
608
6
60.9
1392
2
208
5
–0.12
193
0,72 –1,70
14.2
14
4
243
202
–0,72
5.15
3
9
321
605
6
60.5
1385
2
210
5
–0.12
198
0,72 –1,70
14.2
14
4
248
204
–0,72
5.15
3
9
325
598
6
59.9
1370
2
212
5
–0.12
198
0,72 –1,70
14.2
14
4
248
206
–0,72
5.15
3
9
328
593
6
59.5
1359
2
215
5
–0.12
203
0,72 –1,70
14.2
14
4
260
209
–0,72
5.15
3
9
332
585
6
58.5
1340
2
217
5
–0.12
203
0,72 –1,70
14.2
14
4
260
211
–0,72
5.15
3
9
336
580
6
58.1
1330
2
218
5
–0.12
203
0,72 –1,70
14.2
14
4
260
212
–0,72
5.15
3
9
337
577
6
57.8
1322
2
220
5
–0.12
208
0,72 –1,70
14.2
14
4
265
214
–0,72
5.15
3
9
340
572
6
57.3
1311
2
222
5
–0.12
208
0,72 –1,70
14.2
14
4
265
216
–0,72
5.15
3
9
343
567
6
56.8
1300
2
225
5
–0.12
213
0,72 –1,70
14.2
14
4
280
219
–0,72
5.15
3
9
349
559
6
56
1282
2
227
5
–0.12
213
0,72 –1,70
14.2
14
4
280
221
–0,72
5.15
3
9
351
555
6
55.5
1271
1
228
5
–0.12
213
0,72 –1,70
14.2
14
4
280
222
–0,72
5.15
3
9
353
552
6
55.4
1265
1
230
5
–0.12
218
0,72 –1,70
14.2
14
4
290
224
–0,72
5.15
3
9
356
548
6
55
1257
1
232
5
–0.12
218
0,72 –1,70
14.2
14
4
290
226
–0,72
5.15
3
9
359
543
6
54.5
1243
1
235
5
–0.12
223
0,72 –1,70
14.2
14
4
305
229
–0,72
5.15
3
9
364
537
6
53.8
1230
1
237
5
–0.12
223
0,72 –1,70
14.2
14
4
305
231
–0,72
5.15
3
9
367
532
6
53.4
1220
1
238
5
–0.12
223
0,72 –1,70
14.2
14
4
305
232
–0,72
5.15
3
9
369
530
6
53
1214
1
240
5
–0.12
228
0,72 –1,70
14.2
14
4
310
234
–0,72
5.15
3
9
372
530
6
53
1214
1
242
5
–0.12
228
0,72 –1,70
14.2
14
4
310
236
–0,72
5.15
3
9
375
520
6
52.2
1193
1
245
5
–0.12
233
0,72 –1,70
14.2
14
4
325
239
–0,72
5.15
3
9
380
515
6
51.5
1180
1
247
5
–0.12
233
0,72 –1,70
14.2
14
4
325
241
–0,72
5.15
3
9
383
511
6
51.2
1171
1
248
5
–0.12
233
0,72 –1,70
14.2
14
4
325
242
–0,72
5.15
3
9
385
508
6
50.9
1164
1
250
5
–0.12
238
0,72 –1,70
14.2
14
4
335
244
–0,72
5.15
3
9
388
504
6
50.5
1155
1
252
5
–0.12
238
0,72 –1,70
16.2
16
5
335
244
–0,72
5.15
4
12
519
563
6
56.4
1290
1
255
5
–0.12
240
0,72 –1,70
16.2
16
5
348
247
–0,72
5.15
4
12
525
557
6
55.7
1276
1
257
5
–0.12
240
0,72 –1,70
16.2
16
5
348
249
–0,72
5.15
4
12
529
551
6
55.2
1264
1
258
5
–0.12
240
0,72 –1,70
16.2
16
5
348
250
–0,72
5.15
4
12
531
550
6
55.1
1260
1
260
5
–0.12
245
0,72 –1,70
16.2
16
5
355
252
–0,81
5.15
4
12
535
540
6
54.6
1250
1
262
5
–0.12
245
0,72 –1,70
16.2
16
5
355
254
–0,81
5.15
4
12
540
542
6
54.4
1242
1
265
5
–0.12
250
0,72 –1,70
16.2
16
5
370
257
–0,81
5.15
4
12
546
536
6
53.7
1228
1
267
5
–0.12
250
0,72 –1,70
16.2
16
5
370
259
–0,81
5.15
4
12
550
532
6
53.3
1219
1
268
5
–0.12
250
0,72 –1,70
16.2
16
5
370
260
–0,81
5.15
4
12
553
529
6
53
1213
1
270
5
–0.12
255
0,81 –2,00
16.2
16
5
375
262
–0,81
5.15
4
12
556
525
6
52.5
1203
1
272
5
–0.12
255
0,81 –2,00
16.2
16
5
375
264
–0,81
5.15
4
12
560
522
6
52
1196
1
275
5
–0.12
260
0,81 –2,00
16.2
16
5
390
267
–0,81
5.15
4
12
566
516
6
51
1183
1
277
5
–0.12
260
0,81 –2,00
16.2
16
5
390
269
–0,81
5.15
4
12
571
513
6
51
1175
1
278
5
–0.12
260
0,81 –2,00
16.2
16
5
390
270
–0,81
5.15
4
12
574
510
6
51
1170
1
280
5
–0.12
265
0,81 –2,00
16.2
16
5
398
272
–0,81
5.15
4
12
576
508
6
50
1164
1
282
5
–0.12
265
0,81 –2,00
16.2
16
5
398
274
–0,81
5.15
4
12
580
503
6
50
1152
1
285
5
–0.12
270
0,81 –2,00
16.2
16
5
410
277
–0,81
5.15
4
12
587
499
6
50
1143
1
287
5
–0.12
270
0,81 –2,00
16.2
16
5
410
279
–0,81
5.15
4
12
591
494
6
49
1133
1
288
5
–0.12
270
0,81 –2,00
16.2
16
5
410
280
–0,81
5.15
4
12
594
493
6
49
1131
1
290
5
–0.12
275
0,81 –2,00
16.2
16
5
418
282
–0,81
5.15
4
12
599
490
6
49
1124
1
292
5
–0.12
275
0,81 –2,00
16.2
16
5
418
284
–0,81
5.15
4
12
603
487
6
48
1116
1
295
5
–0.12
280
0,81 –2,00
16.2
16
5
430
287
–0,81
5.15
4
12
609
481
6
48
1103
1
297
5
–0.12
280
0,81 –2,00
16.2
16
5
430
289
–0,81
5.15
4
12
613
479
6
48
1098
1
298
5
–0.12
280
0,81 –2,00
16.2
16
5
430
290
–0,81
5.15
4
12
615
476
6
47
1092
1
300
5
–0.12
285
0,81 –2,00
16.2
16
5
440
292
–0,81
5.15
4
12
619
475
6
47
1088
1
305
6
–0,15
288
0,81 –2,00
16 (20)
6
738
295
–0,81
6.2
5
15
785
1036
7
89
2374
1
310
6
–0,15
293
0,81 –2,00
16 (20)
6
750
300
–0,81
6.2
5
15
796
1016
7
87
2329
1
315
6
–0,15
298
0,81 –2,00
16 (20)
6
760
305
–0,81
6.2
5
15
811
1007
7
86
2307
1
320
6
–0,15
303
0,81 –2,00
16 (20)
6
770
310
–0,81
6.2
5
15
825
988
7
85
2264
1
325
6
–0,15
308
0,81 –2,00
16 (20)
6
787
315
–0,81
6.2
5
15
837
975
7
83
2233
1
330
6
–0,15
313
0,81 –2,00
16 (20)
6
800
320
–0,89
6.2
5
15
850
958
7
82
2195
1
335
6
–0,15
318
0,90 –2,00
16 (20)
6
826
325
–0,89
6.2
5
15
864
945
7
81
2166
1
340
6
–0,15
323
0,90 –2,00
16 (20)
6
840
330
–0,89
6.2
5
15
876
932
7
80
2136
1
345
6
–0,15
328
0,90 –2,00
16 (20)
6
845
335
–0,89
6.2
5
15
890
917
7
79
2102
1
350
6
–0,15
333
0,90 –2,00
16 (20)
6
850
340
–0,89
6.2
5
15
903
906
7
77
2074
1
355
6
–0,15
338
0,90 –2,00
16 (20)
6
865
345
–0,89
6.2
5
15
916
894
7
76
2048
1
360
6
–0,15
343
0,90 –2,00
16 (20)
6
880
350
–0,89
6.2
5
15
928
880
7
75
2017
1
365
6
–0,15
348
0,90 –2,00
16 (20)
6
885
355
–0,89
6.2
5
15
942
868
7
74
1990
1
370
6
–0,15
353
0,90 –2,00
16 (20)
6
890
360
–0,89
6.2
5
15
955
856
7
73
1962
1
375
6
–0,15
358
0,90 –2,00
16 (20)
6
910
365
–0,89
6.2
5
15
968
847
7
72
1943
1
380
6
–0,15
363
0,90 –2,00
16 (20)
6
930
370
–0,89
6.2
5
15
980
833
7
71
1909
1
385
6
–0,15
368
0,90 –2,00
16 (20)
6
940
375
–0,89
6.2
5
15
994
823
7
70
1886
1
390
6
–0,15
373
0,90 –2,00
16 (20)
6
950
380
–0,89
6.2
5
15
1008
814
7
70
1865
1
395
6
–0,15
378
0,90 –2,00
16 (20)
6
990
385
–0,89
6.2
5
15
1021
803
7
69
1841
1
400
6
–0,15
383
0,90 –2,00
16 (20)
6
1040
390
–0,89
6.2
5
15
1033
793
7
69
1817
1
410
7
–0,15
390
0,90 –2,00
23 (26)
6
1320
398
–0,89
7.2
6
18
1269
1616
7
139
3701
1
420
7
–0,15
400
0,90 –2,00
23 (26)
6
1360
408
–1,00
7.2
6
18
1300
1569
7
135
3595
1
430
7
–0,15
410
1,00 –2,00
23 (26)
6
1390
418
–1,00
7.2
6
18
1332
1540
7
132
3527
1
440
7
–0,15
420
1,00 –2,00
23 (26)
6
1420
428
–1,00
7.2
6
18
1363
1500
7
129
3448
1
450
7
–0,15
430
1,00 –2,00
23 (26)
6
1450
438
–1,00
7.2
6
18
1393
1472
7
126
3373
1
460
7
–0,15
440
1,00 –2,00
23 (26)
6
1520
448
–1,00
7.2
6
18
1426
1443
7
124
3305
1
470
7
–0,15
450
1,00 –2,00
23 (26)
6
1590
458
–1,00
7.2
6
18
1457
1413
7
121
3237
1
480
7
–0,15
460
1,00 –2,00
23 (26)
6
1660
468
–1,00
7.2
6
18
1489
1383
7
119
3169
0.5
490
7
–0,15
470
1,00 –2,00
23 (26)
6
1725
478
–1,00
7.2
6
18
1520
1355
7
116
3105
0.5
500
7
–0,15
480
1,00 –2,00
23 (26)
6
1790
488
–1,00
7.2
6
18
1550
1329
7
114
3044
0.5
510
8
–0,15
485
1,00 –2,00
23 (26)
6
2300
496
–1,00
8.2
7
21
1843
1952
7
167
4471
1
520
8
–0,15
495
1,00 –2,00
23 (26)
6
2350
506
–1,00
8.2
7
21
1880
1910
7
164
4387
0.5
530
8
–0,15
505
1,50 –3,00
23 (26)
6
2400
516
–1,00
8.2
7
21
1916
1878
7
161
4302
0.5
540
8
–0,15
515
1,50 –3,00
23 (26)
6
2445
526
–1,00
8.2
7
21
1953
1846
7
158
4229
0.4
550
8
–0,15
525
1,50 –3,00
23 (26)
6
2490
536
–1,00
8.2
7
21
1986
1812
7
155
4150
0.4
560
8
–0,15
535
1,50 –3,00
23 (26)
6
2580
546
–1,00
8.2
7
21
2026
1777
7
153
4071
0.4
570
8
–0,15
545
1,50 –3,00
23 (26)
6
2670
556
–1,00
8.2
7
21
2063
1750
7
150
4009
0.4
580
8
–0,15
555
1,50 –3,00
23 (26)
6
2760
566
–1,00
8.2
7
21
2100
1718
7
147
3936
0.4
590
8
–0,15
565
1,50 –3,00
23 (26)
6
2840
576
–1,00
8.2
7
21
2136
1689
7
145
3869
0.4
600
8
–0,15
575
1,50 –3,00
23 (26)
6
2920
586
–1,00
8.2
7
21
2170
1600
7
143
3807
0.3
650
9
–0,20
620
1,50 –3,00
23 (34)
6
3770
634
–1,00
9.3
8
24
2640
2810
7
242
6447
0.4
700
9
–0,20
670
1,50 –3,00
23 (34)
6
4070
384
–1,00
9.3
8
24
2890
2615
7
225
5990
0.3
750
9
–0,20
715
1,50 –3,00
23 (34)
9
4640
732
–1,00
9.3
9
27
3490
2450
7
207
5606
0.19
800
9
–0,20
765
1,50 –3,00
23 (34)
9
5330
782
–1,00
9.3
9
27
3730
2299
7
195
5261
0.3
850
9
–0,20
810
2,00 –4,00
23 (34)
9
6030
830
–1,00
9.3
10
30
4400
2166
7
183
4956
0.3
900
9
–0,20
860
2,00 –4,00
23 (34)
9
6640
880
–1,00
9.3
10
30
4650
2047
7
173
4684
0.2
950
9
–0,20
900
2,00 –4,00
23 (34)
9
7260
928
–1,00
9.3
11
33
5400
1945
7
165
4451
0.2
1000
9
–0,20
950
2,00 –4,00
23 (34)
9
8130
978
–1,00
9.3
11
33
5700
1851
7
157
4235
0.2
3
0.4
–0.05
2.7
0,04 –0,15
1.9
0.8
1
0.017
2.8
–0.04
0.5
0.1
0.3
0.1
0.47
0.5
0.27
2.06
360
4
0.4
–0.05
3.7
0,04 –0,15
2.2
0.9
1
0.022
3.8
–0.04
0.5
0.1
0.3
0.2
0.5
0.5
0.3
1.93
211
5
0.6
–0.05
4.7
0,04 –0,15
2.5
1.1
1
0.066
4.8
–0.04
0.7
0.1
0.3
0.2
1
0.5
0.8
7.38
154
6
0.7
–0.05
5.6
0,04 –0,15
2.7
1.3
1.2
0.084
5.7
–0.04
0.8
0.15
0.5
0.4
1.45
0.5
0.9
10.4
114
7
0.8
–0.05
6.5
0,06 –0,18
3.1
1.4
1.2
0.121
6.7
–0.06
0.9
0.15
0.5
0.5
2.6
0.5
1.4
14.7
121
8
0.8
–0.05
7.4
0,06 –0,18
3.2
1.5
1.2
0.158
7.6
–0.06
0.9
0.2
0.6
0.8
3
0.5
2
14.2
96
9
1
–0.06
8.4
0,06 –0,18
3.3
1.7
1.2
0.3
8.6
–0.06
1.1
0.2
0.6
0.9
3.5
0.5
2.4
30
85
10
1
–0.06
9.3
0,10 –0,36
3.3
1.8
1.5
0.34
9.6
–0.11
1.1
0.2
0.6
1
4
1
2.4
28.2
84
11
1
–0.06
10.2
0,10 –0,36
3.3
1.8
1.5
0.41
10.5
–0.11
1.1
0.25
0.8
1.4
4.5
1
2.4
26.1
70
12
1
–0.06
11
0,10 –0,36
3.3
1.8
1.7
0.5
11.5
–0.11
1.1
0.25
0.8
1.5
5
1
2.4
24
75
13
1
–0.06
11.9
0,10 –0,36
3.4
2
1.7
0.53
12.4
–0.11
1.1
0.3
0.9
2
5.8
1
2.4
23.2
66
14
1
–0.06
12.9
0,10 –0,36
3.5
2.1
1.7
0.64
13.4
–0.11
1.1
0.3
0.9
2.1
6.4
1
2.4
22.9
58
15
1
–0.06
13.8
0,10 –0,36
3.6
2.2
1.7
0.67
14.3
–0.11
1.1
0.35
1.1
2.6
6.9
1
2.4
21.6
50
16
1
–0.06
14.7
0,10 –0,36
3.7
2.2
1.7
0.7
15.2
–0.11
1.1
0.4
1.2
3.2
7.4
1
2.4
21
45
17
1
–0.06
15.7
0,10 –0,36
3.8
2.3
1.7
0.82
16.2
–0.11
1.1
0.4
1.2
3.4
8
1
2.4
21.6
41
18
1.2
–0.06
16.5
0,10 –0,36
3.9
2.4
2
1.11
17
–0.11
1.3
0.5
1.5
4.5
17
1.5
3.75
37.1
39
19
1.2
–0.06
17.5
0,10 –0,36
3.9
2.5
2
1.22
18
–0.11
1.3
0.5
1.5
4.8
17
1.5
3.8
36.4
35
20
1.2
–0.06
18.5
0,13 –0,42
4
2.6
2
1.3
19
–0.13
1.3
0.5
1.5
5
17.1
1.5
3.85
36.3
32
21
1.2
–0.06
19.5
0,13 –0,42
4.1
2.7
2
1.42
20
–0.13
1.3
0.5
1.5
5.3
16.8
1.5
3.75
35.4
29
22
1.2
–0.06
20.5
0,13 –0,42
4.2
2.8
2
1.5
21
–0.13
1.3
0.5
1.5
5.6
16.9
1.5
3.8
35.4
27
23
1.2
–0.06
21.5
0,13 –0,42
4.3
2.9
2
1.63
22
–0,15
1.3
0.5
1.5
5.9
16.6
1.5
3.8
34.7
25
24
1.2
–0.06
22.2
0,21 –0,42
4.4
3
2
1.77
22.9
–0,21
1.3
0.55
1.7
6.7
16.1
1.5
3.65
33.4
27
25
1.2
–0.06
23.2
0,21 –0,42
4.4
3
2
1.9
23.9
–0,21
1.3
0.55
1.7
7
16.2
1.5
3.7
33.4
25
26
1.2
–0.06
24.2
0,21 –0,42
4.5
3.1
2
1.96
24.9
–0,21
1.3
0.55
1.7
7.3
16.1
1.5
3.7
32.9
24
27
1.2
–0.06
24.9
0,21 –0,42
4.6
3.1
2
2.08
25.6
–0,21
1.3
0.7
2.1
9.6
16.4
1.5
3.8
33.4
22

Externé krúžky s piknumi pre hriadele-din983

Hlavnou funkciou vonkajších krúžkov s piknumi pre hriadele je zastaviť pohyb komponentov zostavených na hriadeli v axiálnom smere. Vnútorné a vonkajšie časti zubov vydržia určitý stupeň nárazu, aby sa dosiahol blokovací efekt.

Materiál: Konvenčná uhlíková oceľ a nehrdzavejúca oceľ (65 m, C67S, 2Cr13, 304, 1,4122 atď.)

Povrchové ošetrenie: Všetky druhy konvenčnej štandardnej liečby, ako je fosfát, Dacromet, Jumet, Plating zinku, pokovovanie niklu zinku, elektroforéza atď.

D1: Špecifikácia/nominálna veľkosť; S: Hrúbka; D3: vnútorný priemer; A: Výška hlavy; ≈ B: šírka ramena; D5: malý otvor; WT: hmotnosť; FN: kapacita drážky; FR: kapacita ložiskového prsteňa (pravý uhol); G: Veľkosť skosenia; FRG: kapacita ložiskového kruhu (skosenie); FL: axiálna pružina; L: Výbava kompenzácie; N ABL: Limit rýchlosť;

Externé krúžky s piknumi pre hriadele-din983

d1 S Tol d3 Tol max. ≈b D5 min Wt (g) d2 Tol m n Fn (kN) FR (kN) g FRG (KN) Fl n ABLX1000 L
16
1
–0.06
14.7
0,10 –0,36
3.5
2.3
1.7
0.82
15.2
–0.11
0.70
1.2
3.26
7.4
1.0
2,4
0.13
45
0.35
17
1
–0.06
15.7
0,10 –0,36
3.6
2.4
1.7
0.93
16.2
–0.11
0.70
1.2
3.46
8.0
1.0
2,4
0.12
41
0.35
18
1.2
–0.06
16.5
0,10 –0,36
3.7
2.5
2.0
1.24
17.0
–0.11
0.90
1.5
4.58
17.0
1.5
3,7
0.25
38
0.35
19
1.2
–0.06
17.5
0,10 –0,36
3.7
2.6
2.0
1.35
18.0
–0.11
0.90
1.5
4.85
17.0
1.5
3,8
0.24
33
0.35
20
1.20
–0.06
18.5
0,13 –0,42
3.8
2.6
2.0
1.45
19.0
–0,15
1.30
1.5
5.06
17.1
1.5
3,8
0.77
30
0.35
22
1.20
–0.06
20.5
0,13 –0,42
4.0
2.8
2.0
1.77
21.0
–0,15
1.30
1.5
5.65
16.9
1.5
3,8
0.68
26
0.35
23
1.20
–0.06
21.5
0,13 –0,42
4.1
2.9
2.0
1.84
22.0
–0,15
1.30
1.5
5.90
16.6
1.5
3,8
0.65
24
0.35
24
1.20
–0.06
22.2
0,21 –0,42
4.2
3.0
2.0
1.98
22.9
–0,21
1.30
1.6
6.75
16.1
1.5
3,6
0.70
26
0.40
25
1.20
–0.06
23.2
0,21 –0,42
4.3
3.0
2.0
2.12
23.9
–0,21
1.30
1.6
7.05
16.2
1.5
3,7
0.66
24
0.40
26
1.20
–0.06
24.2
0,21 –0,42
4.4
3.1
2.0
2.18
24.9
–0,21
1.30
1.6
7.34
16.1
1.5
3,7
0.62
22
0.40
28
1.50
–0.06
25.9
0,21 –0,42
4.5
3.3
2.0
3.15
26.6
–0,21
1.60
2.1
10.00
32.1
1.5
7,5
0.99
20
0.40
29
1.50
–0.06
26.9
0,21 –0,42
4.7
3.4
2.0
3.35
27.6
–0,21
1.60
2.1
10.30
31.8
1.5
7,4
0.91
19
0.40
30
1.50
–0.06
27.9
0,21 –0,42
4.7
3.4
2.0
3.65
28.6
–0,21
1.60
2.1
10.70
32.1
1.5
7,6
0.90
18
0.40
32
1.50
–0.06
29.6
0,21 –0,42
5.0
3.6
2.5
4.00
30.3
–0,25
1.60
2.5
13.85
31.2
2.0
5,5
0.90
16
0.45
34
1.50
–0.06
31.5
0,21 –0,42
5.1
3.8
2.5
4.15
32.3
–0,25
1.60
2.5
14.72
31.3
2.0
5,6
0.86
16
0.45
35
1.50
–0.06
32.2
0,25 –0,50
5.2
3.8
2.5
4.38
33.0
–0,25
1.60
3.0
17.80
30.8
2.0
5,5
0.93
15
0.50
37
1.75
–0.06
34.2
0,25 –0,50
5.4
4.0
2.5
6.30
35.0
–0,25
1.60
3.0
18.80
50.0
2.0
9,1
0.83
13
0.50
38
1.75
–0.06
35.2
0,25 –0,50
5.5
4.1
2.5
6.50
36.0
–0,25
1.85
3.0
19.30
49.5
2.0
9,1
1.30
13
0.50
40
1.75
–0.06
36.5
0,39 –0,90
7.2
4.2
2.5
7.00
37.5
–0,25
1.85
3.8
25.30
51.0
2.0
9,5
1.00
14
0.60
42
1.75
–0.06
38.5
0,39 –0,90
7.2
4.5
2.5
7.50
39.5
–0,25
1.85
3.8
26.70
50.0
2.0
9,4
0.95
13
0.60
45
1.75
–0.06
41.5
0,39 –0,90
7.2
4.6
2.5
8.50
42.5
–0,25
1.85
3.8
28.60
49.0
2.0
9,3
0.92
11
0.60
47
1.75
–0.06
43.5
0,39 –0,90
7.2
4.8
2.5
8.70
44.5
–0,25
1.85
3.8
30.00
49.5
2.0
9,5
0.92
10
0.60
48
1.75
–0.06
44.5
0,39 –0,90
7.2
4.9
2.5
8.90
45.5
–0,25
1.85
3.8
30.70
49.4
2.0
9,5
0.92
9
0.60
50
2.00
–0.07
45.8
0,39 –0,90
8.2
5.0
2.5
11.50
47.0
–0,25
2.15
4.5
38.00
73.3
2.0
14,4
1.33
10
0.80
55
2.00
–0.07
50.8
0,46 –1,10
8.2
5.4
2.5
12.99
52.0
–0,30
2.15
4.5
42.00
71.4
2.5
11,4
1.32
8
0.80
57
2.00
–0.07
52.8
0,46 –1,10
8.2
5.6
2.5
14.00
54.0
–0,30
2.15
4.5
43.70
70.9
2.5
11,4
1.30
8
0.80
58
2.00
–0.07
53.8
0,46 –1,10
8.2
5.7
2.5
14.30
55.0
–0,30
2.15
4.5
44.30
71.1
2.5
11,5
1.30
8
0.80
60
2.00
–0.07
55.8
0,46 –1,10
8.2
5.8
2.5
14.80
57.0
–0,30
2.15
4.5
46.00
69.3
2.5
11,3
1.28
7
0.80
62
2.00
–0.07
57.8
0,46 –1,10
8.2
5.9
2.5
15.90
59.0
–0,30
2.15
4.5
47.50
69.3
2.5
11,4
1.28
7
0.80
65
2.50
–0.07
60.8
0,46 –1,10
10.2
6.2
3.0
21.70
62.0
–0,30
2.65
4.5
49.90
135.0
2.5
22,7
1.96
6
1.00
67
2.50
–0.07
62.5
0,46 –1,10
10.2
6.4
3.0
22.60
64.0
–0,30
2.65
4.5
51.30
136.0
2.5
23,0
1.96
7
1.00
68
2.50
–0.07
63.5
0,46 –1,10
10.2
6.5
3.0
23.50
65.0
–0,30
2.65
4.5
52.20
135.0
2.5
23,0
1.95
7
1.00
70
2.50
–0.07
65.5
0,46 –1,10
10.2
6.6
3.0
25.10
67.0
–0,30
2.65
4.5
53.80
134.0
2.5
23,0
1.93
6
1.00
75
2.50
–0.07
70.5
0,46 –1,10
10.2
7.0
3.0
28.20
72.0
–0,30
2.65
4.5
57.60
130.0
2.5
22,8
1.88
6
1.00
80
2.50
–0.07
74.5
0,46 –1,10
10.2
7.4
3.0
30.75
76.5
–0,30
2.65
5.3
71.60
128.0
3.0
19,5
1.89
6
1.00
85
3.00
–0.08
79.5
0,46 –1,10
10.2
7.8
3.5
39.50
81.5
–0,54
3.15
5.3
76.20
215.0
3.0
33,4
3.24
5
1.00
90
3.00
–0.08
84.5
0,54 –1,30
10.2
8.2
3.5
47.70
86.5
–0,54
3.15
5.3
80.80
217.0
3.0
33,4
3.21
5
1.00
95
3.00
–0.08
89.5
0,54 –1,30
10.2
8.6
3.5
53.00
91.5
–0,54
3.15
5.3
85.50
212.0
3.5
29,3
3.21
4
1.00
100
3.00
–0.08
94.5
0,54 –1,30
10.2
9.0
3.5
56.60
96.5
–0,54
3.15
5.3
90.00
206.0
3.5
29,0
3.18
4
1.00

Reverzný zadržiavací krúžok pre externé drážky hriadeľa-m1408 av

Kruh reverzného zadržania hriadeľa je druh elastického prvku, ktorý sa používa na pripojenie a upevnenie častí, jeho funkciou je opraviť reverzný hriadeľ a zabrániť mu v skĺznutí alebo páde, keď je nainštalovaný, jeho elastická deformácia je v opačnom smere k spoločnému elastickému kruhu elastického kruhu hriadeľa.

Materiál: Konvenčná uhlíková oceľ a nehrdzavejúca oceľ (65 m, C67S, 2Cr13, 304, 1,4122 atď.)

Povrchové ošetrenie: Všetky druhy konvenčnej štandardnej liečby, ako je fosfát, Dacromet, Jumet, Plating zinku, pokovovanie niklu zinku, elektroforéza atď.

D1: Špecifikácia/nominálna veľkosť; S: Hrúbka; D3: vnútorný priemer; ≈B: šírka ramena; D5: malý otvor; WT: hmotnosť; FN: kapacita drážky; FR: kapacita ložiskového prsteňa (pravý uhol); G: Veľkosť skosenia; FRG: kapacita ložiskového kruhu (skosenie); N ABL: Limit rýchlosť;

Reverzný zadržiavací krúžok pre externé drážky hriadeľa-m1408 av

d1 S Tol d3 Tol b Tol D5 min Wt (g) d2 Tol m min t n Fn (kN) FR (kN) g FRG (KN) K n · mm n ABLX1000
10
0.6
–0.05
9.2
0,10 –0,36
1.8
± 0,1
1
0.25
9.5
–0.11
0.7
0.25
0.7
0.62
1.4
1
1
5.7
84
12
1
–0.06
11
0,10 –0,36
2.1
± 0,1
1.3
0.5
11.5
–0.11
1.1
0.25
0.7
0.7
4.5
1
2.4
21.6
79
13
1
–0.06
11.9
0,10 –0,36
2.1
± 0,1
1.3
0.56
12.4
–0.11
1.1
0.3
0.9
0.9
5.5
1
2.4
20.8
64
14
1
–0.06
12.9
0,10 –0,36
2.1
± 0,1
1.3
0.58
13.4
–0.11
1.1
0.3
0.9
0.97
6
1
2.4
19.2
56
15
1
–0.06
13.8
0,10 –0,36
2.2
± 0,1
1.3
0.66
14.3
–0.11
1.1
0.35
1
1.22
6.5
1
2.4
19.3
50
16
1
–0.06
14.7
0,10 –0,36
2.3
± 0,1
1.3
0.72
15.2
–0.11
1.1
0.4
1.2
1.48
7
1
2.5
18.7
45
17
1
–0.06
15.7
0,10 –0,36
2.4
± 0,1
1.3
0.81
16.2
–0.11
1.1
0.4
1.2
1.57
8.1
1
2.6
18.2
41
18
1.2
–0.06
16.5
0,10 –0,36
2.6
± 0,1
1.5
1.14
17
–0.11
1.3
0.5
1.5
2.07
14.8
1.5
3.2
32.6
39
20
1.2
–0.06
18.5
0,13 –0,42
2.8
± 0,1
1.5
1.43
19
–0,15
1.3
0.5
1.5
2.3
14.6
1.5
3.1
30.1
32
21
1.2
–0.06
19.35
0,13 –0,42
2.8
± 0,1
1.5
1.53
20
–0,15
1.3
0.5
1.5
2.42
14.4
1.5
3.1
29.9
29
22
1.2
–0.06
20.5
0,13 –0,42
3
± 0,1
1.5
1.63
21
–0,15
1.3
0.5
1.5
2.53
14.2
1.5
3.1
29.7
27
23
1.2
–0.06
21.5
0,13 –0,42
3.1
± 0,1
1.5
1.78
22
–0,15
1.3
0.5
1.5
2.66
14
1.5
3.1
29
25
24
1.2
–0.06
22.2
0,21 –0,42
3.2
± 0,1
1.5
1.9
22.9
–0,21
1.3
0.55
1.6
3.03
14
1.5
3.1
28.8
27
25
1.2
–0.06
23.2
0,21 –0,42
3.4
± 0,1
1.5
2.1
23.9
–0,21
1.3
0.55
1.6
3.18
14.1
1.5
3.2
28.8
25
26
1.2
–0.06
24.2
0,21 –0,42
3.5
± 0,1
1.5
2.18
24.9
–0,21
1.3
0.55
1.6
3.3
14.1
1.5
3.2
28.4
25
28
1.5
–0.06
25.9
0,21 –0,42
3.8
± 0,1
2
3.18
26.6
–0,21
1.6
0.7
2.1
4.5
28
1.5
6.4
56
22
30
1.5
–0.06
27.9
0,21 –0,42
3.9
± 0,1
2
3.58
28.6
–0,21
1.6
0.7
2.1
4.86
27.5
1.5
6.3
53.5
19
32
1.5
–0.06
29.6
0,21 –0,42
4
± 0,1
2
3.88
30.3
–0,25
1.6
0.85
2.5
6.25
27
2
4.7
52
17
34
1.5
–0.06
31.5
0,25 –0,50
4
± 0,1
2
3.6
32.3
–0,25
1.6
0.85
2.5
6.67
26.6
2
4.6
50.5
15
35
1.5
–0.06
32.2
0,25 –0,50
4.2
± 0,1
2
4.53
33
–0,25
1.6
1
2.5
8
26.6
2
4.6
50.1
16
38
1.75
–0.06
34.5
0,25 –0,50
4.5
± 0,1
2
5.5
35.8
–0,25
1.85
1.1
3.3
10.6
42
2
7.8
77
15
40
1.75
–0.06
36.5
0,39 –0,90
4.7
± 0,2
2
6.49
37.5
–0,25
1.85
1.25
3.8
12.6
42
2
7.8
77
15
42
1.75
–0.06
38.5
0,39 –0,90
4.7
± 0,2
2
6.51
39.5
–0,25
1.85
1.25
3.8
13.3
42
2
7.8
76
13
45
1.75
–0.06
41.5
0,39 –0,90
4.7
± 0,2
2
7.8
42.5
–0,25
1.85
1.25
3.8
14.3
41.5
2
7.8
75
11
47
1.75
–0.06
43.5
0,39 –0,90
5
± 0,2
2
8.09
44.5
–0,25
1.85
1.25
3.8
15
41
2
7.8
73.5
10
48
1.75
–0.06
44.5
0,39 –0,90
5.2
± 0,2
2
8.48
45.5
–0,25
1.85
1.25
3.8
15.8
41
2
7.8
73.5
10
50
2
–0.07
45.8
0,39 –0,90
5.2
± 0,2
2.5
9.84
47
–0,25
2.15
1.5
4.5
19.2
58
2
11.6
108
10
55
2
–0.07
50.8
0,46 –1,10
5.8
± 0,2
2.5
11.42
52
–0,30
2.15
1.5
4.5
21
58
2.5
9.3
104
9
58
2
–0.07
53.8
0,46 –1,10
5.8
± 0,2
2.5
13
55
–0,30
2.15
1.5
4.5
22.2
56
2.5
9.2
100
8
60
2
–0.07
55.8
0,46 –1,10
5.8
± 0,2
2.5
13.8
57
–0,30
2.15
1.5
4.5
23
55.5
2.5
9.1
99
7
65
2.5
–0.07
60.8
0,46 –1,10
6
± 0,3
2.5
20.75
62
–0,30
2.65
1.5
4.5
24.8
104
2.5
17.6
187
6
70
2.5
–0.07
65.5
0,46 –1,10
6.5
± 0,3
2.5
23.7
67
–0,30
2.65
1.5
4.5
27
103
2.5
17.6
185
6
72
2.5
–0.07
67.5
0,46 –1,10
6.5
± 0,3
2.5
24.7
69
–0,30
2.65
1.5
4.5
27.7
104
2.5
18
187
6
75
2.5
–0.07
70.5
0,46 –1,10
6.5
± 0,3
2.5
27.5
72
–0,30
2.65
1.5
4.5
29.2
100
2.5
17.7
182
5
80
2.5
–0.07
74.5
0,46 –1,10
7
± 0,3
2.5
28.9
76.5
–0,30
2.65
1.75
5.3
36.6
96
3
14.6
175
6
82
2.5
–0.07
76.5
0,46 –1,10
7
± 0,3
2.5
29.65
78.5
–0,35
2.65
1.75
5.3
37.4
100
3
15.4
184
5
85
3
–0.08
79.5
0,46 –1,10
7.4
± 0,3
3
39.5
81.5
–0,35
3.15
1.75
5.3
38.3
167
3
25.6
300
5
87
3
–0.08
81.5
0,54 –1,30
7.4
± 0,3
3
40
83.5
–0,35
3.15
1.75
5.3
39.2
164
3
25.5
297
5
90
3
–0.08
84.5
0,54 –1,30
7.4
± 0,3
3
41.92
86.5
–0,35
3.15
1.75
5.3
41.7
157
3
24.8
288
4
95
3
–0.08
89.5
0,54 –1,30
8
± 0,3
3
47.7
91.5
–0,35
3.15
1.75
5.3
42.7
152
3.5
21
285
4
100
3
–0.08
94.5
0,54 –1,30
8
± 0,3
3
49.92
96.5
–0,35
3.15
1.75
5.3
45.8
144
3.5
20.5
276
4

Vonkajší 15-stupňový skosený zadržiavací krúžok N1402

Ponorný prsteň hriadeľa je druh namontovaný na drážkovom hriadeli, ktorý sa používa na opravu axiálneho pohybu častí, tento druh vnútorného priemeru kruhu je o niečo menší ako priemer zostavy, a vnútorný priemer produktu s slabým prsteňom, ktorý má 15 stupňov, aby mal 15 stupňov, aby mal 15 stupňov, aby mal 15 stupňov, aby mal 15 stupňov, aby mal 15 stupňov, aby mal 15 stupňov, aby mal 15 stupňov, aby mal 15 stupňov, aby mal 15 stupňov, ktorý má 15 stupňov. sklamanie.

D1: Špecifikácia/nominálna veľkosť; S: Hrúbka; D3: vnútorný priemer; A: Výška hlavy; ≈B: šírka ramena; D5: malý otvor; WT: Hmotnosť;

Vonkajší 15-stupňový skosený zadržiavací krúžok N1402

d1 S Tol S1 Tol d3 Tol max. ≈b D5 min Wt (g) d2 Tol m Tol n min
79.375
2.3622
± 0,0762
1.778
± 0,0508
73.4568
0,508 –0 762
7.9502
6.9088
3.1242
26.274
73.9648
-1,524
1.9304
0.0381
4.0386
80.1624
2.3622
± 0,0762
1.778
± 0,0508
74.168
0,508 –0 762
7.9502
6.9596
3.1242
26.727
74.676
-1,524
1.9304
0.0381
4.1148
82.55
2.3622
± 0,0762
1.778
± 0,0508
76.3524
0,508 –0 762
7.9502
7.112
3.1242
28.086
76.8604
-1,524
1.9304
0.0381
4.2672
84.9884
2.3622
± 0,0762
1.7526
± 0,0508
78.5368
0,508 –0 762
7.9502
7.2644
3.1242
28.992
79.0448
-1,524
1.905
0.0381
4.445
87.3252
2.3622
± 0,0762
1.7526
± 0,0508
80.7466
0,508 –0 762
7.9502
7.4168
3.1242
29.898
81.2546
-1,524
1.905
0.0381
4.5212
88.9
2.7686
± 0,0762
2.1336
± 0,0635
82.2198
0,508 –0 762
8.4582
7.239
3.1242
32.616
82.7278
-1,524
2.3114
0.0508
4.5974
89.9922
2.7686
± 0,0762
2.1336
± 0,0635
83.2358
0,508 –0 762
8.4582
7.3152
3.1242
33.069
83.7438
-1,524
2.3114
0.0508
4.6736
92.075
2.7686
± 0,0762
2.1082
± 0,0635
85.1408
0,508 –0 762
8.4582
7.5184
3.1242
34.428
85.6488
-1,524
2.286
0.0508
4.7752
93.6752
2.7686
± 0,0762
2.1082
± 0,0635
86.614
0,508 –0 762
8.509
7.6708
3.1242
36.24
87.122
-1,524
2.286
0.0508
4.9022
95.25
2.7686
± 0,0762
2.0828
± 0,0635
88.0872
0,508 –0 762
8.5598
7.874
3.1242
37.599
88.5952
-1,524
2.2606
0.0508
4.9784
98.425
2.7686
± 0,0762
2.0828
± 0,0635
91.0336
0,508 –0 762
8.509
8.0772
3.1242
39.864
91.5416
-1,524
2.2606
0.0508
5.1308
100.0252
2.7686
± 0,0762
2.0574
± 0,0635
92.5068
0,508 –0 762
8.8138
8.0772
3.1242
43.035
93.0148
-1,524
2.2352
0.0508
5.2578
101.6
2.7686
± 0,0762
2.0574
± 0,0635
93.98
0,508 –0 762
9.0678
8.0772
3.1242
45.753
94.488
-1,524
2.2352
0.0508
5.334
107.95
2.7686
± 0,0762
2.2098
± 0,0635
101.3206
0,508 –0 762
10.2362
8.0772
3.1242
50.736
101.8286
-1,524
2.3876
0.0508
4.572
111.125
2.7686
± 0,0762
2.2098
± 0,0635
104.2924
0,508 –0 762
10.2362
8.0772
3.1242
52.095
104.8004
-1,524
2.3876
0.0508
4.7244
114.3
2.7686
± 0,0762
2.2098
± 0,0635
107.2642
0,508 –0 762
10.4648
7.239
3.1242
45.753
107.7722
-1,524
2.3876
0.0508
4.8768
120.65
2.7686
± 0,0762
2.159
± 0,0635
113.2332
0,508 –0 762
11.0998
7.6962
3.1242
51.189
113.7412
-1,524
2.3368
0.0508
5.1816
127
2.7686
± 0,0762
2.1336
± 0,0635
119.1768
0,508 –0 762
11.6332
9.144
3.8354
67.497
119.6848
-1,524
2.3114
0.0508
5.4864
133.35
3.175
± 0,1016
2.4892
± 0,0762
125.1458
0,508 –1.016
12.192
9.4488
3.8354
86.07
125.6538
-1.778
2.667
0.0508
5.7404
139.7
3.175
± 0,1016
2.4638
± 0,0762
131.1148
0,508 –1.016
12.827
9.906
3.8354
91.053
131.6228
-1.778
2.6416
0.0508
6.0452
146.05
3.175
± 0,1016
2.4384
± 0,0762
137.0584
0,508 –1.016
13.3604
10.3632
3.8354
90.147
137.5664
-1.778
2.6162
0.0508
6.35
152.4
3.175
± 0,1016
2.413
± 0,0762
143.0274
0,508 –1.016
13.9192
9.6774
3.8354
95.13
143.5354
-1.778
2.5908
0.0508
6.6294
158.75
3.9624
± 0,127
3.1496
± 0,0762
148.9964
0,508 –1,27
14.5542
10.0584
3.8354
127.746
149.5044
-2.032
3.3528
0.0762
6.9342
165.1
3.9624
± 0,127
3.1242
± 0,0762
154.94
0,508 –1,27
15.1892
11.1252
3.8354
149.49
155.448
-2.032
3.3274
0.0762
7.239
171.45
3.9624
± 0,127
3.0988
± 0,0762
160.909
0,508 –1,27
15.748
11.5824
4.6228
161.268
161.417
-2.032
3.302
0.0762
7.493
177.8
3.9624
± 0,127
3.0988
± 0,0762
166.878
0,508 –1,27
16.2814
12.0396
4.6228
175.764
167.386
-2.032
3.2766
0.0762
7.7978
190.5
4.7498
± 0,127
3.7846
± 0,0762
178.7906
0,508 –1,524
17.4752
12.8778
4.6228
241.902
179.2986
-2.032
4.0132
0.0762
8.382
203.2
4.7498
± 0,127
3.7846
± 0,0762
190.7032
0,508 –1,524
18.6436
13.716
4.6228
284.484
191.2112
-2.032
3.9878
0.0762
8.9916
215.9
4.7498
± 0,127
3.7592
± 0,0762
202.6158
0,508 –1,524
19.7612
14.5542
4.6228
317.1
203.1238
-2.032
3.9116
0.0762
9.5504
228.6
4.7498
± 0,127
3.683
± 0,0762
214.503
0,508 –1,524
20.9296
15.4686
4.6228
342.921
215.011
-2.032
3.8862
0.0762
10.16
241.3
4.7498
± 0,127
3.5814
± 0,0762
226.441
0,508 –1,524
21.9964
16.3068
4.6228
371.46
226.949
-2.032
3.81
0.0762
10.7442
254
4.7498
± 0,127
3.5306
± 0,0762
238.379
0,508 –1,524
23.1648
17.145
4.6228
436.692
238.887
-2.032
3.7592
0.0762
11.303

Odolná pružinová oceľ externá e-clip-din6799

Otvorený kruh operovania, tvarový tvar E E-Tvar, všeobecne používaný v pevných ložiskách hriadeľa, prevodových stupňoch a iných častiach s oporným krúžkom, používaný v extrémne širokej škále poľnohospodárskeho priemyslu, automobilového priemyslu atď.

Materiál: Konvenčná uhlíková oceľ a nehrdzavejúca oceľ (65 m, C67S, 2Cr13, 304, 1,4122 atď.)

Povrchové ošetrenie: Všetky druhy konvenčných štandardných ošetrení, ako je fosfát, Dacromet, Jumet, Plating zinku, pokovovanie niklu zinku, elektroforéza atď.

D: Špecifikácia/nominálna veľkosť; S: Hrúbka; D4: Vonkajší priemer; ID: vnútorný priemer; A: Otvorenie; WT: hmotnosť; FN: kapacita drážky; FR: kapacita ložiskového prsteňa (pravý uhol); G: Veľkosť skosenia; FRG: kapacita ložiskového kruhu (skosenie); NABL: Obmedzujúca rýchlosť;

Odolná pružinová oceľ externá e-clip-din6799

d1 S Tol D4 Max a Tol Id Tol Wt (g) d2 Tol m Tol n (min) Fn (kN) d1 FR (kN) g FRG (KN) n ABLX1000
0.8
0.2
± 0,02
2.25
0.58
± 0,04
0.74
-0,04
0.003
0.8
-0,04
0.24
0.04
0.4
0.03
1
0.08
0.3
0.04
50
1.2
0.3
± 0,02
3.3
1.01
± 0,04
1.12
-0,06
0.009
1.2
–0.060
0.34
0.04
0.6
0.04
1,4
0.12
0.4
0.06
47
1.5
0.4
± 0,02
4.3
1.28
± 0,04
1.41
-0,06
0.021
1.5
–0.060
0.44
0.04
0.8
0.07
2
0.22
0.6
0.11
42
1.9
0.5
± 0,02
4.8
1.61
± 0,04
1.8
-0,06
0.04
1.9
–0.060
0.54
0.05
1
0.1
2,5
0.35
0.7
0.17
40
2.3
0.6
± 0,02
6.3
1.94
± 0,04
2.2
-0,06
0.069
2.3
–0.060
0.64
0.05
1
0.15
3
0.5
0.9
0.24
38
3.2
0.6
± 0,02
7.3
2.7
± 0,04
3.06
-0,075
0.088
3.2
–0.075
0.64
0.05
1
0.22
4
0.65
0.9
0.32
35
4
0.7
± 0,02
9.3
3.34
± 0,048
3.85
-0,075
0.158
4
–0.075
0.74
0.05
1.2
0.25
5
0.95
1
0.47
32
5
0.7
± 0,02
11.3
4.11
± 0,048
4.83
-0,075
0.236
5
–0.075
0.74
0.05
1.2
0.9
6
1.15
1
0.6
28
6
0.7
± 0,02
12.3
5.26
± 0,048
5.81
-0,075
0.255
6
–0.075
0.74
0.05
1.2
1.1
7
1.35
1.1
0.7
25
7
0.9
± 0,02
14.3
5.84
± 0,048
6.79
-0,075
0.474
7
–0.090
0.94
0.05
1.5
1.25
8
1.8
1.3
1
22
8
1
± 0,03
16.3
6.52
± 0,058
7.75
-0,09
0.66
8
–0.090
1.05
0.08
1.8
1.42
9
2.5
1.5
1.25
20
9
1.1
± 0,03
18.8
7.63
± 0,058
8.73
-0,09
1
9
–0.090
1.15
0.08
2
1.6
10
3
1.6
1.5
17
10
1.2
± 0,03
20.4
8.32
± 0,058
9.71
-0,09
1.12
10
–0.090
1.25
0.08
2
1.7
11
3.5
1.8
1.75
15
12
1.3
± 0,03
23.4
10.45
± 0,07
11.65
-0,11
1.77
12
–0.110
1.35
0.08
2.5
3.1
13
4.7
1.9
2.3
13
15
1.5
± 0,03
29.4
12.61
± 0,07
14.59
-0,11
3.37
15
–0.110
1.55
0.08
3
7
16
7.8
2.2
3.3
11
19
1.75
± 0,03
37.6
15.92
± 0,07
18.49
-0,13
6.42
19
–0.130
1.8
0.08
3.5
10
20
11
2.5
3.6
8
24
2
± 0,03
44.6
21.88
± 0,084
23.39
-0,13
8.55
24
–0.130
2.05
0.08
4
13
25
15
3
4
6
30
2.5
± 0,03
52.6
25.8
± 0,084
29.25
-0,15
16.62
30
-0,15
2.55
0.08
4.5
16.5
32
23
3.5
5.3
4.2

Crescent E-Clip pre hriadeľové aplikácie-M1800

Crescent E-Clip, v tvare polmesiaca mesiaca, s otvoreným kruhom s otvoreným koncom v tvare polmesiaca, upínací kruh a iný spoločný názov, všeobecne používaný v hriadeli na fixovanie ložísk, ozubených kolies a častí s oporným krúžkom, cez upínanie hriadeľa, aby sa dosiahla axiálna fixácia častí, aby sa zabezpečilo, že časti nebudú axiálne vytesnenie alebo uvoľnenie v procese pohybu.

Materiál: Konvenčná uhlíková oceľ a nehrdzavejúca oceľ (65 m, C67S, 2Cr13, 304, 1,4122 atď.)

Povrchové ošetrenie: Všetky druhy konvenčných štandardných ošetrení, ako je fosfát, Dacromet, Jumet, Plating zinku, pokovovanie niklu zinku, elektroforéza atď.

D1: Špecifikácia/nominálna veľkosť; S: Hrúbka; D3: vnútorný priemer; D4: Vonkajší priemer; B: Šírka ramena; WT: hmotnosť; FN: kapacita drážky; FR: kapacita ložiskového prsteňa (pravý uhol); G: Veľkosť skosenia; FRG: kapacita ložiskového kruhu (skosenie); NABL: Obmedzujúca rýchlosť;

Crescent E-Clip pre hriadeľové aplikácie-M1800

d1 S Tol d3 Tol b d4 Wt (g) d2 Tol m (min) Fn (kN) FR (kN) g FRG (KN) n ABLX1000
3
0.4
–0.05
2.18
± 0,06
0.9
3.98
0.02
2.3
–0.07
0.44
0.35
0.24
0.5
0.4
0.4
4
0.4
–0.05
3
± 0,06
1
5
0.04
3.2
–0.07
0.44
0.4
0.37
0.5
0.4
0.4
5
0.4
–0.05
3.82
± 0,06
1.1
6.02
0.06
4.1
–0.07
0.44
0.45
0.5
0.5
0.4
0.4
6
0.4
–0.05
4.64
± 0,06
1.2
7.04
0.08
5
–0.07
0.44
0.5
0.63
0.5
0.4
0.4
7
0.4
–0.05
5.46
± 0,06
1.3
8.06
0.1
5.9
–0.07
0.44
0.55
0.76
0.5
0.4
0.4
8
0.4
–0.05
6.28
± 0,06
1.4
9.08
0.12
6.8
–0.07
0.44
0.6
0.89
0.5
0.4
0.4
9
0.4
–0.05
7.1
± 0,06
1.5
10.1
0.14
7.7
–0.07
0.44
0.65
1.02
0.5
0.4
0.4
10
0.4
–0.05
7.92
± 0,06
1.6
11.12
0.16
8.6
–0.07
0.44
0.7
1.15
0.5
0.4
0.4
11
0.4
–0.05
8.74
± 0,06
1.7
12.14
0.18
9.5
–0.07
0.44
0.75
1.28
0.5
0.4
0.4
12
0.4
–0.05
9.56
± 0,06
1.8
13.16
0.2
10.4
–0.07
0.44
0.8
1.41
0.5
0.4
0.4
13
0.4
–0.05
10.38
± 0,06
1.9
14.18
0.22
11.3
–0.07
0.44
0.85
1.54
0.5
0.4
0.4
14
0.4
–0.05
11.2
± 0,06
2
15.2
0.24
12.2
–0.07
0.44
0.9
1.67
0.5
0.4
0.4
15
0.4
–0.05
12.02
± 0,06
2.1
16.22
0.26
13.1
–0.07
0.44
0.950000000000001
1.8
0.5
0.4
0.4
16
0.4
–0.05
12.84
± 0,06
2.2
17.24
0.28
14
–0.07
0.44
1
1.93
0.5
0.4
0.4
17
0.4
–0.05
13.66
± 0,06
2.3
18.26
0.3
14.9
–0.07
0.44
1.05
2.06
0.5
0.4
0.4
18
0.4
–0.05
14.48
± 0,06
2.4
19.28
0.32
15.8
–0.07
0.44
1.1
2.19
0.5
0.4
0.4
19
0.4
–0.05
15.3
± 0,06
2.5
20.3
0.34
16.7
–0.07
0.44
1.15
2.32
0.5
0.4
0.4
20
0.4
–0.05
16.12
± 0,06
2.6
21.32
0.36
17.6
–0.07
0.44
1.2
2.45
0.5
0.4
0.4
21
0.4
–0.05
16.94
± 0,06
2.7
22.34
0.38
18.5
–0.07
0.44
1.25
2.58
0.5
0.4
0.4
22
0.4
–0.05
17.76
± 0,06
2.8
23.36
0.4
19.4
–0.07
0.44
1.3
2.71
0.5
0.4
0.4
23
0.4
–0.05
18.58
± 0,06
2.9
24.38
0.42
20.3
–0.07
0.44
1.35
2.84
0.5
0.4
0.4
24
0.4
–0.05
19.4
± 0,06
3
25.4
0.44
21.2
–0.07
0.44
1.4
2.97
0.5
0.4
0.4
25
0.4
–0.05
20.22
± 0,06
3.1
26.42
0.46
22.1
–0.07
0.44
1.45
3.1
0.5
0.4
0.4
26
0.4
–0.05
21.04
± 0,06
3.2
27.44
0.48
23
–0.07
0.44
1.5
3.23
0.5
0.4
0.4
27
0.4
–0.05
21.86
± 0,06
3.3
28.46
0.5
23.9
–0.07
0.44
1.55
3.36
0.5
0.4
0.4
28
0.4
–0.05
22.68
± 0,06
3.4
29.48
0.52
24.8
–0.07
0.44
1.6
3.49
0.5
0.4
0.4
29
0.4
–0.05
23.5
± 0,06
3.5
30.5
0.54
25.7
–0.07
0.44
1.65
3.62
0.5
0.4
0.4
30
0.4
–0.05
24.32
± 0,06
3.6
31.52
0.56
26.6
–0.07
0.44
1.7
3.75
0.5
0.4
0.4
31
0.4
–0.05
25.14
± 0,06
3.7
32.54
0.58
27.5
–0.07
0.44
1.75
3.88
0.5
0.4
0.4
32
0.4
–0.05
25.96
± 0,06
3.8
33.56
0.6
28.4
–0.07
0.44
1.8
4.01
0.5
0.4
0.4
33
0.4
–0.05
26.78
± 0,06
3.9
34.58
0.62
29.3
–0.07
0.44
1.85
4.14
0.5
0.4
0.4
34
0.4
–0.05
27.6
± 0,06
4
35.6
0.64
30.2
–0.07
0.44
1.9
4.27
0.5
0.4
0.4
35
0.4
–0.05
28.42
± 0,06
4.1
36.62
0.66
31.1
–0.07
0.44
1.95
4.4
0.5
0.4
0.4
36
0.4
–0.05
29.24
± 0,06
4.2
37.64
0.68
32
–0.07
0.44
2
4.53
0.5
0.4
0.4
37
0.4
–0.05
30.06
± 0,06
4.3
38.66
0.7
32.9
–0.07
0.44
2.05
4.66
0.5
0.4
0.4
38
0.4
–0.05
30.88
± 0,06
4.4
39.68
0.72
33.8
–0.07
0.44
2.1
4.79
0.5
0.4
0.4
39
0.4
–0.05
31.7
± 0,06
4.5
40.7
0.74
34.7
–0.07
0.44
2.15
4.92
0.5
0.4
0.4

Zabezpečené interné zadržiavacie prstene-m2300 SB

Bezpečné zadržiavacie prstene je zariadenie, ktoré sa používa na zabránenie prevádzky ložiska v ložiskovom puzdre, jeho hlavnou úlohou je fixovať ložisko, a nie brzdenie, sa teraz používa v priamom formovaní tvrdého materiálu a veľkosť konzistencie je lepšia

D1: Špecifikácia/nominálna veľkosť; S: Hrúbka; D3: Vonkajší priemer; B: Šírka ramena; WT: hmotnosť; FN: kapacita záťaže drážky; FR: kapacita načítania kruhu;

Zabezpečené interné zadržiavacie prstene-m2300 SB

d1 S (-0,1) B (-0,1) d3 min Wt (g) d2 Tol m min Fn (kN) FR (kN)
7
0.8
1
7.5
0.09
7.3
0.09
0.9
0.55
3.3
8
0.8
1
8.5
0.1
8.3
0.09
0.9
0.65
3.25
9
0.8
1.1
9.5
0.13
9.3
0.09
0.9
0.7
3.2
10
0.8
1.2
10.6
0.15
10.4
0.09
0.9
1.05
3.15
11
1
1.3
11.6
0.21
11.4
0.11
1.1
1.15
9.15
12
1
1.3
12.7
0.25
12.4
0.11
1.1
1.3
8.9
13
1
1.3
13.8
0.28
13.5
0.11
1.1
1.75
8.8
14
1
1.3
14.8
0.31
14.5
0.11
1.1
1.9
8.2
15
1
1.3
15.8
0.34
15.5
0.11
1.1
2
7.7
16
1.2
1.75
16.8
0.53
16.5
0.11
1.3
2.1
15.5
17
1.2
1.75
17.8
0.55
17.5
0.11
1.3
2.25
15.4
18
1.2
1.75
18.9
0.68
18.5
0.13
1.3
2.4
15.1
19
1.2
1.75
19.9
0.72
19.6
0.13
1.3
3
14.8
20
1.2
1.75
21
0.76
20.6
0.13
1.3
3.2
14.2
21
1.2
1.75
22
0.79
21.6
0.13
1.3
3.35
13.7
22
1.2
1.75
23
0.81
22.6
0.13
1.3
3.5
13.1
23
1.2
1.75
24
0.88
23.6
0.13
1.3
3.65
12.8
24
1.2
1.75
25.2
0.9
24.8
0.13
1.3
5.1
12.5
25
1.2
1.75
26.2
0.91
25.8
0.13
1.3
5.3
12
26
1.2
1.75
27.2
0.98
26.8
0.13
1.3
5.5
11.5
27
1.2
1.75
28.2
1.11
27.8
0.13
1.3
5.7
11.3
28
1.2
1.75
29.2
1.13
28.8
0.13
1.3
5.95
11
29
1.2
1.75
30.2
1.15
29.8
0.13
1.3
6.15
10.9
30
1.5
2.3
31.4
2
31
0.16
1.6
8
26
31
1.5
2.3
32.4
2.03
32
0.16
1.6
8.25
25.6
32
1.5
2.3
33.4
2.11
33
0.16
1.6
8.5
25
33
1.5
2.3
34.4
2.26
34
0.16
1.6
8.75
24.6
34
1.5
2.3
35.4
2.34
35
0.16
1.6
9
23.8
35
1.5
2.3
36.4
2.36
36
0.16
1.6
9.3
23.3
37
1.5
2.3
38.8
2.53
38.2
0.16
1.6
11.75
22
38
1.5
2.3
39.8
2.61
39.2
0.16
1.6
12.15
21.6
39
1.5
2.3
40.8
2.67
40.2
0.16
1.6
12.4
21
40
1.5
2.3
41.8
2.8
41.2
0.16
1.6
12.7
20.7
42
1.5
2.3
43.8
2.92
43.2
0.16
1.6
13.3
19.8
43
1.5
2.3
44.8
3.03
44.2
0.16
1.6
13.7
19.6
44
1.5
2.3
45.8
3.11
45.2
0.16
1.6
14
19.3
45
1.5
2.3
46.8
3.25
46.2
0.16
1.6
14.25
19
46
1.5
2.3
47.8
3.28
47.2
0.16
1.6
14.65
18.4
47
1.5
2.3
48.8
3.29
48.2
0.16
1.6
14.9
18.1
48
1.5
2.3
49.8
3.45
49.2
0.16
1.6
15.3
17.6
50
1.5
2.3
51.8
3.57
51.2
0.19
1.6
15.8
17.2
52
1.5
2.3
54.3
3.58
53.5
0.19
1.6
20.65
16.3
53
1.5
2.3
55.3
3.82
54.5
0.19
1.6
21.05
16.1
55
1.5
2.3
57.3
3.93
56.5
0.19
1.6
21.8
15.7
57
1.5
2.3
59.3
4.12
58.5
0.19
1.6
22.6
15.3
58
1.5
2.3
60.3
4.13
59.5
0.19
1.6
23
15
60
1.5
2.3
62.3
4.28
61.5
0.19
1.6
23.8
14.6
62
1.5
2.3
64.3
4.42
63.5
0.19
1.6
24.6
14.2
63
1.5
2.3
65.3
4.5
64.5
0.19
1.6
25
13.7
65
1.5
2.3
67.3
4.72
66.5
0.19
1.6
25.7
13.6
68
1.5
2.3
70.3
4.9
69.5
0.19
1.6
26.9
12.9
70
1.5
2.3
72.3
4.93
71.5
0.19
1.6
27.7
12.8
72
2
2.8
74.6
8.49
73.8
0.19
2.2
34.2
35.7
73
2
2.8
75.6
8.52
74.8
0.19
2.2
34.7
35.3
74
2
2.8
76.6
8.6
75.8
0.19
2.2
35.3
34.8
76
2
2.8
78.6
8.89
77.8
0.19
2.2
36.2
33.8
78
2
2.8
80.6
9.05
79.8
0.19
2.2
37.1
32.6
79
2
2.8
81.6
9.07
80.8
0.22
2.2
37.6
32
80
2
2.8
82.6
9.22
81.8
0.22
2.2
38
31.4
81
2
2.8
83.6
9.31
82.8
0.22
2.2
38.6
31.3
82
2
2.8
84.6
9.45
83.8
0.22
2.2
39
30.7
83
2
2.8
85.6
9.63
84.8
0.22
2.2
39.5
30.1
85
2
2.8
87.6
9.81
86.8
0.22
2.2
40.4
29.6
86
2
2.8
88.6
9.91
87.8
0.22
2.2
40.9
29
88
2.5
3.4
91
15.4
90
0.22
2.7
46.5
65.8
90
2.5
3.4
93
15.6
92
0.22
2.7
47.6
63.5
92
2.5
3.4
95
16.6
94
0.22
2.7
48.6
62
93
2.5
3.4
96
16.8
95
0.22
2.7
49.2
61.8
95
2.5
3.4
98
16.9
97
0.22
2.7
50.2
59.3
97
2.5
3.4
100
17.1
99
0.22
2.7
51.3
58.2
98
2.5
3.4
101
17.5
100
0.22
2.7
51.8
56.6
100
2.5
3.4
103
17.9
102
0.22
2.7
52.8
55.5
102
2.5
3.4
105.3
18.4
104.3
0.22
2.7
62
53.6
103
2.5
3.4
106.3
18.5
105.3
0.22
2.7
62.6
53.2
105
2.5
3.4
108.3
18.7
107.3
0.22
2.7
63.8
51.8
107
2.5
3.4
110.3
19.1
109.3
0.22
2.7
65
50.7
108
2.5
3.4
111.3
19.3
110.3
0.22
2.7
65.6
50.5
110
2.5
3.4
113.4
19.8
112.3
0.22
2.7
66.8
49
112
2.5
3.4
115.4
20.3
114.3
0.22
2.7
68
47
113
2.5
3.4
116.4
20.5
115.3
0.22
2.7
68.6
46.5
115
2.5
3.4
118.4
20.6
117.3
0.22
2.7
69.4
45.5
117
2.5
3.4
120.4
20.8
119.3
0.22
2.7
71
44.6
118
2.5
3.4
121.4
21.1
120.3
0.25
2.7
71.7
44.2
120
2.5
3.4
123.5
21.4
122.3
0.25
2.7
72.8
43.3
123
2.5
3.4
126.5
22
125.3
0.25
2.7
74.7
41.2
125
2.5
3.4
128.5
22.5
127.3
0.25
2.7
75.9
40.2
127
2.5
3.4
130.5
23
129.3
0.25
2.7
77
39.8
130
2.5
3.4
133.6
23.4
132.3
0.25
2.7
78.9
38.2
133
2.5
3.4
136.6
24.4
135.3
0.25
2.7
80.7
36.8
135
2.5
3.4
138.6
25
137.3
0.25
2.7
81.9
36.6
137
2.5
3.4
140.6
25.3
139.3
0.25
2.7
83
35.6
140
2.5
4
144
29.3
142.6
0.25
2.7
96.1
40.2
143
2.5
4
147
30.1
145.6
0.25
2.7
98.1
38.6
150
2.5
4
154.1
31.9
152.6
0.25
2.7
102
36.2
153
2.5
4
157.1
32.6
155.6
0.25
2.7
104
35.6
160
2.5
4
164.2
34.4
162.6
0.25
2.7
108
34.6
163
2.5
4
167.2
34.6
165.6
0.25
2.7
111
33.5
165
2.5
4
169.2
34.9
167.6
0.25
2.7
113
32.8
170
2.5
4
174.3
36.2
172.6
0.25
2.7
116
32
173
2.5
4
177.3
37.1
175.6
0.25
2.7
118
32
175
2.5
4
179.3
37.3
177.6
0.25
2.7
119
31.4
180
2.5
4
184.5
38.3
182.6
0.29
2.7
123
30.8
183
2.5
4
187.5
41
185.6
0.29
2.7
125
30
190
3
5
194.9
61.3
193
0.29
3.2
150
62.8
195
3
5
199.9
61.6
198
0.29
3.2
154
61.5
200
3
5
205
64.5
203
0.29
3.2
158
59
205
3
5
210
66.4
208
0.29
3.2
162
57.8
210
3
5
215.1
68.8
213
0.29
3.2
166
56.8
215
3
5
220.1
69.5
218
0.29
3.2
169
55.5
220
3
5
225.2
72.4
223
0.29
3.2
173
54.4
225
3
5
230.2
72.9
228
0.29
3.2
177
53.3
230
3
5
235.3
75.2
233
0.29
3.2
181
52
240
3
5
245.4
80.9
243
0.29
3.2
189
49.6
250
3
5
255.5
84.2
253
0.32
3.2
197
48.5
260
4
7.5
267.6
165
265
0.32
4.2
343
162
270
4
7.5
277.7
174
275
0.32
4.2
356
157
280
4
7.5
287.8
184
285
0.32
4.2
369
152
290
4
7.5
297.9
190
295
0.32
4.2
382
144
300
4
7.5
307.9
196
305
0.32
4.2
395
140
310
4
7.5
318
200
315
0.32
4.2
408
136
320
4
7.5
328.1
203
325
0.36
4.2
422
132
325
4
7.5
333.1
206
330
0.36
4.2
428
129
330
4
7.5
338.2
209
335
0.36
4.2
435
126
340
4
7.5
348.3
219
345
0.36
4.2
448
123
350
4
7.5
358.4
229
355
0.36
4.2
452
121
355
4
7.5
363.4
231
360
0.36
4.2
467
121
360
4
7.5
368.5
233
365
0.36
4.2
487
119
370
4
7.5
378.5
236
375
0.36
4.2
493
116
375
4
7.5
383.5
240
380
0.36
4.2
500
112
380
4
7.5
388.6
242
385
0.36
4.2
513
111
390
4
7.5
398.7
253
395
0.36
4.2
520
110
395
4
7.5
403.7
257
400
0.36
4.2
526
109
400
4
7.5
408.9
260
405
0.4
4.2
529
106
410
4
7.5
419
266
415
0.4
4.2
546
105
415
4
7.5
424
273
420
0.4
4.2
552
104
420
4
7.5
429.1
277
425
0.4
4.2
553
101
430
4
7.5
439.2
285
435
0.4
4.2
565
100
440
4
7.5
449.3
294
445
0.4
4.2
578
98

Vonkajšie zadržiavacie krúžky pre ložiská hriadeľa-din5417

Vonkajšie zadržiavacie krúžky pre ložiská hriadeľa je zariadenie, ktoré sa používa na zabránenie prevádzky ložiska v ložiskovom puzdre

D1: Špecifikácia/nominálna veľkosť; S: Hrúbka; D3: vnútorný priemer; ≈e: otvorenie; R: Uhol vnútorného priemeru; B: Šírka ramena; WT: hmotnosť; FN: kapacita drážky; FR: kapacita ložiskového prsteňa (pravý uhol); G: Veľkosť skosenia; FRG: kapacita ložiskového kruhu (skosenie); NABL: Limit rýchlosť;

Vonkajšie zadržiavacie krúžky pre ložiská hriadeľa-din5417

d1 S Tol d3 Tol e (≈) r (min) b Tol Wt (g) d2 Tol m Tol Fn (kN) FR (kN) g FRG (KN) n Abl
30
1.12
–0,1
27.4
0.4
3
0.4
3.25
–0,15
2.8
28.17
–0,25
1.35
0.3
13.7
16.6
2
2.91
16
32
1.12
–0,1
29.4
0.4
3
0.4
3.25
–0,15
3
30.15
–0,25
1.35
0.3
14.6
14.6
2
2.57
13
35
1.12
–0,1
32.4
0.4
3
0.4
3.25
–0,15
3.2
33.17
–0,25
1.35
0.3
16
13.4
2
2.42
11
37
1.12
–0,1
34
0.4
3
0.4
3.25
–0,15
3.4
34.77
–0,25
1.35
0.3
20.7
13.6
2
2.45
10
40
1.12
–0,1
37.3
0.4
3
0.4
3.25
–0,15
3.6
38.1
–0,25
1.35
0.3
19.3
13.5
2
2.5
8
42
1.12
–0,1
38.9
0.5
3
0.4
3.25
–0,15
3.8
39.75
–0,25
1.35
0.3
23.5
12.9
2
2.39
7
44
1.12
–0,1
40.9
0.5
3
0.4
3.25
–0,15
4
41.75
–0,25
1.35
0.3
24.6
12.4
2
2.29
7
47
1.12
–0.1
43.7
0.5
4
0.4
4.04
–0,15
5.3
44.6
–0,25
1.35
0.3
28.8
12.1
2
2.29
7
50
1.12
–0,1
46.7
0.5
4
0.4
4.04
–0,15
5.8
47.6
–0,25
1.35
0.3
30.6
13.3
2
2.6
6
52
1.12
–0.1
48.8
0.5
4
0.4
4.04
–0,15
5.9
49.73
–0,25
1.35
0.3
31.6
12.8
2.5
2.01
6
55
1.12
–0.1
51.7
0.5
4
0.4
4.04
–0,15
6.2
52.6
–0,25
1.35
0.3
33.8
11.8
2.5
1.9
5
56
1.12
–0,1
52.4
0.8
4
0.4
4.04
–0,15
6.5
53.6
–0,25
1.35
0.3
34.5
12.1
2.5
1.95
5
58
1.12
–0,1
54.4
0.8
4
0.4
4.04
–0,15
6.7
55.6
–0,25
1.35
0.3
35.6
11.5
2.5
1.89
5
62
1.7
–0,1
58.2
0.8
4
0.6
4.04
–0,15
10.5
59.61
–0,50
1.9
0.3
38.1
37.6
2.5
6.18
5
65
1.7
–0,1
61.2
0.8
4
0.6
4.04
–0,15
11
62.6
–0,50
1.9
0.3
40
34.9
2.5
5.89
4
68
1.7
–0.1
63.4
0.8
5
0.6
4.85
–0,15
12.6
64.82
–0,50
1.9
0.3
55.5
40.9
2.5
7.06
4
72
1.7
–0.1
67.4
0.8
5
0.6
4.85
–0,15
14.7
68.81
–0,50
1.9
0.3
59
38.9
2.5
6.71
4
75
1.7
–0,1
70.4
0.8
5
0.6
4.85
–0,15
15.3
71.83
–0,50
1.9
0.3
61.5
36.6
2.5
6.46
3
80
1.7
–0.1
75.4
0.8
5
0.6
4.85
–0,15
16.3
76.81
–0,50
1.9
0.3
65.7
34.8
3
5.25
3
85
1.7
–0.1
80.4
0.8
5
0.6
4.85
–0,15
17.5
81.81
–0,50
1.9
0.3
70
33.5
3
5.16
3
90
2.46
–0,1
85.4
0.8
5
0.7
4.85
–0,15
26.6
86.79
–0,50
2.7
0.3
74
93.9
3
14.8
2
95
2.46
–0.1
90.4
0.8
5
0.7
4.85
–0,15
28.2
91.82
–0,50
2.7
0.3
76.3
86.8
3.5
12
2
100
2.46
–0,1
95.2
1
5
0.7
4.85
–0,15
29.2
96.8
–0,50
2.7
0.3
82.5
80.8
3.5
11.4
2
110
2.46
–0,1
105.2
1
5
0.7
4.85
–0,15
32.8
106.81
–0,50
2.7
0.3
90.7
71.2
3.5
10.4
1
115
2.46
–0,1
110.2
1
5
0.7
4.85
–0,15
34.4
111.81
–0,50
2.7
0.3
97.7
66.6
3.5
10
1
120
2.82
–0,1
113.6
1
7
0.7
7.21
–0,15
60.6
115.21
–0,50
3.1
0.3
143
140
3.5
21.3
2
125
2.82
–0,1
118.6
1
7
0.7
7.21
–0,15
63
120.22
–0,50
3.1
0.3
155
132
4
17.9
2
130
2.82
–0,1
123.6
1
7
0.7
7.21
–0,15
65.6
125.22
–0,50
3.1
0.3
166
124.7
4
17.3
1
140
2.82
–0.1
133
1.6
7
0.7
7.21
–0,15
70.6
135.23
–0,50
3.1
0.3
180
111.6
4
16
1
145
2.82
–0.1
138
1.6
7
0.7
7.21
–0,15
73
140.23
–0,50
3.1
0.3
186
106.4
4
15.5
1
150
2.82
–0,1
142.9
1.6
7
0.7
7.21
–0,15
77.2
145.24
–0,50
3.1
0.3
193
101.5
4
15
1
160
2.82
–0,1
152.9
1.6
7
0.7
7.21
–0,15
81
155.22
–0,50
3.1
0.3
206
92
4
14.1
1
170
3.1
–0.1
161.3
1.6
10
0.7
9.6
–0,15
122
163.65
–0,50
3.5
0.3
283
148
5
18.7
1
180
3.1
–0,1
171.2
1.6
10
0.7
9.6
–0,15
128
173.66
–0,50
3.5
0.3
292
135
5
17.7
1
190
3.1
–0,1
181
1.8
10
0.7
9.6
–0,15
139
183.64
–0,50
3.5
0.3
311
124
5
16.7
1
200
3.1
–0,1
191
1.8
10
0.7
9.6
–0,15
148
193.65
–0,50
3.5
0.3
336
116
5
16
1
210
3.1
–0,1
200.9
1.8
10
1.2
9.6
–0,15
156
203.6
–0,50
3.5
0.3
356
106
6
12.7
1
215
3.1
–0,1
205.9
1.8
10
1.2
9.6
–0,15
160
208.6
–0,50
3.5
0.3
376
103
6
12.4
1
225
3.5
–0.1
214.3
1.8
10
1.2
10
–0,15
196
217
–0,50
4.5
0.4
462
144
6
17.9
1
230
3.5
–0.1
219.2
1.8
10
1.2
10
–0,15
200
222
–0,50
4.5
0.4
473
139.1
6
17.5
1
240
3.5
–0.1
229.2
1.8
10
1.2
10
–0,15
209
232
–0,50
4.5
0.4
495
130
6
16.8
0.5
250
3.5
–0,1
239.2
1.8
10
1.2
10
–0,15
220
242
–0,50
4.5
0.4
514
122
6
16.1
0.5
260
3.5
–0.1
247.5
2.5
10
1.2
10
–0,30
230
252
–0,50
4.5
0.4
536
114
6
15.5
0.5
270
3.5
–0,1
257.5
2.5
10
1.2
10
–0,30
240
262
–0,50
4.5
0.4
556
107
6
14.9
0.5
280
3.5
–0,1
267.5
2.5
10
1.2
10
–0,30
250
272
–0,50
4.5
0.4
578
101
6
14.4
0.5
290
3.5
–0,1
277.5
2.5
10
1.2
10
–0,30
260
282
–0,50
4.5
0.4
598
95.4
6
13.9
0.4
300
4.5
–0,2
284.5
2.5
10
1.5
12
–0,30
400
290
–0,50
5.5
0.5
694
230
7
34.2
0.6
310
4.5
–0,2
294
3
10
1.5
12
–0,30
412
300
–0,50
5.5
0.5
800
218
7
28.4
0.5
320
4.5
–0,2
304
3
10
1.5
12
–0,30
420
310
–0,50
5.5
0.5
824
207
7
27.6
0.5
340
4.5
–0,2
324
3
10
1.5
12
–0,30
446
330
–0,50
5.5
0.5
875
187
7
26
0.4
360
4.5
–0,2
343
3
10
1.5
12
–0,30
475
350
–0,50
5.5
0.5
930
169
7
24.5
0.4
370
4.5
–0,2
353
3
10
1.5
12
–0,30
485
360
–0,50
5.5
0.5
955
162
7
23.8
0.4
380
4.5
–0,2
363
3
10
1.5
12
–0,30
500
370
–0,50
5.5
0.5
955
154
7
23.2
0.4
400
4.5
–0,2
383
3
10
1.5
12
–0,30
525
390
–0,50
5.5
0.5
1040
144
7
22.1
0.3

Vonkajší externý Snap Ring-M2400 SW

Vonkajší zásahový prsteň s vysokým posunom s vysokým obsahom posunu je zariadenie, ktoré sa používa na zabránenie prevádzky ložiska v ložiskovom puzdre, jeho hlavnou úlohou je fixovať ložisko, a nie brzdenie, ktoré sa teraz používa v priamom formovaní tvrdého materiálu, veľkosť konzistencie je lepšia

D1: Špecifikácia/nominálna veľkosť; S: Hrúbka; D3: vnútorný priemer; B: Šírka ramena; WT: hmotnosť; FN: kapacita drážky; FR: kapacita ložiska na zadržaní; NABL: Obmedzujúca rýchlosť;

Vonkajší externý Snap Ring-M2400 SW

d1 S (-0,1) B (-0,1) D3 Max Wt (g) d2 Tol m min Fn (kN) FR (kN) n ABLX1000
4
0.5
0.8
3.7
0.02
3.8
–0.09
0.6
0.2
1.25
275
5
0.5
1
4.7
0.05
4.8
–0.09
0.6
0.26
1.3
192
6
0.7
1.1
5.6
0.09
5.7
–0.09
0.8
0.46
3.5
141
7
0.7
1.2
6.5
0.12
6.7
–0.09
0.8
0.54
3.5
134
8
1
1.3
7.4
0.2
7.6
–0.09
1.1
0.82
6.5
108
9
1
1.3
8.4
0.24
8.6
–0.09
1.1
0.92
6.5
80
10
1
1.3
9.4
0.25
9.6
–0.09
1.1
1.03
6.5
68
11
1
1.3
10.2
0.29
10.5
–0.11
1.1
1.4
9.8
64
12
1
1.3
11.2
0.3
11.5
–0.11
1.1
1.53
9.3
53
13
1
1.3
12.2
0.34
12.5
–0.11
1.1
1.7
8.9
43
14
1.2
1.5
13.1
0.5
13.5
–0.11
1.3
1.8
17
45
15
1.2
1.75
14
0.66
14.4
–0.11
1.3
2.3
18.7
44
16
1.2
1.75
15
0.69
15.4
–0.11
1.3
2.47
17.7
38
17
1.2
1.75
16
0.72
16.4
–0.11
1.3
2.63
17
34
18
1.2
1.75
17
0.75
17.4
–0.11
1.3
2.78
16.2
30
19
1.2
1.75
17.9
0.8
18.4
–0.13
1.3
2.94
15.6
29
20
1.2
1.75
18.7
0.84
19.2
–0.13
1.3
4.1
15
26
21
1.2
1.75
19.7
0.87
20.2
–0.13
1.3
4.3
14.6
23
22
1.2
1.75
20.7
0.91
21.2
–0.13
1.3
4.5
14
21
24
1.2
1.75
22.5
0.99
23
–0.13
1.3
6.15
13.3
18
25
1.2
1.75
23.5
1
24
–0.13
1.3
6.4
12.8
16
26
1.2
1.75
24.5
1.1
25
–0.13
1.3
6.65
12.5
15
27
1.5
2.3
25.5
2
26
–0.13
1.6
6.95
30
16
28
1.5
2.3
26.5
2.11
27
–0.13
1.6
7.2
29.3
15
29
1.5
2.3
27.5
2.2
28
–0.13
1.6
7.45
28.2
14
30
1.5
2.3
28.5
2.33
29
–0.13
1.6
7.7
27.5
13
32
1.5
2.3
30.2
2.41
30.8
–0.16
1.6
9.9
26.5
13
35
1.5
2.3
33.2
2.51
33.8
–0.16
1.6
10.8
24.4
11
37
1.5
2.3
35.2
2.72
35.8
–0.16
1.6
11.3
23.5
9
38
1.5
2.3
36.2
2.83
36.8
–0.16
1.6
11.6
22.7
9
40
1.5
2.3
37.8
2.91
38.5
–0.16
1.6
15.5
22
8
42
1.5
2.3
39.8
3.1
40.5
–0.16
1.6
16.2
21.4
7
43
1.5
2.3
40.8
3.25
41.5
–0.16
1.6
16.5
21.1
7
45
1.5
2.3
42.8
3.39
43.5
–0.16
1.6
17.3
20.6
6
47
1.5
2.3
44.8
3.48
45.5
–0.16
1.6
18.2
19.2
6
48
1.5
2.3
45.8
3.6
46.5
–0.16
1.6
18.7
18.6
5
50
1.5
2.3
47.8
3.73
48.5
–0.16
1.6
19.5
18.1
5
52
1.5
2.3
49.8
3.92
50.5
–0.19
1.6
20.2
17.7
4
55
1.5
2.3
52.6
4.11
53.5
–0.19
1.6
21
16.5
4
58
1.5
2.3
55.6
4.4
56.5
–0.19
1.6
22.5
15.7
4
60
1.5
2.3
57.6
4.55
58.5
–0.19
1.6
23.2
15.4
4
63
1.5
2.3
60.6
4.58
61.5
–0.19
1.6
24.4
14.7
3
65
1.5
2.3
62.6
4.64
63.5
–0.19
1.6
25.2
14.2
3
68
2
2.8
65.4
8.59
66.2
–0.19
2.2
31.7
39.6
3
70
2
2.8
67.4
8.71
68.2
–0.19
2.2
32.5
38.4
3
72
2
2.8
69.4
8.8
70.2
–0.19
2.2
33.7
37.6
3
73
2
2.8
70.4
8.9
71.2
–0.19
2.2
34
37
3
75
2
2.8
72.4
9.32
73.2
–0.19
2.2
35
36.2
2
80
2
2.8
77.4
9.67
78.2
–0.19
2.2
37.4
34.2
2
85
2.5
3.4
82
16
83
–0,22
2.7
44
72
2
90
2.5
3.4
87
16
88
–0,22
2.7
46.5
66.3
2
95
2.5
3.4
92
18.2
93
–0,22
2.7
49.2
61.8
2
100
2.5
3.4
97
18.9
98
–0,22
2.7
51.9
57.3
2
105
2.5
3.4
101.7
20.7
102.7
–0,22
2.7
65
54
2
110
2.5
3.4
106.6
20.9
107.7
–0,22
2.7
69
50.4
1
115
2.5
3.4
111.6
22.1
112.7
–0,22
2.7
71
47.2
1
120
2.5
3.4
116.5
24.1
117.7
–0,22
2.7
75
44.8
1
125
2.5
3.4
121.5
25.1
122.7
–0,25
2.7
78.5
41.8
1
130
2.5
3.4
126.4
26.6
127.7
–0,25
2.7
84
39.6
1
135
2.5
4
131.1
30.2
132.4
–0,25
2.7
87
44
1
140
2.5
4
136
31.1
137.4
–0,25
2.7
91.5
41.6
1
145
2.5
4
141
32.6
142.4
–0,25
2.7
95
39.6
1
150
2.5
4
145.9
32.8
147.4
–0,25
2.7
98
37.5
1
155
2.5
4
150.9
34.7
154.4
–0,25
2.7
100
36.3
1
160
2.5
4
155.8
36.6
157.4
–0,25
2.7
103
35.6
1
165
2.5
4
160.8
37.4
162.4
–0,25
2.7
106
34.2
0.5
170
2.5
4
165.7
38.5
167.4
–0,25
2.7
108
33.5
0.5
175
2.5
4
170.7
39.4
172.4
–0,25
2.7
117
32.2
0.4
180
3
5
175.2
61.2
177
–0,25
3.2
140
67.5
1
185
3
5
180.2
63.9
182
–0,29
3.2
144
66.2
1
190
3
5
185.1
65.9
187
–0,29
3.2
148
64
1
195
3
5
190.1
67.5
192
–0,29
3.2
152
62.6
1
200
3
5
196
68.4
197
–0,29
3.2
156
61.4
0.5
210
3
5
204.9
72
207
–0,29
3.2
164
58
0.5
220
3
5
214.8
76.3
217
–0,29
3.2
171
55.5
0.4
230
3
5
224.7
79.8
227
–0,29
3.2
180
53
0.3
240
3
5
234.6
81.7
237
–0,29
3.2
187
51
0.3
250
3
5
244.5
86.5
247
–0,32
3.2
195
49
0.3
260
4
7.5
252.4
179
255
–0,32
4.2
338
168
0.4
265
4
7.5
257.4
185.2
260
–0,32
4.2
344
165
0.4
270
4
7.5
262.3
197.7
265
–0,32
4.2
350
162
0.4
280
4
7.5
272.2
198.7
275
–0,32
4.2
362
155
0.4
285
4
7.5
277.2
199.5
280
–0,32
4.2
370
151
0.3
290
4
7.5
282.1
205.3
285
–0,32
4.2
377
148
0.3
300
4
7.5
292.1
214.2
295
–0,32
4.2
390
145
0.3
305
4
7.5
297.1
219.4
300
–0,32
4.2
396
142
0.3
310
4
7.5
302
223.1
305
–0,32
4.2
402
139
0.3
320
4
7.5
311.9
225.3
315
–0,32
4.2
416
137
0.3
330
4
7.5
321.8
228.6
325
–0,36
4.2
428
132
0.2
340
4
7.5
331.7
239.3
335
–0,36
4.2
442
129
0.2
350
4
7.5
341.6
251.2
345
–0,36
4.2
455
123
0.2
360
4
7.5
351.5
253.1
355
–0,36
4.2
468
120
0.2
370
4
7.5
361.5
259.2
365
–0,36
4.2
482
117
0.2
380
4
7.5
371.4
265.8
375
–0,36
4.2
494
115
0.2
390
4
7.5
381.3
273.9
385
–0,36
4.2
507
112
0.2
400
4
7.5
391.2
281.1
395
–0,36
4.2
521
109
0.1
420
4.5
12
410
531
415
–0,36
4.8
547
133
0.3
460
4.5
12
449.5
582
455
–0,36
4.8
600
126
0.2

Vysokom zaťaženia Belleville Spring Washer-Din2093

Disk pružiny sú špeciálne pružiny, ktoré sú kužeľové v axiálnom smere a sú vystavené zaťaženiu. Po zdeformovaní zaťažením ušetrí určité množstvo potenciálnej energie a keď sa zdá, že skrutky sú uvoľnené, disky Springs uvoľňujú časť potenciálnej energie, aby sa udržal tlak medzi prírubovými spojeniami, aby sa splnili požiadavky na tesnenie. Rozloženie napätia diskových pružín rovnomerne znižuje zvnútra na vonku, čo môže dosiahnuť účinok nízkej mozgovej príhody a vysokej kompenzačnej sily. Používajú sa v širokej škále aplikácií. V mechanických zariadeniach a elektronických výrobkoch môže účinne zabrániť uvoľňovaniu, tlmeniu nárazov vankúša, ochrane upevňovacích prvkov a znížení opotrebenia.

Materiál: 51Crv4, 50Crv4, 50crva, 60Si2Mn, atď.

Povrchové ošetrenie: fosfát, Dacromet, Jumet atď.

D: vnútorný priemer; D: Vonkajší priemer; S: Hrúbka; T: výška

Vysokom zaťaženia Belleville Spring Washer-Din2093

d1 Špekulácia D S Tol t Tol
4.2
4,2*8
8
0,2
 0,02 0,06
S < 1,25
 0,10 0,05
5.2
5.2*10
10
0,2
 0,02 0,06
S < 1,25
 0,10 0,05
6.2
6.2*12,5
12.5
0,2
 0,02 0,06
S < 1,25
 0,10 0,05
7.2
7,2*14
14
0,2
 0,02 0,06
S < 1,25
 0,10 0,05
8.2
8.2*16
16
0,2
 0,02 0,06
S < 1,25
 0,10 0,05
9.2
9,2*18
18
0,6 < s < 1,25
 0,03 0,09
1,25
 0,15 0,08
10.2
10,2*20
20
0,6 < s < 1,25
 0,03 0,09
1,25
 0,15 0,08
11.2
11,2*22,5
22.5
0,6 < s < 1,25
 0,03 0,09
1,25
 0,15 0,08
12.2
12,2*25
25
0,6 < s < 1,25
 0,03 0,09
1,25
 0,15 0,08
14.2
14.2*28
28
0,6 < s < 1,25
 0,03 0,09
1,25
 0,15 0,08
16.3
16,3*31,5
31.5
1,25
 0,04 0,12
2,0 < S <3,0
 0,20 0,10
18.3
18,3*35,5
35.5
1,25
 0,04 0,12
2,0 < S <3,0
 0,20 0,10
20.4
20,4*40
40
1,25
 0,04 0,12
2,0 < S <3,0
 0,20 0,10
22.4
22,4*45
45
1,25
 0,04 0,12
2,0 < S <3,0
 0,20 0,10
25.4
25,4*50
50
1,25
 0,04 0,12
2,0 < S <3,0
 0,20 0,10
28.5
28,5*56
56
3,8 < S <6,0
 0,05 0,15
3,0 < S <6,0
 0,30 0,15
31
31*63
63
3,8 < S <6,0
 0,05 0,15
3,0 < S <6,0
 0,30 0,15
36
36*71
71
3,8 < S <6,0
 0,05 0,15
3,0 < S <6,0
 0,30 0,15
41
41*80
80
3,8 < S <6,0
 0,05 0,15
3,0 < S <6,0
 0,30 0,15
46
46*90
90
3,8 < S <6,0
 0,05 0,15
3,0 < S <6,0
 0,30 0,15
51
51*100
100
6,0 < S <8,0
 0,10
6,0 < S <144,0
 0,30
57
57*112
112
6,0 < S <8,0
 0,10
6,0 < S <144,0
 0,30
64
64*125
125
6,0 < S <8,0
 0,10
6,0 < S <144,0
 0,30
72
72*140
140
6,0 < S <8,0
 0,10
6,0 < S <144,0
 0,30
82
82*160
160
6,0 < S <8,0
 0,10
6,0 < S <144,0
 0,30
92
92*180
180
6,0 < S <8,0
 0,10
6,0 < S <144,0
 0,30
102
102*200
200
6,0 < S <8,0
 0,10
6,0 < S <144,0
 0,30
112
112*275
225
6,0 < S <8,0
 0,10
6,0 < S <144,0
 0,30
127
127*250
250
6,0 < S <8,0
 0,10
6,0 < S <144,0
 0,30

Zaťaženie distribúcie všestranných materiálových plochých umývačiek-din988

Ploché podložky sú zvyčajne tenké kúsky rôznych tvarov, ktoré sa používajú na zníženie trenia, zabránenie úniku, izolovanie, zabránenie uvoľneniu alebo rozptýleného tlaku. Všeobecne sú to ploché kovové krúžky, ktoré sa používajú na ochranu povrchu pripojenej časti pred otepovaním maticou a na distribúciu tlaku matice na pripojenej časti. Takéto časti sa nachádzajú v mnohých materiáloch a konštrukciách na splnenie všetkých druhov podobných účinkov a sú zvyčajne klasifikované do dvoch štátov, tvrdení a netvrdení, podľa okolností ich použitia. Na druhej strane sa v oblasti automobilových častí používa viac ako nastavovacia rozpery cez brúsku.

Materiál: Konvenčná uhlíková oceľ a nehrdzavejúca oceľ atď. (65 m, C67S, DC01, SPCC, 2CR13, 301, 304 atď.).

Povrchové ošetrenie: Všetky druhy konvenčnej štandardnej liečby, ako je fosfát, Dacromet, Jumet, Plating zinku, pokovovanie niklu zinku, elektroforéza atď.

Hrúbka: 0,1 (0/-0,03); 0,15 (0/-0,03); 0,2 (0/-0,04); 0,3 ~ 2 (0/-0,05)

Zaťaženie distribúcie všestranných materiálových plochých umývačiek-din988

d1 (Špecifikácie) D)
3
3*6
6
4
4*8
8
5
5*10
10
6
6*12
12
7
7*13
13
8
8*14
14
9
9*15
15
10
10*16
16
11
11*17
17
12
12*18
18
13
13*19
19
14
14*20
20
15
15*21
21
15
15*22
22
16
16*22
22
17
17*24
24
18
18*25
25
19
19*26
26
20
20*28
28
22
22*30
30
22
22*32
32
25
25*36
35
25
25*36
36
26
26*37
37
28
28*40
40
30
30*42
42
32
32*45
45
35
35*45
45
36
36*45
45
37
37*47
47
40
45*50
50
42
42*52
52
45
45*55
55
45
45*56
56
48
48*60
60
50
50*62
62
50
50*63
63
52
52*65
65
55
55*68
68
56
56*70
70
56
56*72
72
60
60*75
75
63
63*80
80
65
65*85
85
70
70*90
90
75
75x95
95
80
80x100
100
85
85x105
105
90
90x110
110
95
95x115
115

Horná podložka s vysokou pevnosťou v ťahu

Horné podložky s vysokým obsahom dĺžky sú špecializované komponenty používané v rôznych mechanických a štrukturálnych aplikáciách na zabezpečenie bezpečného upevnenia a distribúcie záťaže. Tieto podložky sú skonštruované tak, aby odolali vysokej úrovne stresu a kmeňa bez deformovania, čím sa zabezpečuje integrita zostavy. Zvyčajne sa vyrábajú z robustných materiálov, ako je kalená oceľ, nehrdzavejúca oceľ alebo iné zliatiny s vysokou pevnosťou, ktoré ponúkajú odolnosť voči mechanickému opotrebovaniu, korózii a teplotným variáciám.

Primárnou funkciou týchto podložiek je rovnomerné rozdelenie zaťaženia upevňovača, ako je skrutka alebo skrutka, cez väčšiu plochu povrchu. Toto rozdelenie zabraňuje poškodeniu povrchového materiálu a znižuje pravdepodobnosť uvoľnenia v dôsledku vibrácií alebo silného zaťaženia. „Horné“ označenie sa vzťahuje na ich umiestnenie v zostave, zvyčajne umiestnené medzi hlavou upevňovača a pri zabezpečení povrchu. Táto poloha je rozhodujúca, pretože pomáha udržiavať tesnosť upevňovača a zabraňuje jej ťahaniu mäkším materiálom. Horné podložky s vysokou pevnosťou v ťahu sú obzvlášť cenné v náročných prostrediach, ako sú automobilový priemysel, letectvo, stavebné a ťažké strojové odvetvia, kde komponenty sú vystavené dynamickým silám a podmienkam s vysokým stresom. Zaisťujú, že kĺby zostanú v bezpečí pri kolísajúcich zaťaženiach a podmienkach s vysokým stresom, čo prispieva k bezpečnosti a spoľahlivosti celkovej štruktúry.

Tieto podložky často prichádzajú v rôznych tvaroch a veľkostiach, vrátane plochých, skosených alebo zúbkovaných vzorov, aby uspokojili rôzne potreby aplikácií. Výber príslušnej podložky závisí od faktorov, ako je typ upevňovača, pripevnený materiál a podmienky prostredia. Ich vysoká pevnosť v ťahu z nich robí dôležitú súčasť v akejkoľvek aplikácii, ktorá vyžaduje trvanlivé a spoľahlivé riešenia upevňovania. Toto je vlastná neštandardná časť, ktorá je možné prispôsobiť rôznym prostrediam využívania zákazníkov a metódam inštalácie, čo umožňuje prispôsobenie rôznych pečiatkových častí, tvarovaných častí a zložitých opracovaných komponentov. Formy sú nezávisle vyvíjané a vyrábané naša spoločnosť (vrátane jednotlivých a progresívnych foriem). Prijímame vývoj rôznych neštandardných a špeciálnych pečiatkových dielov, dielov drôtov, tvorených dielov a podobných výrobkov.

Materiál: Bežná uhlíková oceľ a možnosti z nehrdzavejúcej ocele (65 m, C67S, 2Cr13, 304, 1,4122 atď.)

Povrchové ošetrenie: Rôzne štandardné možnosti liečby, ako je fosfát, Dacromet, Geomet, Plating zinku, pokovovanie zinočnatého a elektroforetického povlaku.

Horná podložka s vysokou pevnosťou v ťahu

d1 S Tol S1 Tol d3 max. ≈b D5 min Wt (g) d2 Tol m Tol n min

Klietka odolná voči opotrebovaniu

Limitná klietka odolná voči opotrebeniu je nevyhnutnou súčasťou používanou v mechanických systémoch na zvýšenie trvanlivosti a životnosti rôznych typov strojov. Tieto klietky sa zvyčajne vyskytujú v prostrediach s vysokým stresom, napríklad v hydraulických valcoch, pneumatických systémoch a ďalších mechanických zostavách, ktoré zahŕňajú pohyblivé časti. Ich primárnou funkciou je pôsobiť ako vodítko alebo limit na pohybovanie komponentov, zabezpečujú hladký pohyb a zároveň minimalizujú trenie a opotrebenie medzi kontaktnými povrchmi. Poskytnutím kontrolovanej cesty pre pohybujúce sa prvky, ako sú piesty alebo prúty, limitné klietky odolné voči opotrebeniu pomáhajú znižovať nesprávne zarovnanie, zabrániť kontaktu s kovom k kovu a zvyšovať celkovú účinnosť systému.

Tieto klietky sú vyrobené z vysokokvalitných materiálov, ako sú vystužené polyméry, bronz alebo kompozitné materiály, sú navrhnuté tak, aby odolali tvrdým prevádzkovým podmienkam, vrátane vysokých teplôt, tlaku a vystavenia chemikáliám alebo abrazívnym časticám. Vlastnosti týchto materiálov odolných voči opotrebeniu zaisťujú, že obmedzené klietky môžu vydržať predĺžené použitie bez výraznej degradácie, čím sa zníži potreba častej údržby alebo výmeny. Často sú navrhnuté presnými drážkami alebo vreckami, aby si udržali mazivo, čo ďalej minimalizuje trenie a opotrebenie počas prevádzky.

Limitné klietky odolné voči opotrebeniu sa bežne používajú v odvetviach, ako sú automobilový priemysel, letectvo, výroba, výstavba a ťažké stroje, kde prispievajú k spoľahlivosti a výkonu zariadení, ako sú hydraulické lisy, rýpadlá a obrábacie náradie. Tým, že tieto klietky zabránia nadmernému opotrebeniu a rozšírením životnosti zariadení, zohrávajú rozhodujúcu úlohu pri znižovaní prestoje, nákladoch na údržbu a celkových prevádzkových nákladov. Ich schopnosť udržiavať presnú kontrolu nad pohyblivými časťami ich robí nevyhnutnými v aplikáciách, ktoré si vyžadujú vysokú úroveň presnosti a trvanlivosti. Toto je vlastná neštandardná časť, ktorá je možné prispôsobiť rôznym prostrediam využívania zákazníkov a metódam inštalácie, čo umožňuje prispôsobenie rôznych pečiatkových častí, tvarovaných častí a zložitých opracovaných komponentov. Formy sú nezávisle vyvíjané a vyrábané naša spoločnosť (vrátane jednotlivých a progresívnych foriem). Prijímame vývoj rôznych neštandardných a špeciálnych pečiatkových dielov, dielov drôtov, tvorených dielov a podobných výrobkov.

Materiál: Bežná uhlíková oceľ a možnosti z nehrdzavejúcej ocele (65 m, C67S, 2Cr13, 304, 1,4122 atď.)

Povrchové ošetrenie: Rôzne štandardné možnosti liečby, ako je fosfát, Dacromet, Geomet, Plating zinku, pokovovanie zinočnatého a elektroforetického povlaku.

Klietka odolná voči opotrebovaniu

d1 S Tol S1 Tol d3 max. ≈b D5 min Wt (g) d2 Tol m Tol n min

Štefý štiepny kruh odolný voči korózii

Štefý štiepny kruh v tvare korózie, ktorý je odolný voči korózii, je mechanický komponent určený na zaistenie častí na hriadeľoch alebo v otvoroch. Jeho jedinečný, rozdelený dizajn umožňuje jeho inštaláciu alebo odstránenie ľahko bez potreby úplného roztrhnutia zostavy. Aspekt „špeciálneho tvaru“ sa vzťahuje na jeho prispôsobenú geometrickú formu, ktorá je možné prispôsobiť tak, aby spĺňala konkrétne požiadavky na aplikáciu, čím poskytuje presné prispôsobenie a vylepšenú pevnosť v držbe.

Tieto krúžky sú vyrobené z materiálov, ako je nehrdzavejúca oceľ, zliatiny niklu alebo iné kovy a povlaky odolné voči korózii. Toto zloženie zaisťuje, že vydrží tvrdé podmienky prostredia, vrátane vystavenia vlhkosti, chemikáliám a rôznym teplotám, vďaka čomu sú ideálne na použitie v odvetviach, ako sú morské, chemické spracovanie, letecký priestor a automobilový priemysel, kde je odolnosť proti korózii rozhodujúca. Rozdelený návrh týchto zadržiavacích krúžkov umožňuje flexibilitu v ich aplikácii. Môžu byť stlačené alebo rozšírené tak, aby sa zmestili na hriadele alebo do otvorov, potom vrazili do opracovanej drážky a bezpečne držali komponenty na svojom mieste. Ich jedinečné tvary môžu zahŕňať rôzne profily prierezov, ako sú štvorcové, obdĺžnikové alebo špeciálne tvarované formy, ktoré poskytujú lepšie distribúciu priľnavosti a zaťaženia.

Štefážne zadržiavacie prstene v tvare korózie odporujúce koróziu ponúkajú niekoľko výhod, vrátane dlhodobej trvanlivosti, spoľahlivého výkonu pri dynamickom zaťažení a minimálnej údržby. Zaisťujú bezpečné prispôsobenie bez potreby lepidiel alebo zvárania, ktoré môžu byť kritické v aplikáciách vyžadujúcich časté montáž a demontáž. Okrem toho ich dizajn pomáha znižovať opotrebenie častí, ktoré si zachovávajú, čím sa predlžuje celková životnosť zostavy. Toto je vlastná neštandardná časť, ktorá je možné prispôsobiť rôznym prostrediam využívania zákazníkov a metódam inštalácie, čo umožňuje prispôsobenie rôznych pečiatkových častí, tvarovaných častí a zložitých opracovaných komponentov. Formy sú nezávisle vyvíjané a vyrábané naša spoločnosť (vrátane jednotlivých a progresívnych foriem). Prijímame vývoj rôznych neštandardných a špeciálnych pečiatkových dielov, dielov drôtov, tvorených dielov a podobných výrobkov.

Materiál: Bežná uhlíková oceľ a možnosti z nehrdzavejúcej ocele (65 m, C67S, 2Cr13, 304, 1,4122 atď.)

Povrchové ošetrenie: Rôzne štandardné možnosti liečby, ako je fosfát, Dacromet, Geomet, Plating zinku, pokovovanie zinočnatého a elektroforetického povlaku.

Štefý štiepny kruh odolný voči korózii

d1 S Tol S1 Tol d3 max. ≈b D5 min Wt (g) d2 Tol m Tol n min

Odolný vnútorný krúžok so špeciálnym tvarom

Tento špeciálny zadržiavací prsteň je vlastnou neštandardnou časťou, ktorú je možné prispôsobiť rôznym prostrediam využívania zákazníkov a inštalačným metódam, čo umožňuje prispôsobenie rôznych pečiatkových častí, tvarovaných dielov a zložitých opracovaných komponentov.

Náš kruhový prsteň je starostlivo navrhnutý tak, aby vyhovoval širokej škále neštandardných a špeciálne tvarovaných otvorov, čo poskytuje bezpečné a stabilné držanie rôznych mechanických komponentov. Jeho robustná konštrukcia má tvrdenú oceľovú dizajn, ktorá ponúka odolnosť proti deformácii, opotrebeniu a korózii, ktorá zaisťuje dlhú životnosť aj za tvrdých prevádzkových podmienok. Presné inžinierstvo oporného krúžku umožňuje ľahkú inštaláciu a odstránenie, čo zvyšuje účinnosť procesov montáže a údržby. Jeho návrh obsahuje pokročilé funkcie, ako sú zosilnené hrany a špeciálne formulovaný povlak, aby sa zabránilo hrdze a zabezpečilo hladkú prevádzku. To zaisťuje, že zachovanie zadržiavania si zachováva svoju integritu a výkon v priebehu času, čím sa znižuje potreba častých výmen. Formy sú nezávisle vyvíjané a vyrábané naša spoločnosť (vrátane jednotlivých a progresívnych foriem). Prijímame vývoj rôznych neštandardných a špeciálnych pečiatkových dielov, dielov drôtov, tvorených dielov a podobných výrobkov.

Materiál: Bežná uhlíková oceľ a možnosti z nehrdzavejúcej ocele (65 m, C67S, 2Cr13, 304, 1,4122 atď.)

Povrchové ošetrenie: Rôzne štandardné možnosti liečby, ako je fosfát, Dacromet, Geomet, Plating zinku, pokovovanie zinočnatého a elektroforetického povlaku.

Odolný vnútorný krúžok so špeciálnym tvarom

d1 S Tol S1 Tol d3 max. ≈b D5 min Wt (g) d2 Tol m Tol n min

Všestranný vnútorný krúžok v tvare špeciálneho tvaru

Náš kruh, ktorý je postavený z vysokokvalitných materiálov, ponúka výnimočnú silu a trvanlivosť. Je k dispozícii v rôznych materiáloch vrátane nehrdzavejúcej ocele, uhlíkovej ocele a hliníka, čo vám umožňuje zvoliť lepšiu voľbu pre vaše konkrétne podmienky aplikácie a prostredia. Robustný dizajn prsteňa odoláva korózii, opotrebeniu a deformácii, ktorá zaisťuje dlhú životnosť aj za náročných podmienok.

Vysoko prispôsobivý zadržiavací prsteň pre otvory v tvare špeciálnych tvarov má flexibilný dizajn, ktorý ľahko pojme špeciálne otvory v tvare. Či už vaša aplikácia zahŕňa nepravidelné geometrie alebo vlastné rozmery, tento zadržiavací krúžok môže byť prispôsobený tak, aby sa hodil s presnosťou. Jeho jedinečný dizajn obsahuje nastaviteľné prvky, ktoré umožňujú útulné a bezpečné prispôsobenie, ktoré bránia akémukoľvek potenciálnemu pohybu alebo posunu. Inštalácia je priamočiara vďaka užívateľsky prívetivému dizajnu Ring. Môže byť bez námahy nainštalovaný a odstránený pomocou štandardných nástrojov, čím sa znižuje náklady na prestoje a údržbu. Ponáhľajúci krúžok je navrhnutý tak, aby poskytoval bezpečné držanie a zároveň umožnil rýchle úpravy, čo je ideálny pre aplikácie vyžadujúce časté úpravy alebo náhrady. Tento špeciálny zadržiavací prsteň je vlastnou neštandardnou časťou, ktorú je možné prispôsobiť rôznym prostrediam využívania zákazníkov a inštalačným metódam, čo umožňuje prispôsobenie rôznych pečiatkových častí, tvarovaných dielov a zložitých opracovaných komponentov. Formy sú nezávisle vyvíjané a vyrábané naša spoločnosť (vrátane jednotlivých a progresívnych foriem). Prijímame vývoj rôznych neštandardných a špeciálnych pečiatkových dielov, dielov drôtov, tvorených dielov a podobných výrobkov.

Materiál: Bežná uhlíková oceľ a možnosti z nehrdzavejúcej ocele (65 m, C67S, 2Cr13, 304, 1,4122 atď.)

Povrchové ošetrenie: Rôzne štandardné možnosti liečby, ako je fosfát, Dacromet, Geomet, Plating zinku, pokovovanie zinočnatého a elektroforetického povlaku.

Všestranný vnútorný krúžok v tvare špeciálneho tvaru

d1 S Tol S1 Tol d3 max. ≈b D5 min Wt (g) d2 Tol m Tol n min

Multifunkčný špeciálny vnútorný krúžok

Multifunkčný zadržiavací prsteň je navrhnutý na použitie v špeciálnych otvoroch v tvare, čím sa zaoberá výzvami zabezpečenia komponentov v týchto aplikáciách. Vďaka jeho všestrannosti a spoľahlivosti je vhodná pre presné zostavy a mechanické aplikácie.

Tento zadržiavací kruh je postavený z odolných materiálov a je schopný odolať mechanickému stresu a rôznymi podmienkami prostredia. Jeho robustný dizajn zaisťuje bezpečný a stabilný výkon, a to aj v náročných nastaveniach. Prsteň môže pojať celý rad otvorov v tvare špeciálnych tvarov, vrátane tých, ktoré majú neštandardné rozmery alebo zložité profily, vďaka čomu je uplatniteľný v rôznych odvetviach, ako sú automobilový priemysel, letectvo, elektronika a stroje.

Ponáhľajúci krúžok má presne navrhnutý profil, ktorý poskytuje útulné priľnavosť v rámci otvorov v tvare špeciálnych tvarov, čím zabraňuje posunu alebo rozpusteniu komponentov. Dizajn umožňuje priamu inštaláciu a odstránenie, čo môže pomôcť minimalizovať prestoje a znížiť náklady na údržbu. Jeho sila a prispôsobivosť sú vhodné pre aplikácie vyžadujúce vysokú presnosť a trvanlivosť. Táto vlastná neštandardná časť môže byť navyše prispôsobená tak, aby spĺňala konkrétne zákaznícke prostredie a metódy inštalácie, čo umožňuje prispôsobenie rôznych pečiatkových častí, formovaných dielov a zložitých opracovaných komponentov. Formy sú nezávisle vyvíjané a vyrábané naša spoločnosť (vrátane jednotlivých a progresívnych foriem). Prijímame vývoj rôznych neštandardných a špeciálnych pečiatkových dielov, dielov drôtov, tvorených dielov a podobných výrobkov.

Materiál: Bežná uhlíková oceľ a možnosti z nehrdzavejúcej ocele (65 m, C67S, 2Cr13, 304, 1,4122 atď.)

Povrchové ošetrenie: Rôzne štandardné možnosti liečby, ako je fosfát, Dacromet, Geomet, Plating zinku, pokovovanie zinočnatého a elektroforetického povlaku.

Multifunkčný špeciálny vnútorný krúžok

d1 S Tol S1 Tol d3 max. ≈b D5 min Wt (g) d2 Tol m Tol n min

Funkčný držiak na špeciálne tvary

Funkčný špeciálny stent v tvare je špičkové a prispôsobiteľné riešenie navrhnuté tak, aby splnilo rozmanité priemyselné a lekárske aplikácie, ktoré si vyžadujú presnú podporu a stabilitu. Tento stent, navrhnutý so zameraním na univerzálnosť a trvanlivosť, vyniká svojím jedinečným tvarom a funkčnosťou, vďaka čomu je ideálny pre špecializované aplikácie v rôznych odvetviach.

Funkčný stent so špeciálnym tvarom zaisťuje dlhodobý výkon a spoľahlivosť aj v náročných prostrediach, ktorý je vyrobený z vysoko kvalitných materiálov odolných voči korózii. Jeho na mieru na mieru sa prispôsobuje širokej škále štrukturálnych potrieb a ponúka prispôsobenú podporu komponentov, strojov alebo zdravotníckych pomôcok, ktoré vyžadujú presné zarovnanie a stabilizáciu.

Stent má robustnú konštrukciu s množstvom prispôsobiteľných rozmerov a konfigurácií. Táto adaptabilita umožňuje integráciu do komplexných systémov, ktorá poskytuje zvýšenú stabilitu a distribúciu záťaže. Či už sa používa v lekárskych postupoch na podporu anatomických štruktúr alebo v priemyselnom prostredí na stabilizáciu zariadení a strojov, funkčný špeciálny tvarový stent poskytuje mimoriadnu funkčnosť. Toto je vlastná neštandardná časť, ktorá je možné prispôsobiť rôznym prostrediam využívania zákazníkov a metódam inštalácie, čo umožňuje prispôsobenie rôznych pečiatkových častí, tvarovaných častí a zložitých opracovaných komponentov. Formy sú nezávisle vyvíjané a vyrábané naša spoločnosť (vrátane jednotlivých a progresívnych foriem). Prijímame vývoj rôznych neštandardných a špeciálnych pečiatkových dielov, dielov drôtov, tvorených dielov a podobných výrobkov.

Materiál: Bežná uhlíková oceľ a možnosti z nehrdzavejúcej ocele (65 m, C67S, 2Cr13, 304, 1,4122 atď.)

Povrchové ošetrenie: Rôzne štandardné možnosti liečby, ako je fosfát, Dacromet, Geomet, Plating zinku, pokovovanie zinočnatého a elektroforetického povlaku.

Funkčný držiak na špeciálne tvary

d1 S Tol S1 Tol d3 max. ≈b D5 min Wt (g) d2 Tol m Tol n min

Špeciálne usporiadané držiak odolné voči korózii

Zázva so špeciálnym tvarom odolným voči korózii je starostlivo skonštruovaná pre lepšiu trvanlivosť a spoľahlivosť v náročných prostrediach. Táto konzola je vyrobená z vysoko kvalitných materiálov odolných voči korózii, vrátane pokročilých zliatin a nehrdzavejúcej ocele, je navrhnutá tak, aby odolala tvrdým podmienkam, ako sú vlhkosť, chemikálie a teploty, čo zaisťuje dlhodobý výkon v vnútorných aj vonkajších prostrediach.

Jeho špeciálny dizajn ponúka vlastné konfigurácie prispôsobené tak, aby vyhovovali konkrétnym potrebám aplikácií, poskytujúce všestranné možnosti montáže a podporu pri náročných inštaláciách. Táto jedinečná geometria uľahčuje bezproblémovú integráciu s rôznymi štruktúrami a vytvára bezpečný a stabilný podporný systém.

Postavená s vylepšenou nosnou kapacitou je držiak lepší pre náročné aplikácie a je schopný zvládnuť značné zaťaženie jeho zosilnenou štruktúrou. Či už v priemyselných, komerčných alebo obytných prostrediach ponúka spoľahlivý výkon pod stresom.

Vyrábaná s presným inžinierstvom, zátvorka zaručuje presné rozmery pre lepšie prispôsobenie, zjednodušuje inštaláciu a zabezpečuje presné zarovnanie s zamýšľanými aplikáciami.

Vďaka svojim všestranným aplikáciám je zátvorka ideálna pre prostredie vystavené korozívnym látkam, ako sú morské, chemické a priemyselné odvetvia, a je tiež vhodná na montážny zariadenia, príslušenstvo alebo podporu v architektonických a štrukturálnych projektoch.

Ako vlastná neštandardná časť môže byť prispôsobená rôznym prostrediam využívania a metódam inštalácie, čo ponúka flexibilitu pri výrobe rôznych pečiatkových častí, formovaných komponentov a zložitých opracovaných položiek. Naša spoločnosť nezávisle vyvíja a vyrába formy (vrátane jednotlivých a progresívnych foriem), čo podporuje prispôsobenie neštandardných a špeciálnych pečiatkových častí, dielov drôtov a vytvorených výrobkov.

Materiál: K dispozícii v bežných možnostiach uhlíkovej ocele a nehrdzavejúcej ocele (65 m, C67S, 2CR13, 304, 1,4122 atď.).

Povrchové ošetrenie: Vyberte si z rôznych štandardných ošetrení, ako je fosfát, Dacromet, Geomet, Plating zinku, pokovovanie zinočnatým a elektroforetickým povlakom.

Špeciálne usporiadané držiak odolné voči korózii

d1 S Tol S1 Tol d3 max. ≈b D5 min Wt (g) d2 Tol m Tol n min

Vonkajší krúžok v tvare opotrebenia

Zostavací prsteň hriadeľa odolného voči opotrebeniu je vysokovýkonný komponent navrhnutý na zaistenie zostavy na hriadeľoch a zabránení bočnému pohybu. Tento oporný krúžok, ktorý je navrhnutý pre náročné aplikácie, je vytvorený z prémiových materiálov s odolnosťou proti opotrebeniu, vďaka čomu je ideálny pre prostredia vystavené vysokému treniu, stresu a rôznym teplotám. Jeho jedinečný špeciálny dizajn jej umožňuje poskytovať vylepšenú úchopovú silu a stabilitu, čím sa zabezpečí bezpečné prispôsobenie sa na hriadeľoch rôznych priemerov.

Ponáhľajúci krúžok obsahuje profil s presným inžinierom, ktorý uľahčuje ľahkú inštaláciu a odstránenie pri zachovaní jeho integrity pri opakovanom používaní. Vďaka tomu je vhodné pre aplikácie vyžadujúce častú údržbu alebo úpravy. Jeho vlastnosti odolné voči opotrebeniu pomáhajú predĺžiť životnosť kruhu a súvisiaceho strojového zariadenia, čím sa minimalizujú prestoje a náklady na údržbu. Robustná konštrukcia prsteňa je schopná odolať ťažkému zaťaženiu, vysokým otáčkam a korozívnym prostrediam, čím sa zabezpečuje spoľahlivý výkon v priemyselných nastaveniach, ako je automobilový priemysel, letectvo, výroba strojov a ťažké vybavenie.

So zameraním na vysokú toleranciu a presnosť tento špeciálny zadržiavací prsteň zaisťuje pevné a spoľahlivé prispôsobenie, ktoré zabraňuje axiálnym pohybom a chráni kritické komponenty pred poškodením. Jeho univerzálnosť umožňuje jeho používanie v rôznych konfiguráciách vrátane zabezpečenia prevodov, ložísk, kladiek a iných komponentov namontovaných na hriadeli. Prsteň je k dispozícii vo viacerých veľkostiach a môže byť prispôsobený tak, aby vyhovoval konkrétnym požiadavkám na aplikáciu, čím zabezpečuje kompatibilitu s rôznymi rozmermi a konfiguráciami hriadeľa. Toto je vlastná neštandardná časť, ktorá je možné prispôsobiť rôznym prostrediam využívania zákazníkov a metódam inštalácie, čo umožňuje prispôsobenie rôznych pečiatkových častí, tvarovaných častí a zložitých opracovaných komponentov. Formy sú nezávisle vyvíjané a vyrábané naša spoločnosť (vrátane jednotlivých a progresívnych foriem). Prijímame vývoj rôznych neštandardných a špeciálnych pečiatkových dielov, dielov drôtov, tvorených dielov a podobných výrobkov.

Materiál: Bežná uhlíková oceľ a možnosti z nehrdzavejúcej ocele (65 m, C67S, 2Cr13, 304, 1,4122 atď.)

Povrchové ošetrenie: Rôzne štandardné možnosti liečby, ako je fosfát, Dacromet, Geomet, Plating zinku, pokovovanie zinočnatého a elektroforetického povlaku.

Vonkajší krúžok v tvare opotrebenia

d1 S Tol S1 Tol d3 max. ≈b D5 min Wt (g) d2 Tol m Tol n min